GM Service Manual Online
For 1990-2009 cars only
Makes
🢒
Isuzu
🢒
2008
🢒
Isuzu MD F-Series
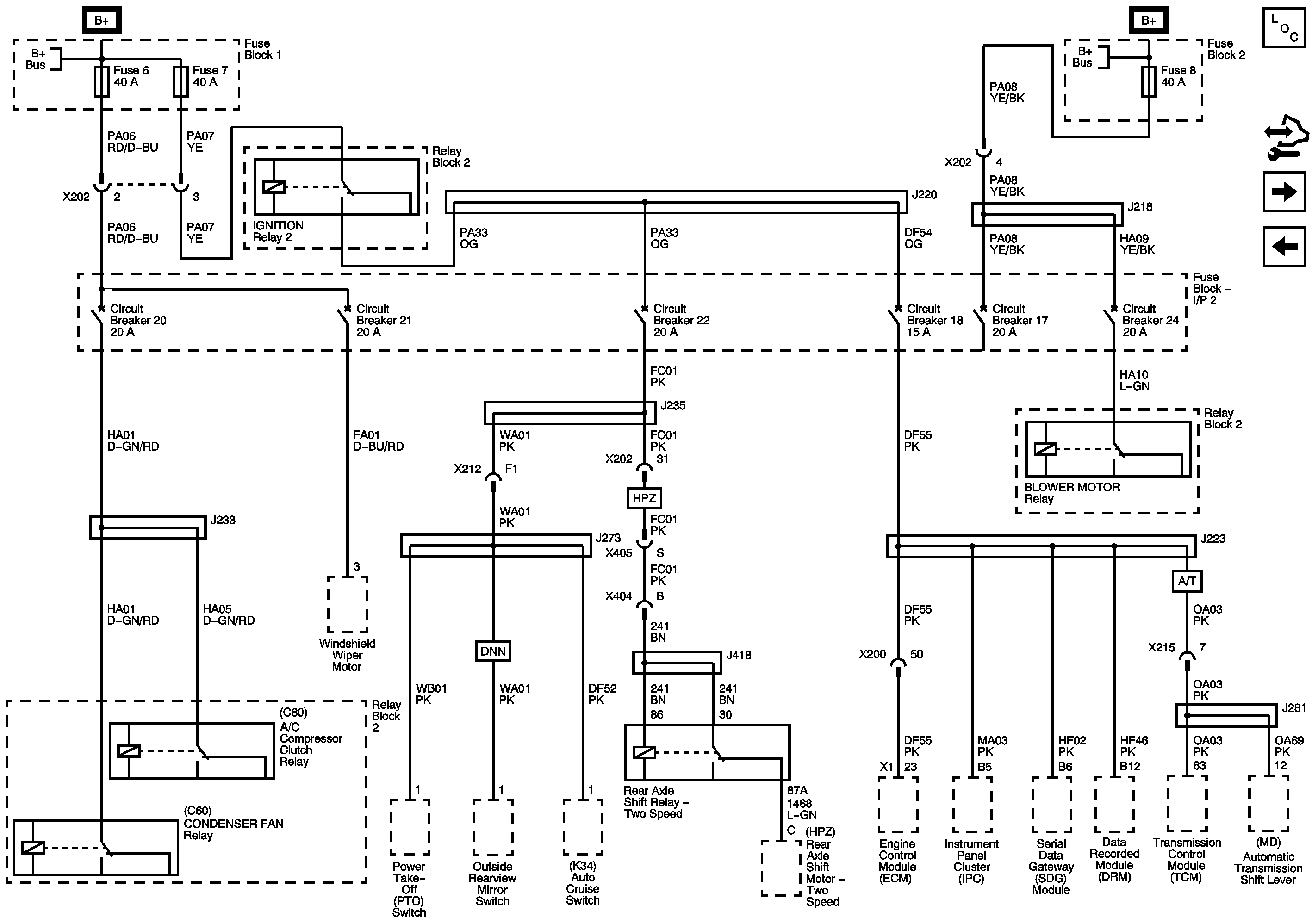
🢒 Fuse Block 1: Fuses 6 and 7, Fuse Block 2: Fuse 8, and Fuse Block I/P 2: Circuit Breakers 17, 18, 20, 21, 22, and 24
Fuse Block 1: Fuses 6 and 7, Fuse Block 2: Fuse 8, and Fuse Block I/P 2: Circuit Breakers 17, 18, 20, 21, 22, and 24
Fuse Block 1: Fuses 6 and 7, Fuse Block 2: Fuse 8, and Fuse Block I/P 2: Circuit Breakers 17, 18, 20, 21, 22, and 24
Master Electrical Component List
Control Module References
Fuse Block 2: Fuses 9, 11, 12, 13, and 14, Fuse Block I/P 1: Circuit Breaker 11, and Fuse Block I/P 2: Circuit Breakers 25 and 26
Fuse Block I/P 1: Circuit Breaker 9 - 2 of 2
Battery Supply and B+ Bus
Battery Supply and B+ Bus