GM Service Manual Online
For 1990-2009 cars only
Makes
🢒
Isuzu
🢒
2008
🢒
Isuzu MD F-Series
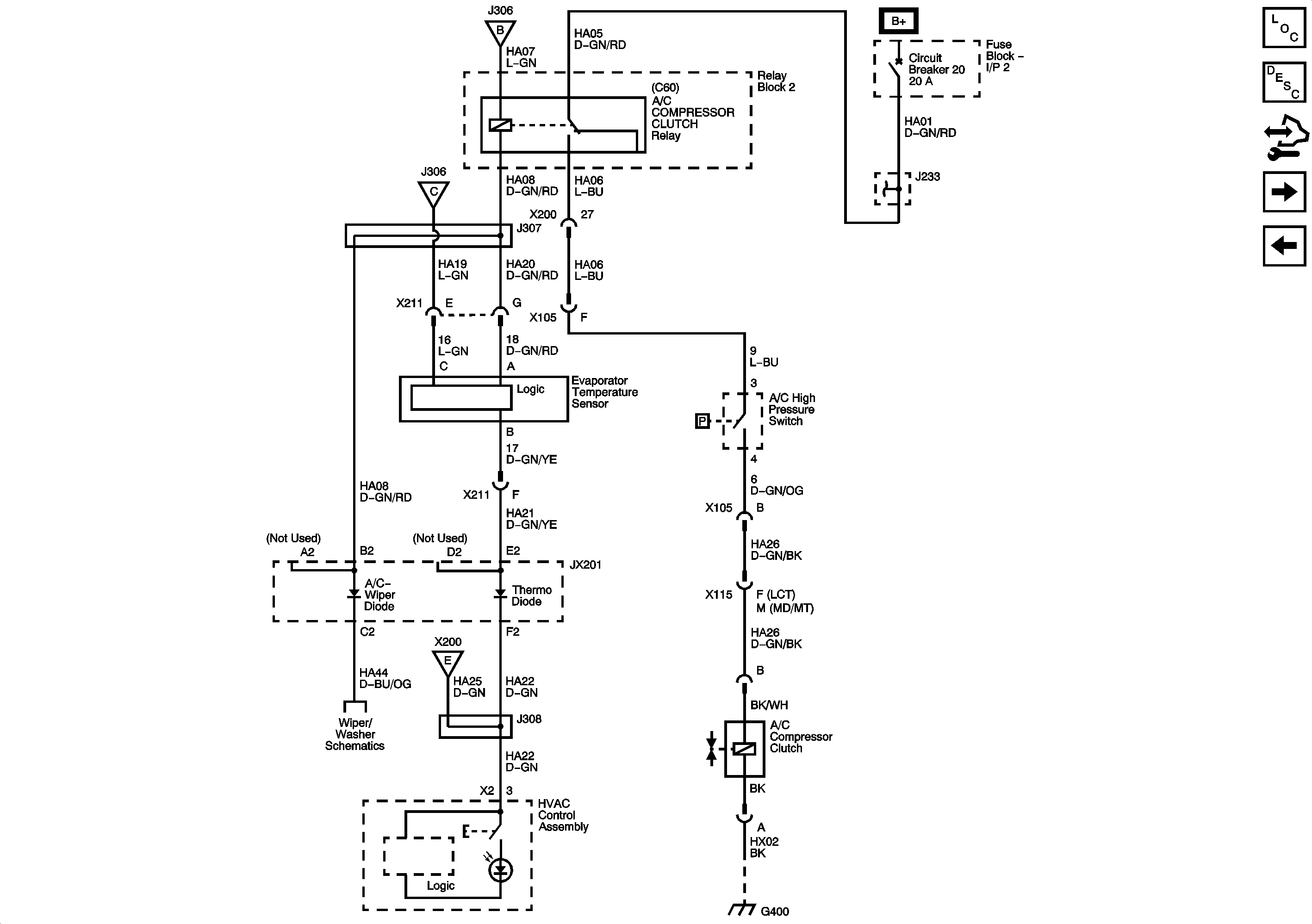
🢒 A/C Compressor Controls
A/C Compressor Controls
A/C Compressor Controls
Master Electrical Component List
Air Temperature Description and Operation
Control Module References
A/C Condensor Fan Controls
Blower Controls
Blower Controls
Blower Controls
A/C Condensor Fan Controls
Wipers/Washer System Schematics
G400 - 2 of 8
Fuse Block 1: Fuses 6 and 7, Fuse Block 2: Fuse 8, and Fuse Block I/P 2: Circuit Breakers 17, 18, 20, 21, 22, and 24
Fuse Block 1: Fuses 6 and 7, Fuse Block 2: Fuse 8, and Fuse Block I/P 2: Circuit Breakers 17, 18, 20, 21, 22, and 24