GM Service Manual Online
For 1990-2009 cars only
Makes
🢒
Isuzu
🢒
2008
🢒
Isuzu MD F-Series
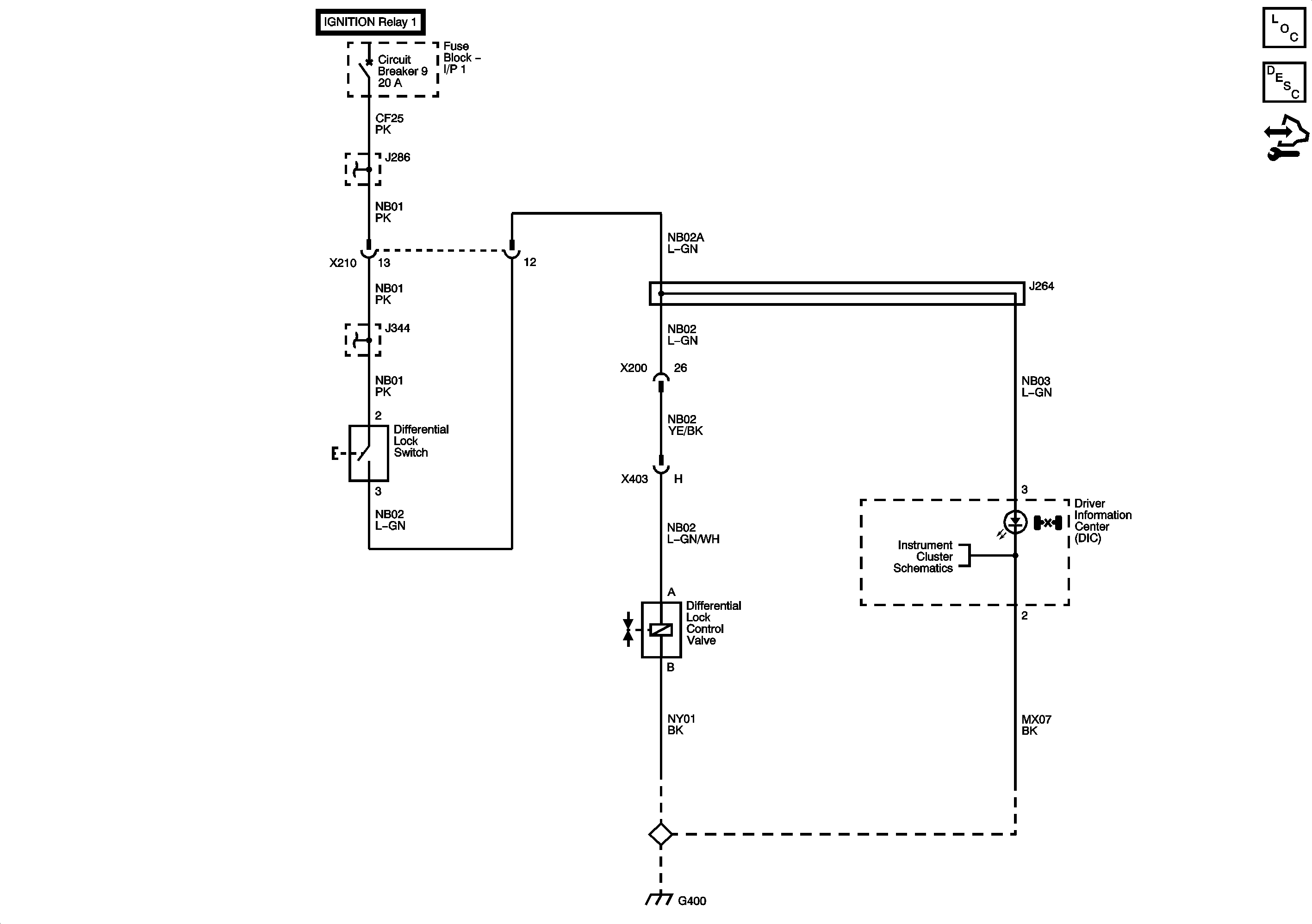
🢒 Differential Lock Schematics
Differential Lock Schematics
Master Electrical Component List
Locking Differential Description and Operation
Control Module References
Fuse Block 1: Fuse 5 and Fuse Block I/P 1: Circuit Breakers 5, 9 - 1 of 2, and 10
Fuse Block 1: Fuse 5 and Fuse Block I/P 1: Circuit Breakers 5, 9 - 1 of 2, and 10
Fuse Block 1: Fuse 5 and Fuse Block I/P 1: Circuit Breakers 5, 9 - 1 of 2, and 10
G100, G101, G102, G107, G114, G208, G209, G210, G214, G501, G502, G601, G602 and G400 - 1 of 8,
Driver Information Center (DIC)