GM Service Manual Online
For 1990-2009 cars only
Makes
🢒
Isuzu
🢒
2008
🢒
Isuzu MD F-Series
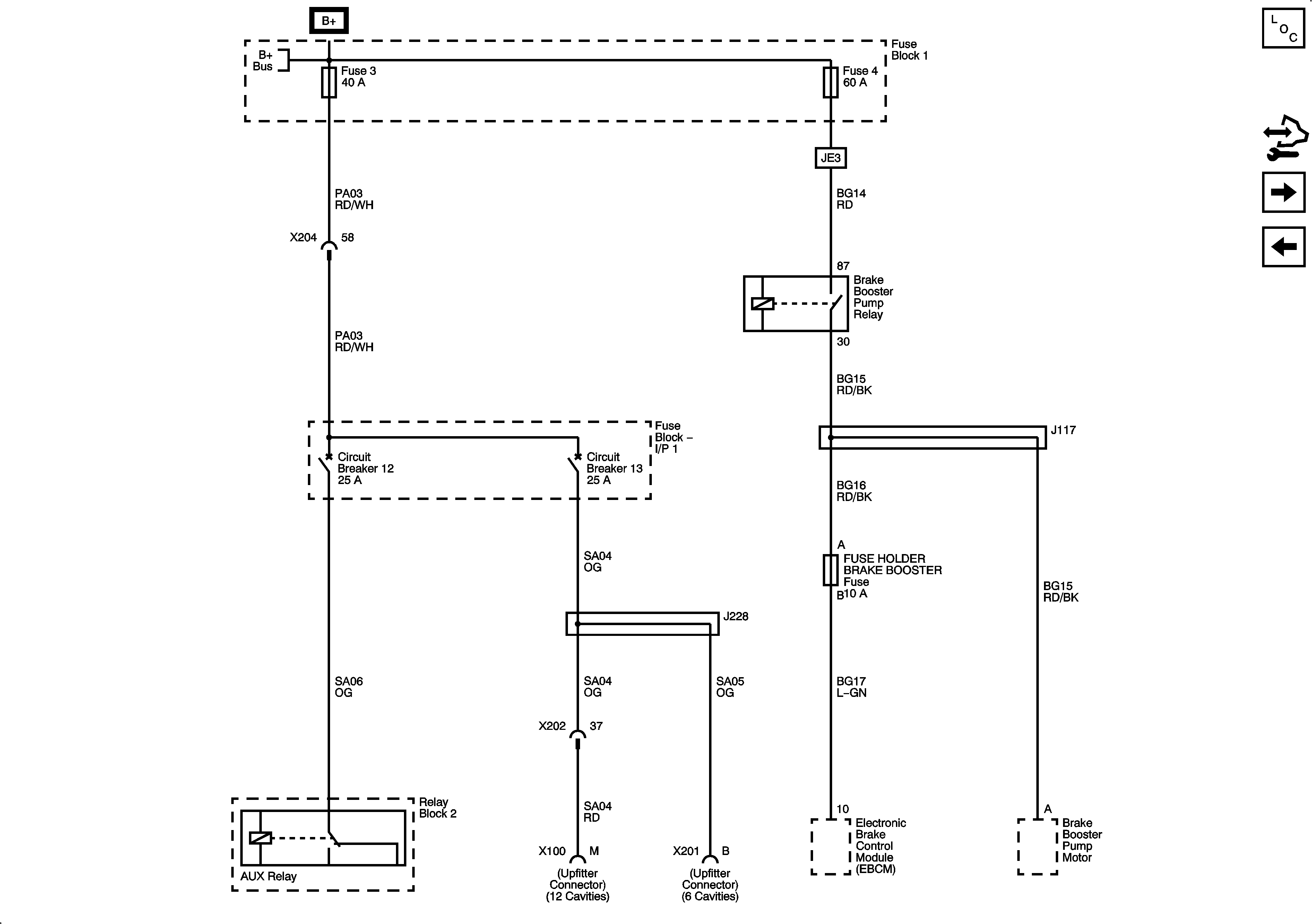
🢒 Block 1: Fuses 3 and 4, and Fuse Block I/P Circuit Breakers 12 and 13, and HYDROMAX Fuse
Block 1: Fuses 3 and 4, and Fuse Block I/P Circuit Breakers 12 and 13, and HYDROMAX Fuse
Block 1: Fuses 3 and 4, and Fuse Block I/P Circuit Breakers 12 and 13, and Brake Booster Fuse
Master Electrical Component List
Control Module References
Fuse Block 1: Fuse 5 and Fuse Block I/P 1: Circuit Breakers 5, 9 - 1 of 2, and 10
Fuse Block 1: Fuse 2 and Fuse Block I/P 1: Circuit Breakers 4, 7, and 8
Battery Supply and B+ Bus