GM Service Manual Online
For 1990-2009 cars only
Makes
🢒
Isuzu
🢒
2008
🢒
Isuzu MD F-Series
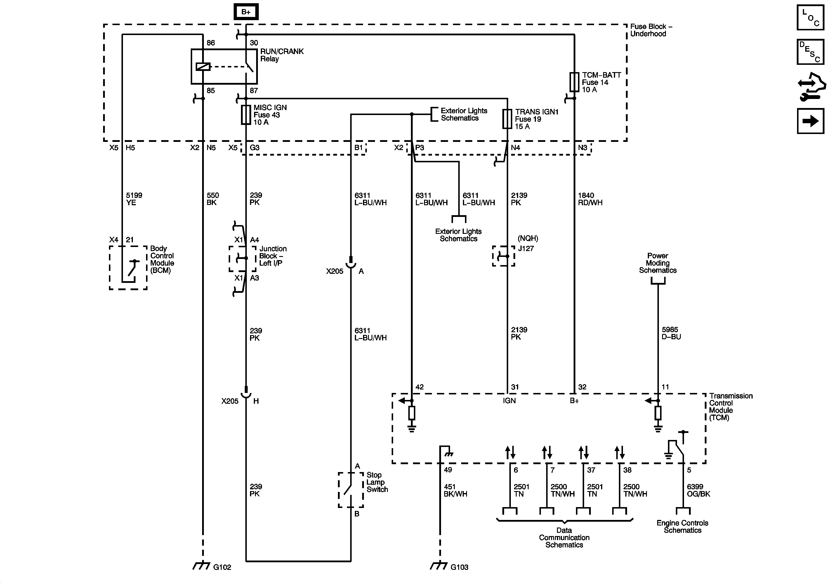
🢒 Module Power, Ground, Serial Data, and Stop Lamp Signal
Module Power, Ground, Serial Data, and Stop Lamp Signal
Module Power, Ground, Serial Data and Stop Lamp Signal
Master Electrical Component List
Control Module References
Shift Controls