GM Service Manual Online
For 1990-2009 cars only
Figure 1:

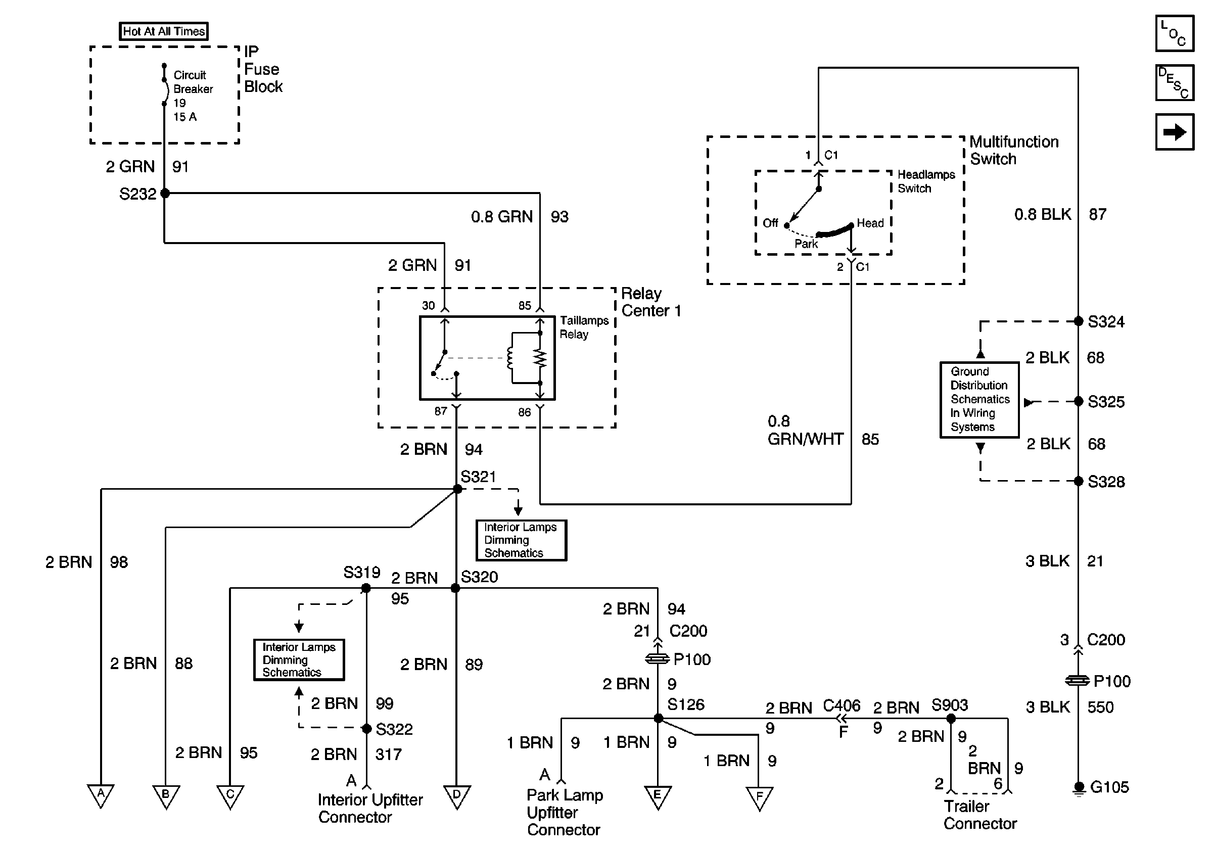
Taillamps Switch and Relay


Object Number: 600461  Size: FS
Lighting Systems Components
Exterior Lights Circuit Description
Turn/Hazard Flasher Module, Stoplamps Switch-Air Brakes
Clearance and Identification Lamps
Clearance and Identification Lamps
Lighted Mirrors
Clearance and Identification Lamps
Front and Rear Lighting, IP Indicators
Front and Rear Lighting, IP Indicators
G105 Continued, S324, S325, S326, S327, S500
Interior Lights Dimming Schematics
Interior Lights Dimming Schematics
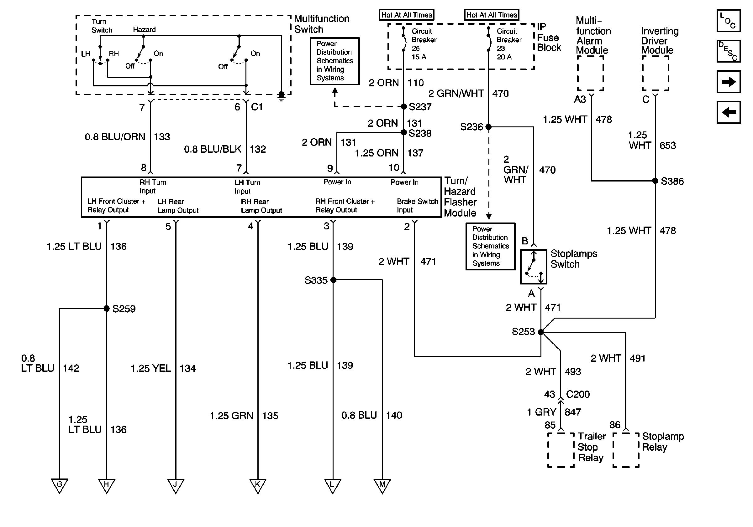
Figure 2:

Turn/Hazard Flasher Module, Stoplamps Switch-Air Brakes


Object Number: 600463  Size: FS
Lighting Systems Components
Exterior Lights Circuit Description
Turn/Hazard Flasher Module, Stoplamps Switch-Hydraulic Brakes
Taillamps Switch and Relay
Front and Rear Lighting, IP Indicators
Front and Rear Lighting, IP Indicators
Front and Rear Lighting, IP Indicators
Front and Rear Lighting, IP Indicators
Front and Rear Lighting, IP Indicators
Front and Rear Lighting, IP Indicators
IP Fuse Block, Circuit Breakers 22, 23, 24, 25, 26
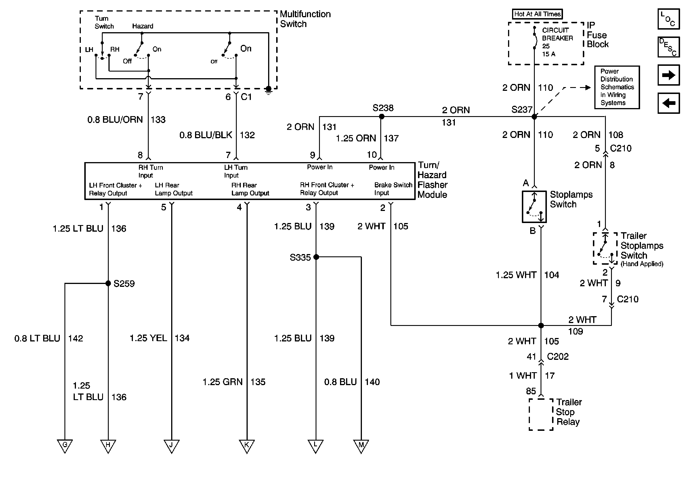
Figure 3:

Turn/Hazard Flasher Module, Stoplamps Switch-Hydraulic Brakes


Object Number: 600465  Size: FS
Lighting Systems Components
Exterior Lights Circuit Description
Clearance and Identification Lamps
Turn/Hazard Flasher Module, Stoplamps Switch-Air Brakes
Front and Rear Lighting, IP Indicators
Front and Rear Lighting, IP Indicators
Front and Rear Lighting, IP Indicators
Front and Rear Lighting, IP Indicators
Front and Rear Lighting, IP Indicators
Front and Rear Lighting, IP Indicators
IP Fuse Block, Circuit Breakers 22, 23, 24, 25, 26
IP Fuse Block, Circuit Breakers 22, 23, 24, 25, 26
Figure 4:

Clearance and Identification Lamps


Object Number: 600467  Size: FS
Lighting Systems Components
Exterior Lights Circuit Description
Lighted Mirrors
Turn/Hazard Flasher Module, Stoplamps Switch-Hydraulic Brakes
Taillamps Switch and Relay
Taillamps Switch and Relay
Taillamps Switch and Relay
G105 Continued, S330, S346, S347, S348
G105 Continued, S330, S346, S347, S348
G105 Continued, S330, S346, S347, S348
G105 Continued, S345, S359, S360, S600
G105 Continued, S324, S325, S326, S327, S500
G105 Continued, S324, S325, S326, S327, S500
G105 Continued, S324, S325, S326, S327, S500
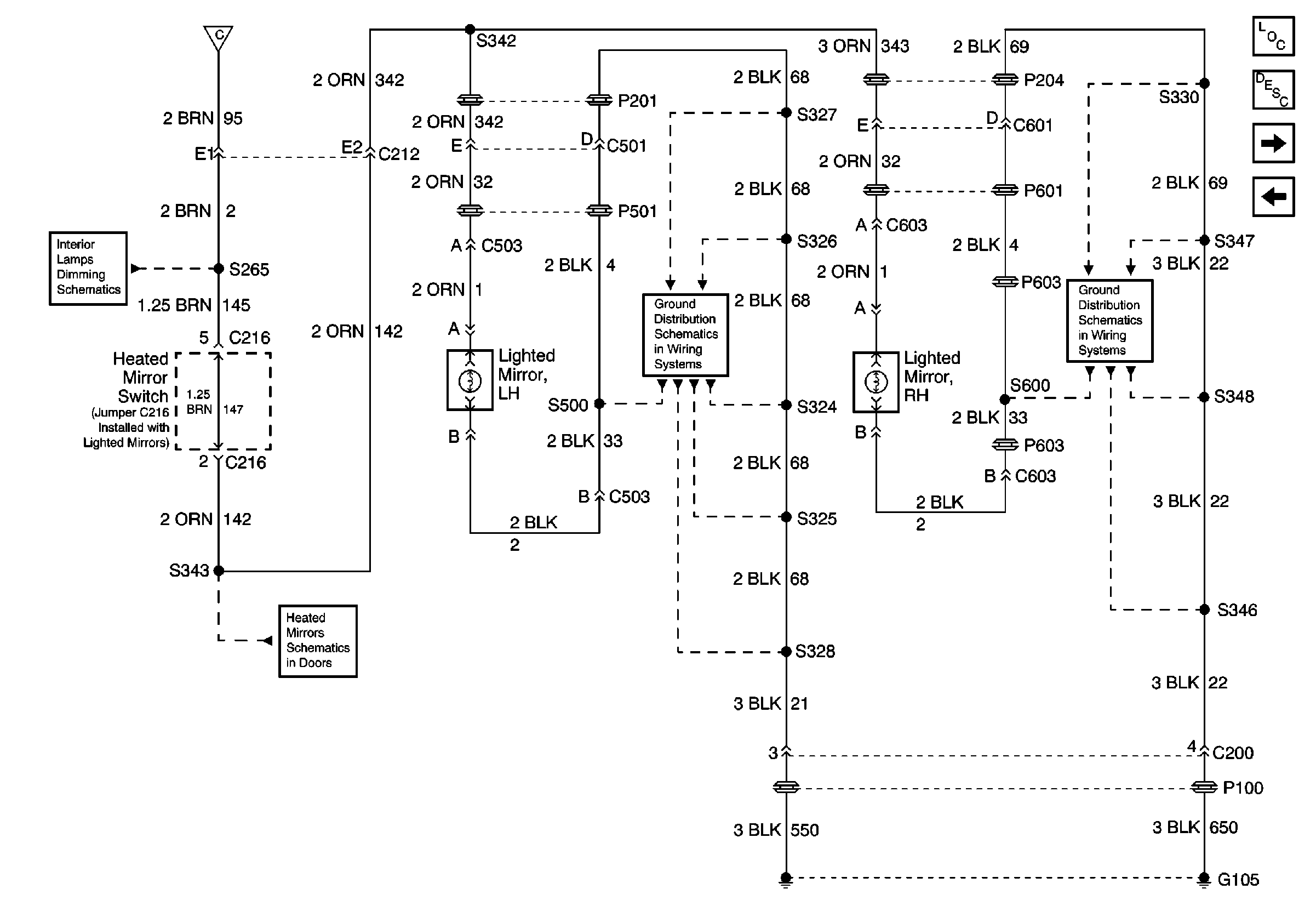
Figure 5:

Lighted Mirrors


Object Number: 600468  Size: FS
Lighting Systems Components
Exterior Lights Circuit Description
Front and Rear Lighting, IP Indicators
Clearance and Identification Lamps
Taillamps Switch and Relay
Interior Lights Dimming Schematics
Outside Rearview Mirror Schematics
G105 Continued, S324, S325, S326, S327, S500
G105 Continued, S330, S346, S347, S348
Figure 6:

Front and Rear Lighting, IP Indicators


Object Number: 600470  Size: FS
Lighting Systems Components
Exterior Lights Circuit Description
Lighted Mirrors
Turn/Hazard Flasher Module, Stoplamps Switch-Hydraulic Brakes
Taillamps Switch and Relay
Turn/Hazard Flasher Module, Stoplamps Switch-Hydraulic Brakes
Turn/Hazard Flasher Module, Stoplamps Switch-Hydraulic Brakes
Taillamps Switch and Relay
Turn/Hazard Flasher Module, Stoplamps Switch-Hydraulic Brakes
Turn/Hazard Flasher Module, Stoplamps Switch-Hydraulic Brakes
Turn/Hazard Flasher Module, Stoplamps Switch-Hydraulic Brakes
G107, S103
G107, S103
G405
G105 Continued, S324, S325, S326, S327, S500