GM Service Manual Online
For 1990-2009 cars only
Makes
🢒
Isuzu
🢒
2001
🢒
Isuzu T-Series (Truck Line C)
🢒
Brakes
🢒
Park Brake
🢒 Park Brake System Schematics
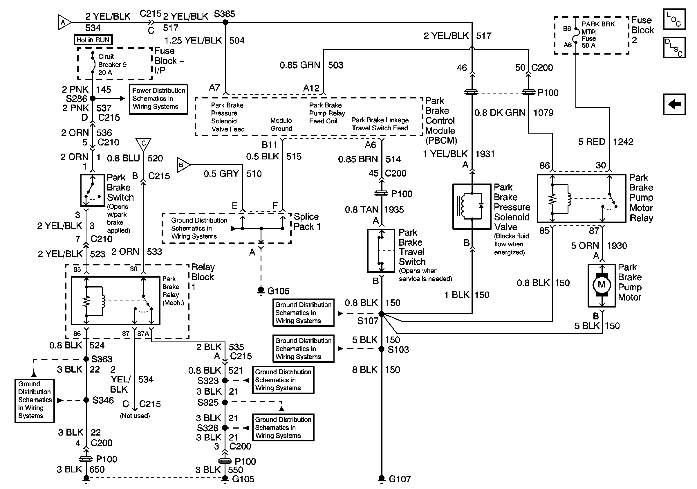
Figure
1:
Spring Assisted Park Brake Schematics 1 of 2
Master Electrical Component List
Park Brake System Description and Operation
Spring Assisted Park Brake Schematics 2 of 2
G105 Continued, S346, S347, S348, S363
Spring Assisted Park Brake Schematics 2 of 2
IP Fuse Block, Circuit Breakers 7, 8
IP Fuse Block, Circuit Breaker 9 (1 of 3)
Circuit Breaker 9 (2 of 3)
Spring Assisted Park Brake Schematics 2 of 2
Spring Assisted Park Brake Schematics 2 of 2
Figure
2:
Spring Assisted Park Brake Schematics 2 of 2
Master Electrical Component List
Park Brake System Description and Operation
Spring Assisted Park Brake Schematics 1 of 2
Spring Assisted Park Brake Schematics 1 of 2
Spring Assisted Park Brake Schematics 1 of 2
Spring Assisted Park Brake Schematics 1 of 2
G105 Continued, Splice Pack 1, Splice Pack 4, S450
G105 Continued, S346, S347, S348, S363
G107 Continued, S107
G107, S103
G105 Continued, S323, S337, S339, S357, S358
G105, S325, S328