GM Service Manual Online
For 1990-2009 cars only
Makes
🢒
Isuzu
🢒
2001
🢒
Isuzu T-Series (Truck Line C)
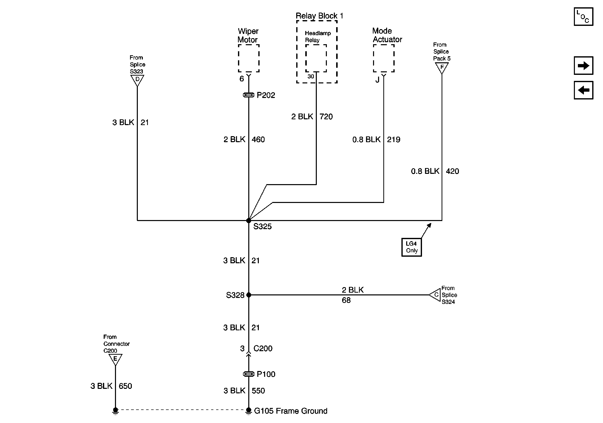
🢒 G105, S325, S328
G105, S325, S328
G105, S325, S328
Master Electrical Component List
G105 Continued, S324, S326, S500
G107 Continued, S109 (LG5 Only), S148, S423, S424
G105 Continued, S323, S337, S339, S357, S358
G105 Continued, S346, S347, S348, S363
G105 Continued, Splice Pack 5, S242
G105 Continued, S324, S326, S500