GM Service Manual Online
For 1990-2009 cars only
Makes
🢒
Isuzu
🢒
2001
🢒
Isuzu T-Series (Truck Line C)
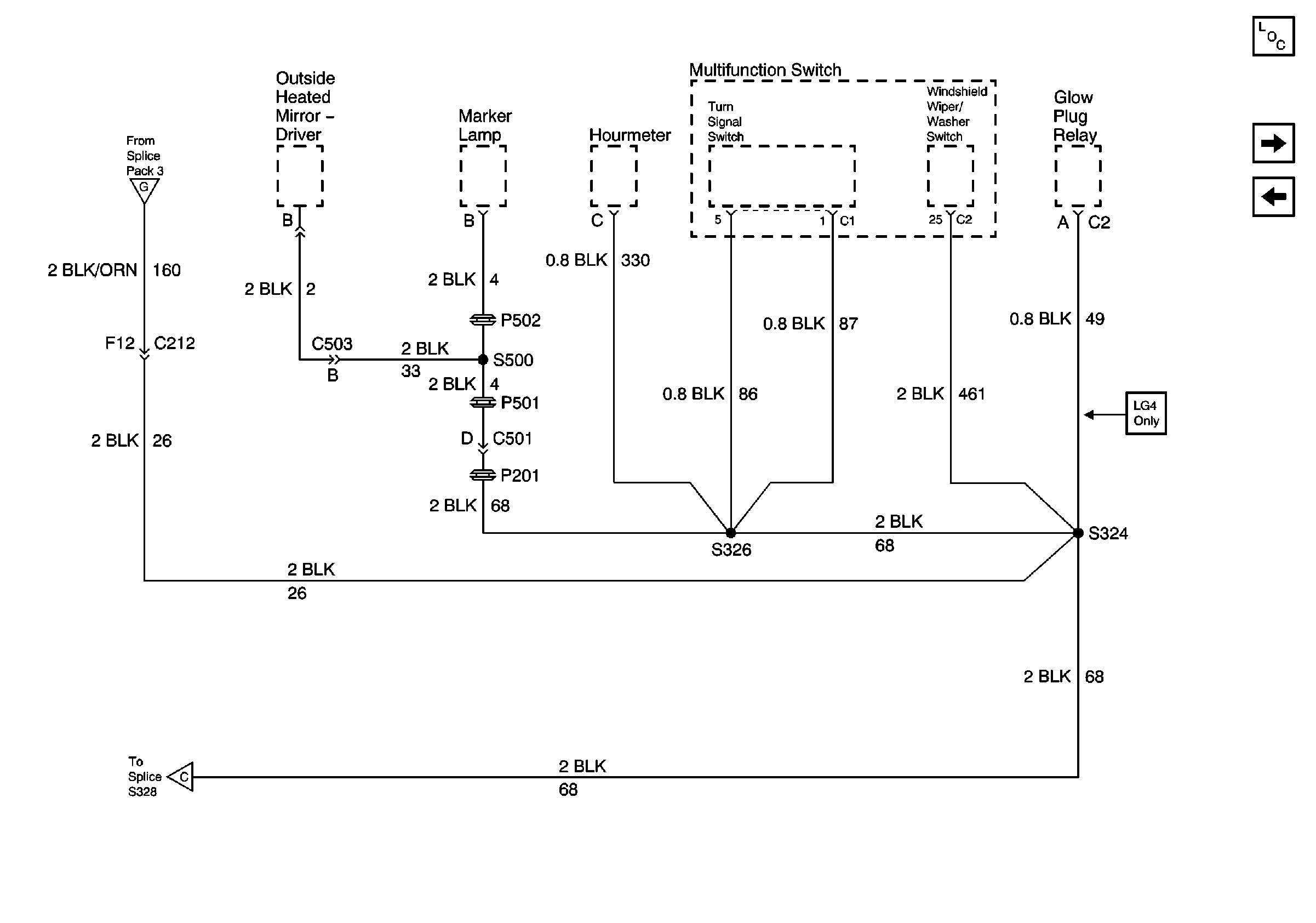
🢒 G105 Continued, S324, S326, S500
G105 Continued, S324, S326, S500
G105 Continued, S324, S326, S500
Master Electrical Component List
G105 Continued, S323, S337, S339, S357, S358
G105, S325, S328
G105 Continued, Splice Pack 3, S361
G105, S325, S328