GM Service Manual Online
For 1990-2009 cars only
Makes
🢒
Isuzu
🢒
2001
🢒
Isuzu T-Series (Truck Line C)
🢒
Brakes
🢒
Air Brakes
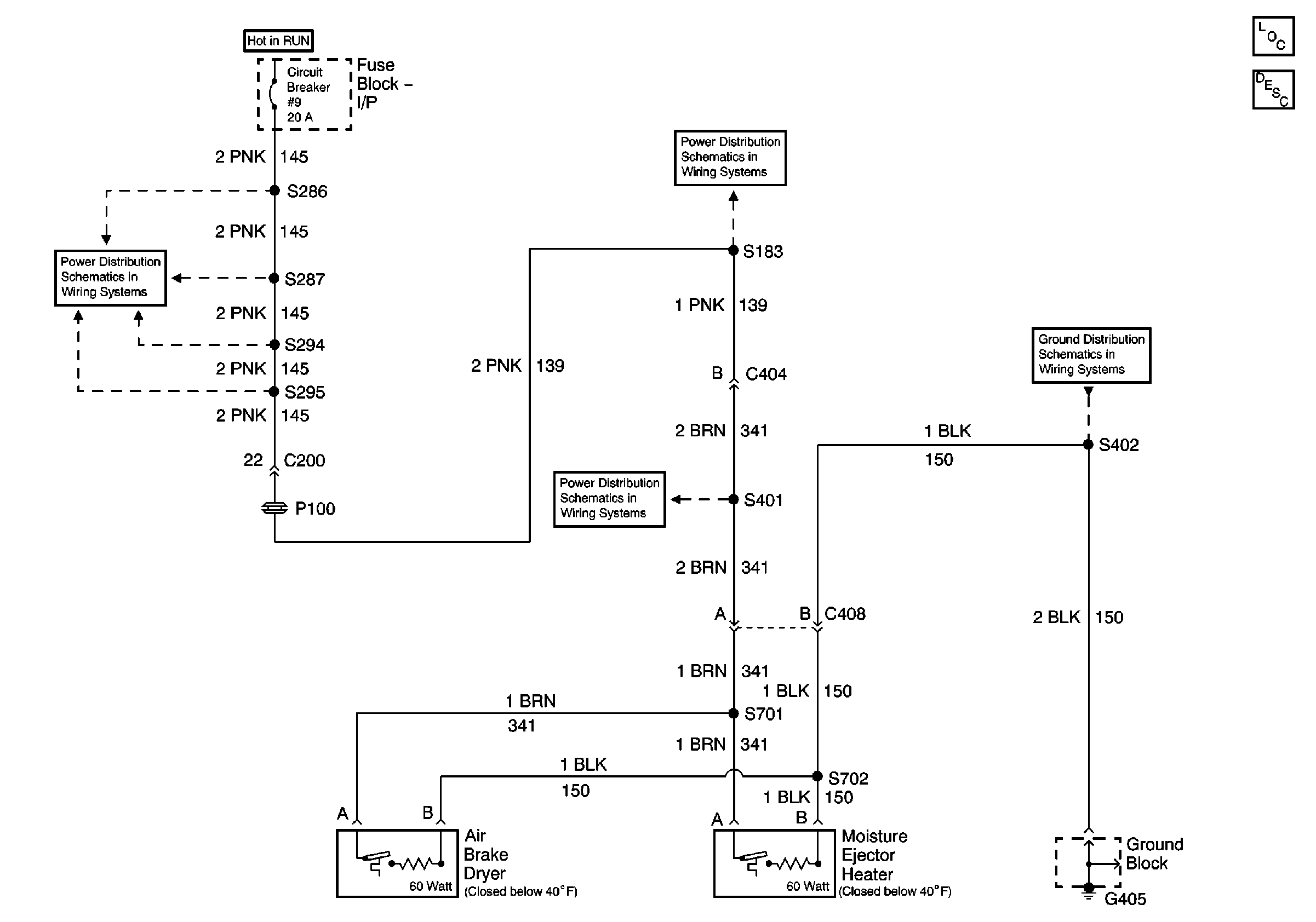
🢒 Air Brake Dryer Schematic
Air Brake Dryer/Moisture Ejector Heater
Master Electrical Component List
Brake Warning System Description and Operation
IP Fuse Block, Circuit Breaker 9 (1 of 2)
Circuit Breaker 9 (2 of 2)
Circuit Breaker 9 (2 of 2)
G404, G405, G406, S402, S415, S416, S421, S422, S702