GM Service Manual Online
For 1990-2009 cars only
Makes
🢒
Isuzu
🢒
2001
🢒
Isuzu T-Series (Truck Line C)
🢒
Brakes
🢒
Antilock Brake System
🢒 Antilock Brake System Schematics
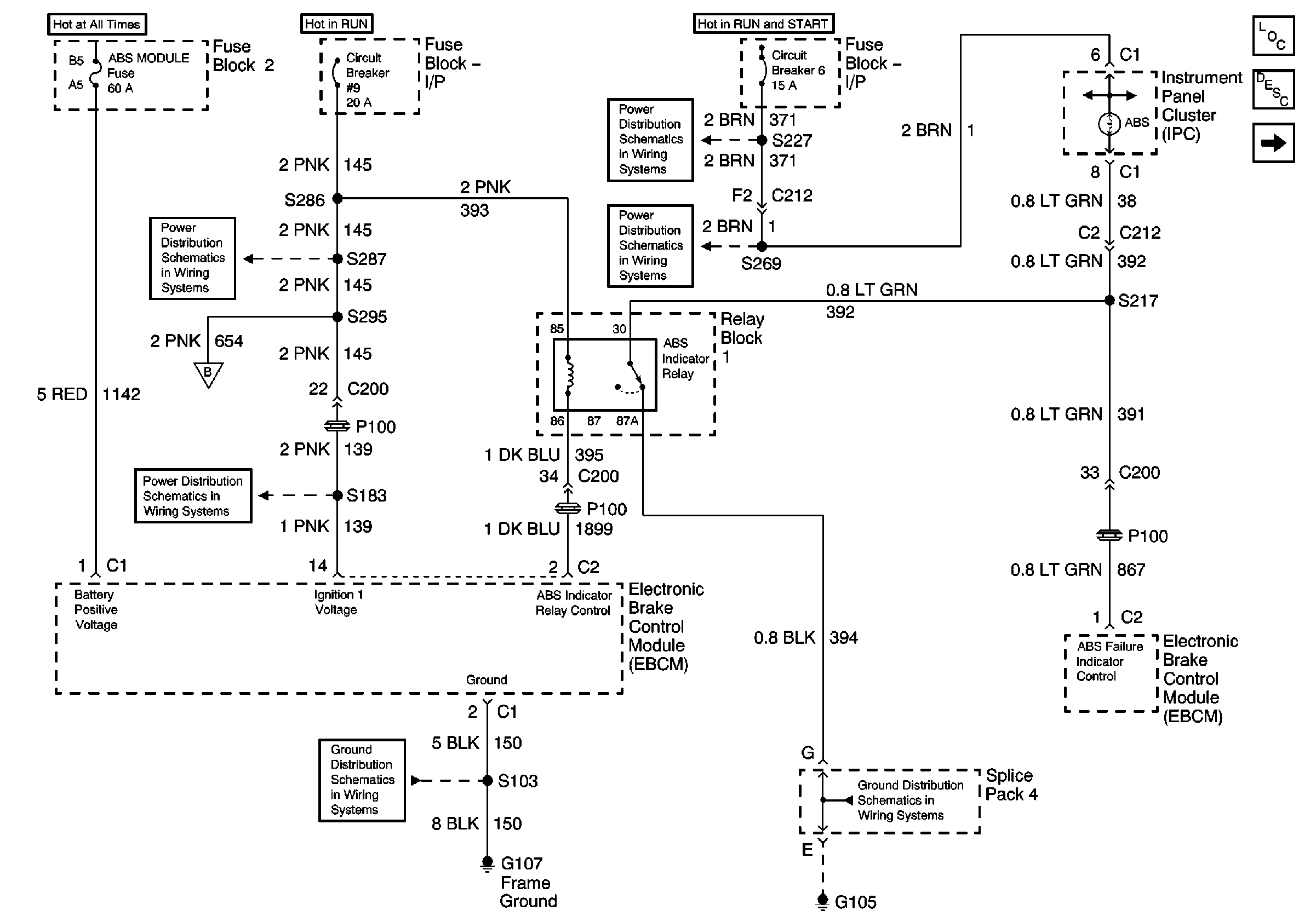
Figure
1:
(1 of 3)
Master Electrical Component List
ABS Description and Operation
(2 of 3)
IP Fuse Block, Circuit Breaker 9 (1 of 2)
(2 of 3)
Circuit Breaker 9 (2 of 2)
IP Fuse Block, Circuit Breaker 6 (1 of 2)
Circuit Breaker 6 (2 of 2)
G107, S101, S103, S105
G105 Continued, Splice Pack 1, Splice Pack 4, S450
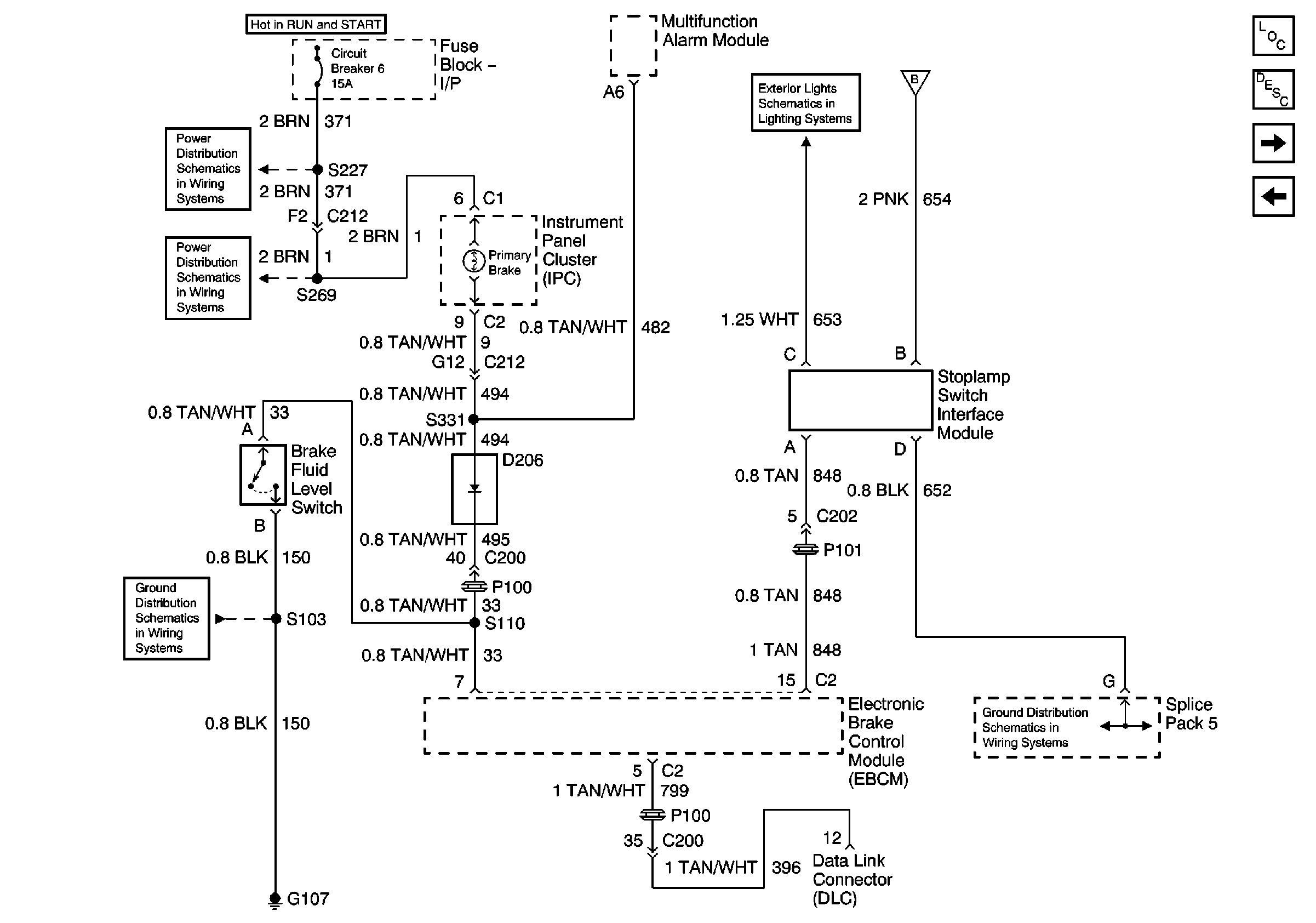
Figure
2:
(2 of 3)
Master Electrical Component List
ABS Description and Operation
(3 of 3)
(1 of 3)
IP Fuse Block, Circuit Breaker 6 (1 of 2)
Circuit Breaker 6 (2 of 2)
G107, S101, S103, S105
G105 Continued, Splice Pack 5, S338
Hazard Flasher, Stop Lamps Switch-JE5
(1 of 3)
Figure
3:
(3 of 3)
Master Electrical Component List
ABS Description and Operation
(2 of 3)