GM Service Manual Online
For 1990-2009 cars only
Makes
🢒
Isuzu
🢒
2001
🢒
Isuzu T-Series (Truck Line C)
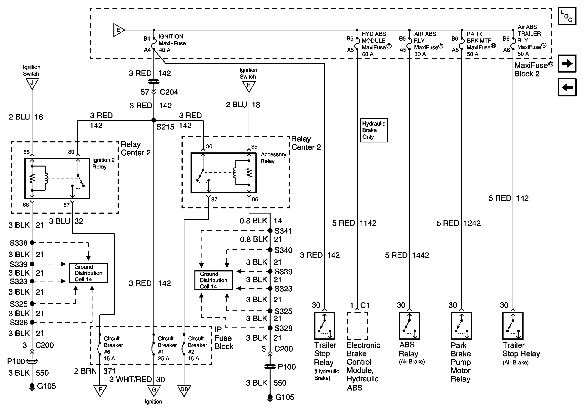
🢒 Fuse Block 2, IGNITION, HYD ABS, AIR ABS, PARK BRK MTR, AIR ABS TRAILER Fuses
Fuse Block 2, IGNITION, HYD ABS, AIR ABS, PARK BRK MTR, AIR ABS TRAILER Fuses
Fuse Block 2, IGNITION, HYD ABS, AIR ABS, PARK BRK MTR, AIR ABS TRAILER Fuses
Power and Grounding Components
Ignition Switch
Fuse Block 2, 2 SPEED AXLE, HVAC, TURN SIG Fuses
Ignition Switch
Ignition Switch
Fuse Block 1, EXT LIGHTING, GENERATOR/CHASSIS, WIPER/HVAC Fuses
Ignition Switch
Circuit Breakers 1, 2, 5