GM Service Manual Online
For 1990-2009 cars only
Makes
🢒
Isuzu
🢒
2001
🢒
Isuzu T-Series (Truck Line C)
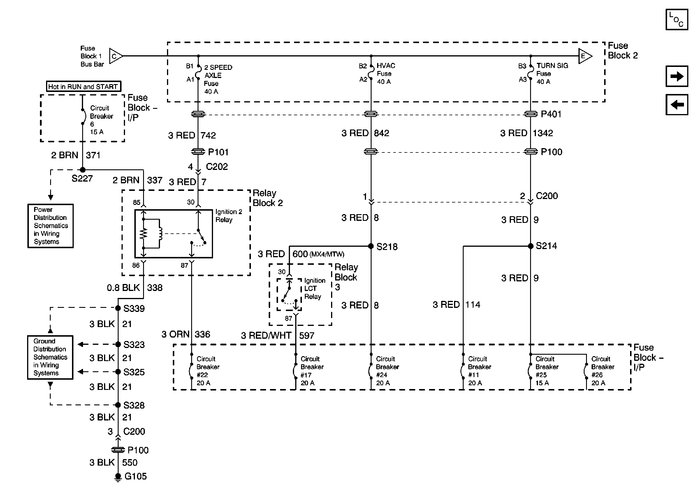
🢒 Fuse Block 2, 2 SPEED AXLE, HVAC, TURN SIG Fuses
Fuse Block 2, 2 SPEED AXLE, HVAC, TURN SIG Fuses
Fuse Block 2, 2 SPEED AXLE, HVAC, TURN SIG Fuses
Master Electrical Component List
Ignition Switch
Fuse Block 1, BRK BOOST MTR, COMPUTER/PRKBRK/ENG CONTROL, AUX Fuses
IP Fuse Block, Circuit Breaker 6 (1 of 3)
G105, S325, S328
(LG5) Batteries, Fuse Block 1, EXT LIGHTING, GENERATOR/CHASSIS, WIPER/HVAC Fuses
Fuse Block 2, IGNITION, ABS MODULE (JE3), ABS RLY (JE5), TRAILER STOPRLYS, PARK BRK MTR Fuses