GM Service Manual Online
For 1990-2009 cars only
Makes
🢒
Isuzu
🢒
2001
🢒
Isuzu T-Series (Truck Line C)
🢒 Suspension Controls Schematics
Suspension Controls Schematics
Master Electrical Component List
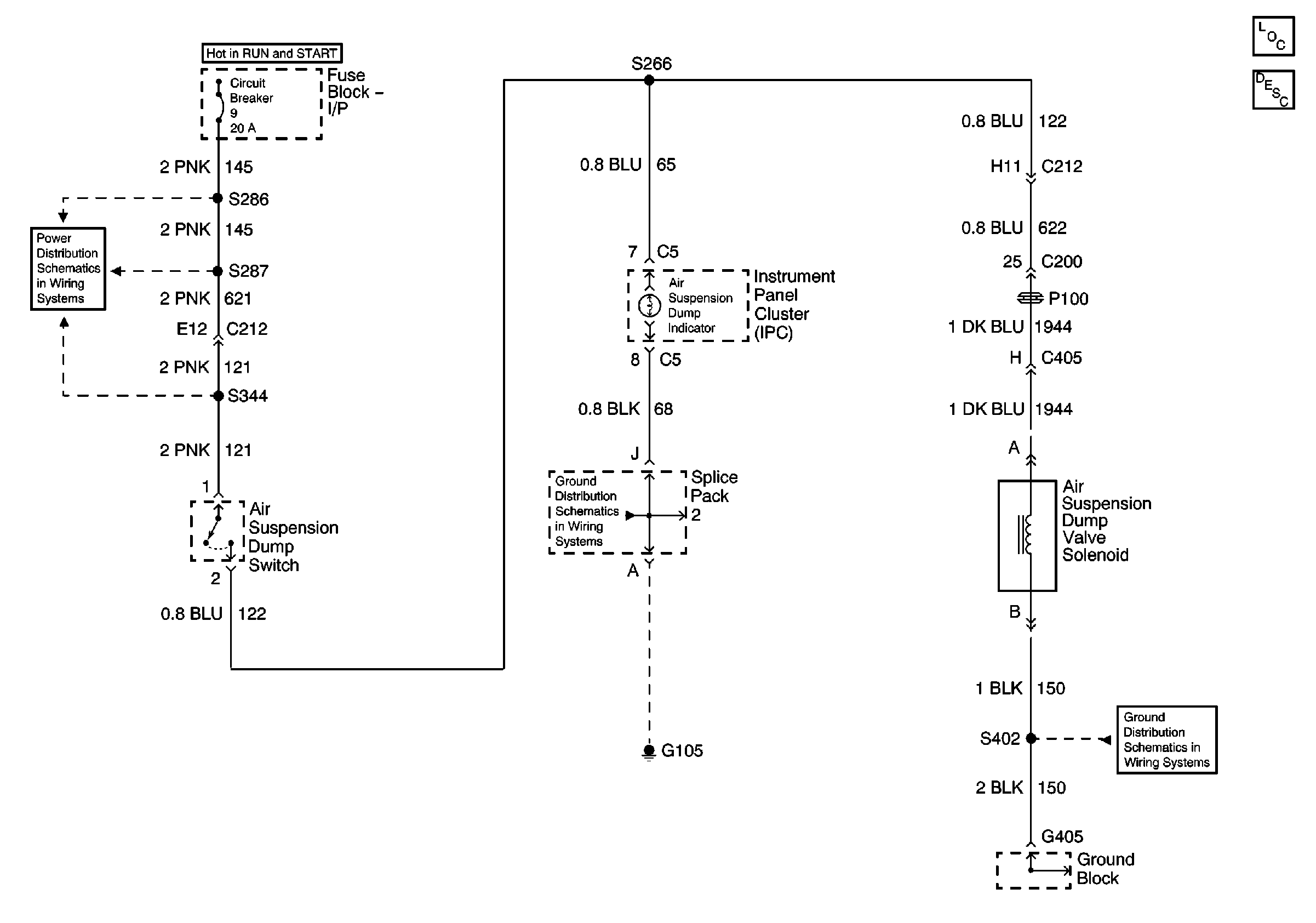
Air Suspension Description and Operation
IP Fuse Block, Circuit Breaker 9 (1 of 2)
IP Fuse Block, Circuit Breaker 9 (1 of 2)
G404, G405, G406, S402, S415, S416, S421, S422, S702
Interior Lights Dimming Schematics
Interior Lights Dimming Schematics
G105 S328, S325