GM Service Manual Online
For 1990-2009 cars only
Makes
🢒
Isuzu
🢒
2001
🢒
Isuzu T-Series (Truck Line C)
🢒 Starting Circuit
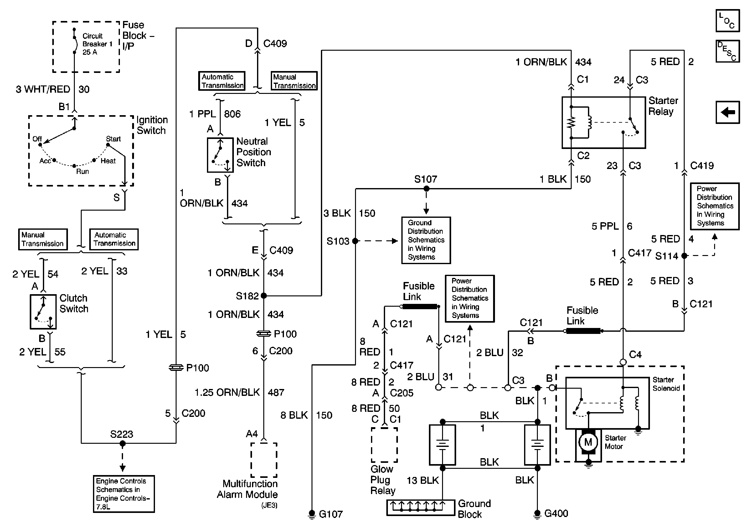
Starting Circuit
Starting Circuit
Master Electrical Component List
Charging System Description and Operation
Charging Circuit
G107 Continued, S107
Fuse Block 1, EXT LIGHTING, GENERATOR/CHASSIS, WIPER/HVAC Fuses
Fuse Block 1, EXT LIGHTING, GENERATOR/CHASSIS, WIPER/HVAC Fuses
Automatic Transmission Modulator, High Idle Switch, Clutch Switch