GM Service Manual Online
For 1990-2009 cars only
Makes
🢒
Isuzu
🢒
2002
🢒
Isuzu T-Series (Truck Line C)
🢒
Body and Accessories
🢒
Doors
🢒 Power Window Schematics
Master Electrical Component List
Power Windows Description and Operation
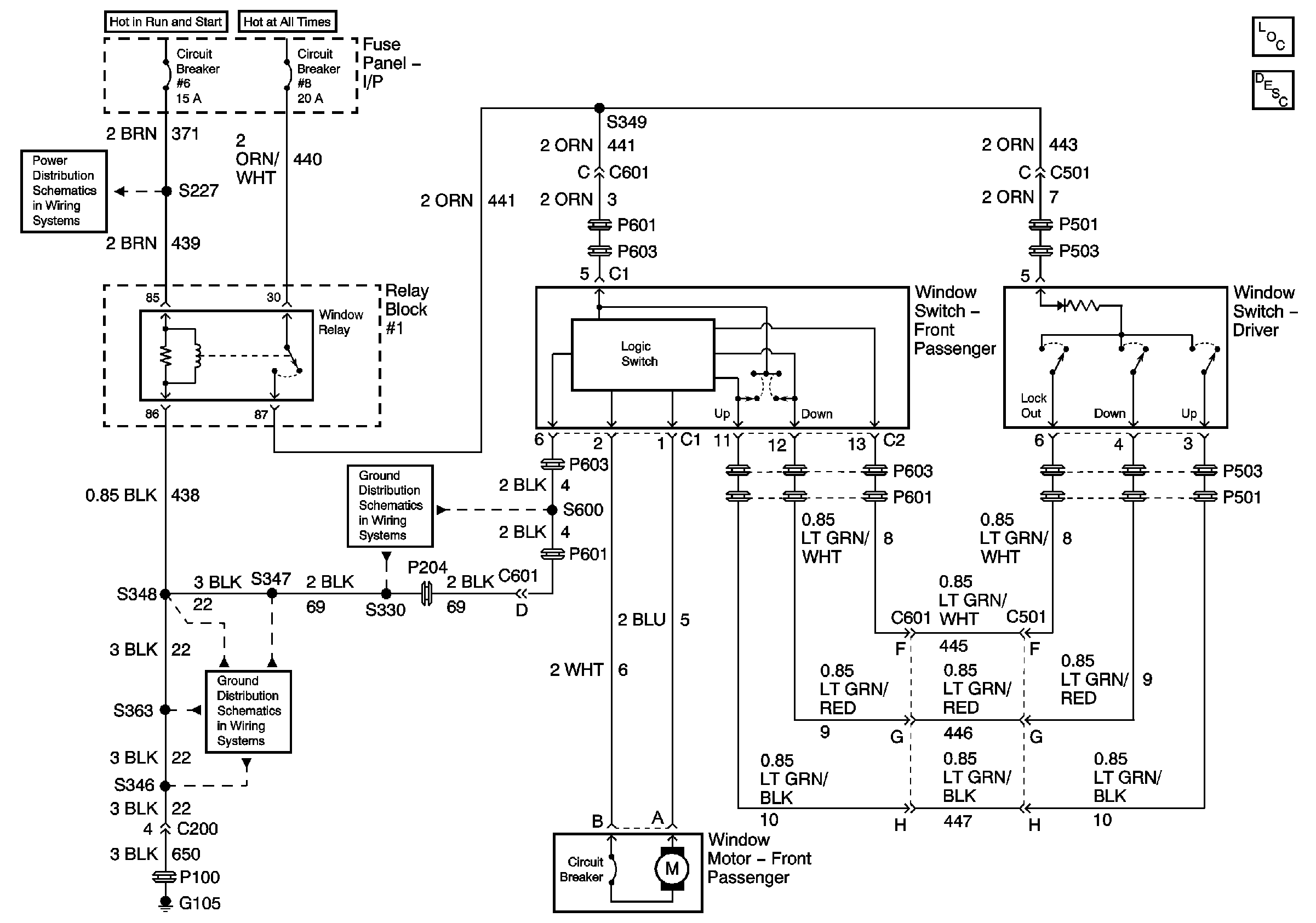
IP Fuse Block, Curcuit Breaker 6, Page 1 of 2
G105, S346, S347, S348, S363
G105, S330, S345, S349, S359, S360, S600