GM Service Manual Online
For 1990-2009 cars only
Makes
🢒
Isuzu
🢒
2002
🢒
Isuzu T-Series (Truck Line C)
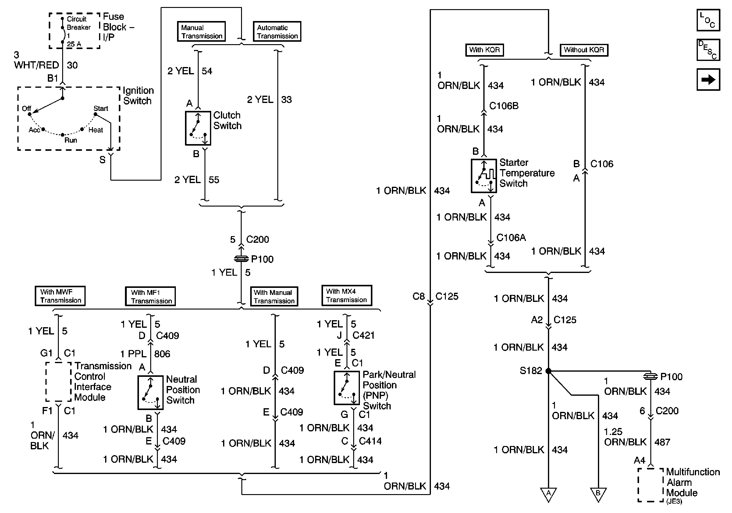
🢒 Starting Circuit (1 of 2)
Starting Circuit (1 of 2)
Starting Circuit (1 of 2)
Master Electrical Component List
Starting System Description and Operation
Starting Circuit (2 of 2)
Starting Circuit (2 of 2)
Starting Circuit (2 of 2)