GM Service Manual Online
For 1990-2009 cars only
Makes
🢒
Isuzu
🢒
2002
🢒
Isuzu T-Series (Truck Line C)
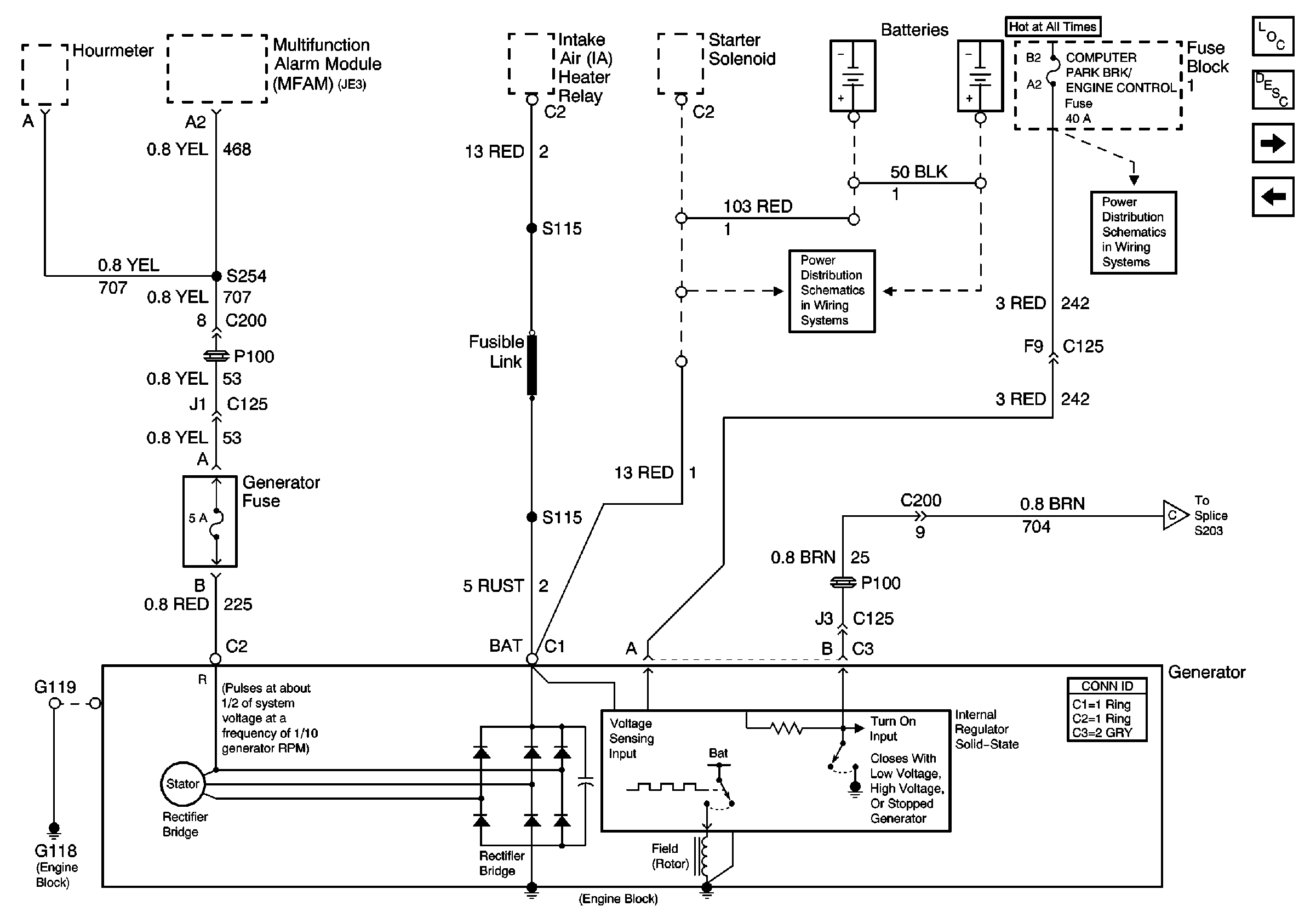
🢒 Charging Circuit (1 of 2)
Charging Circuit (1 of 2)
Charging Circuit (1 of 2)
Master Electrical Component List
Charging System Description and Operation
Charging Circuit (2 of 2)
Starting Circuit (2 of 2)
Charging Circuit (2 of 2)
(LG5) Batteries, Fuse Block 1, EXT LIGHTING, GENERATOR/CHASSIS, WIPER/HVAC Fuses
Fuse Block 1, BRK BOOST MTR, COMPUTER/PRKBRK/ENG CONTROL, AUX Fuses