GM Service Manual Online
For 1990-2009 cars only
Makes
🢒
Isuzu
🢒
2002
🢒
Isuzu T-Series (Truck Line C)
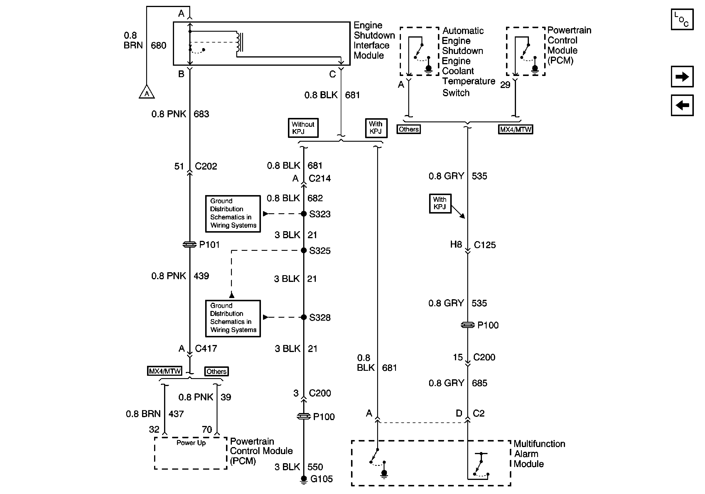
🢒 Automatic Engine Shutdown, w/JE5
Automatic Engine Shutdown, w/JE5
Automatic Engine Shutdown, w/JE5
Master Electrical Component List
Dual Fuel Tank Control
Stoplamp Switch and Stoplamp Switch Interface Module, w/JE3
Air Intake Heater, Indicators
G105 Continued, S323, S337, S339, S357, S358
G105, S325, S328