GM Service Manual Online
For 1990-2009 cars only
Makes
🢒
Isuzu
🢒
2002
🢒
Isuzu T-Series (Truck Line C)
🢒 Instrument Panel Cluster
Instrument Panel Cluster
Instrument Panel Cluster
Master Electrical Component List
Throttle Position Sensor, Stoplamp Switch Inputs
Speedometer Adapter
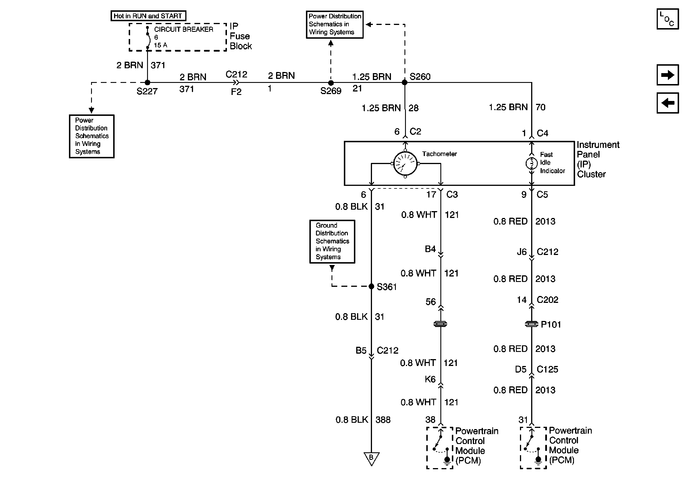
IP Fuse Block, Circuit Breaker 6 (1 of 3)
G105 Continued, Splice Pack 3, S361
Speedometer Adapter
G105 Continued, S323, S337, S339, S357, S358
G105, S325, S328
Circuit Breaker 6 (2 of 3)