GM Service Manual Online
For 1990-2009 cars only
Makes
🢒
Isuzu
🢒
2002
🢒
Isuzu T-Series (Truck Line C)
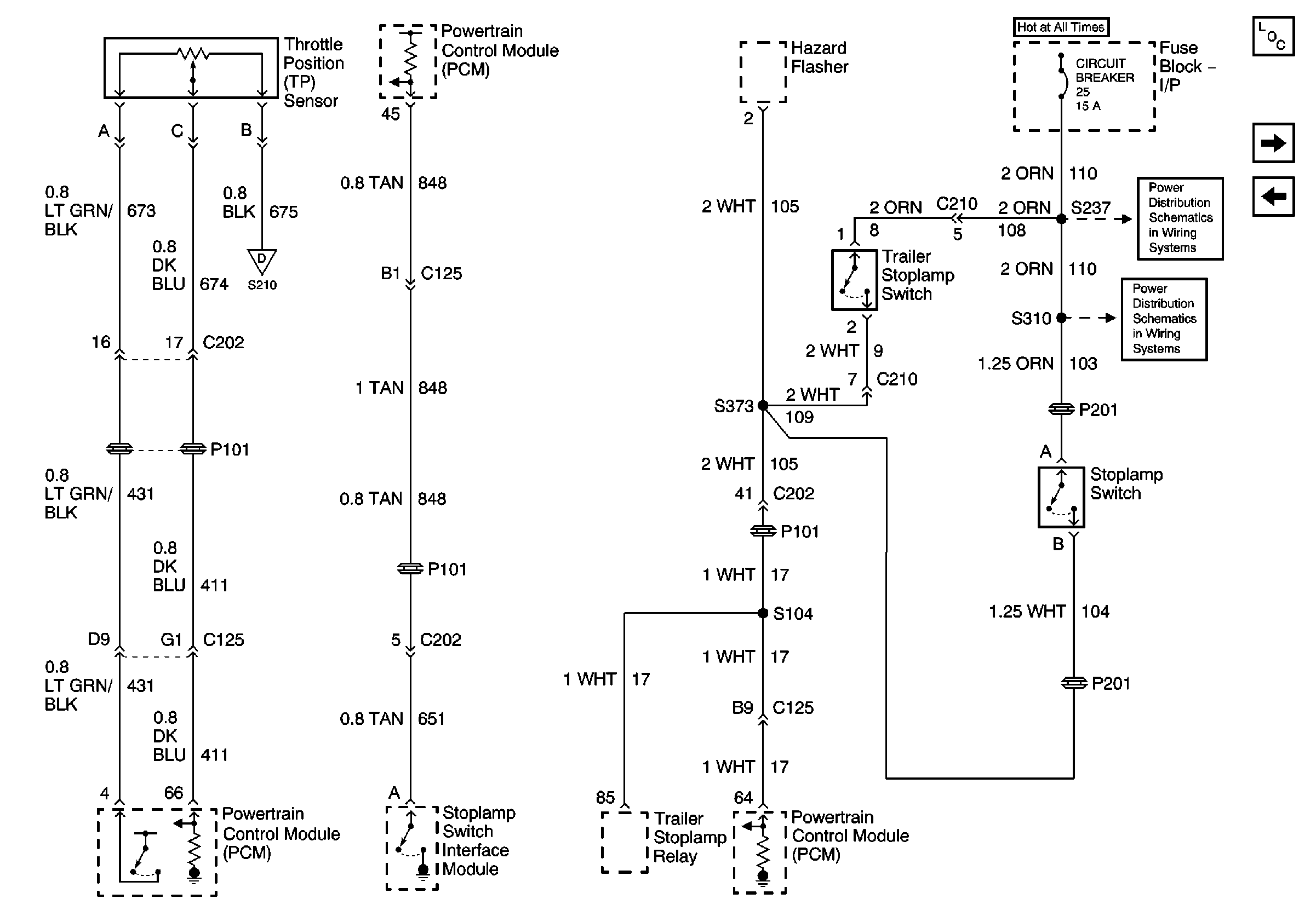
🢒 Throttle Position Sensor, Stoplamp Switch Inputs
Throttle Position Sensor, Stoplamp Switch Inputs
Throttle Position Sensor, Stoplamp Switch Inputs
Master Electrical Component List
Fuel Heater, PCM inputs
Instrument Panel Cluster
Fast Idle, Clutch Switch Inputs
IP Fuse Block, Circuit Breakers 24, 25, 26
IP Fuse Block, Circuit Breakers 24, 25, 26