GM Service Manual Online
For 1990-2009 cars only
Makes
🢒
Isuzu
🢒
2002
🢒
Isuzu T-Series (Truck Line C)
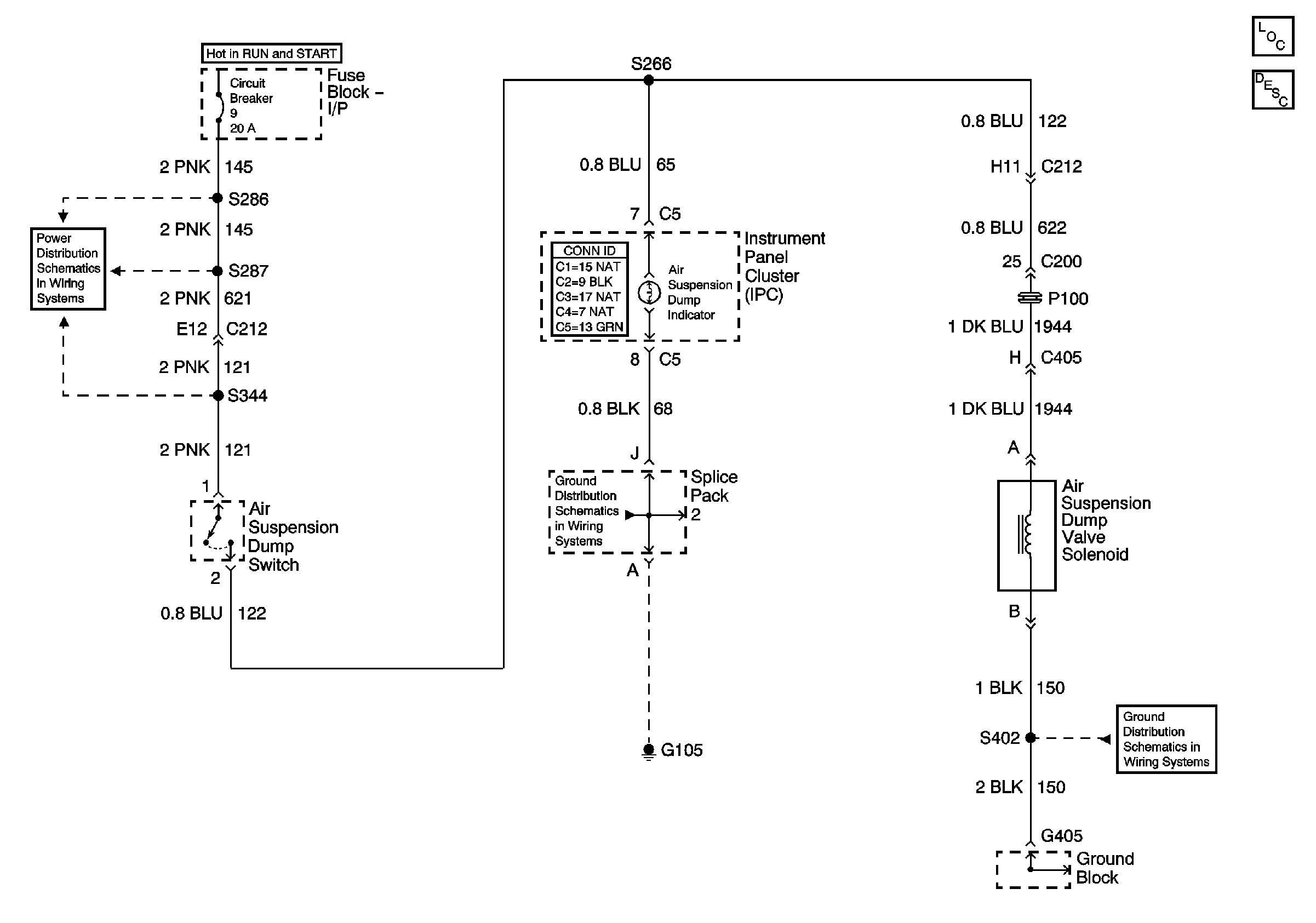
🢒 Air Suspension Dump Switch and Valve Solenoid
Air Suspension Dump Switch and Valve Solenoid
Master Electrical Component List
Air Suspension Description and Operation
Power Distribution System Schematics - FB I/P, Circuit Breaker 9
Ground Distribution Schematics - Splice Pack 2
Ground Distribution Schematics - G404, G405, G406, S402, S415, S421