GM Service Manual Online
For 1990-2009 cars only
Makes
🢒
Isuzu
🢒
2002
🢒
Isuzu T-Series (Truck Line C)
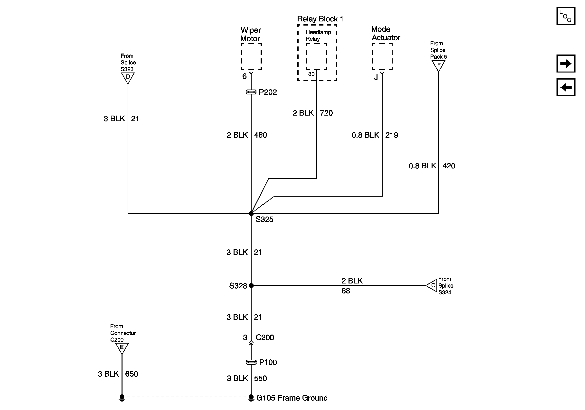
🢒 G105, S325, S328
G105, S325, S328
G105 S328, S325
Master Electrical Component List
G105, S324, S326, S500
G107, S107
G105, S323, S337, S339, S357, S358
G105, Splice Pack 5, S338
G105, S324, S326, S500
G105, S346, S347, S348, S363