GM Service Manual Online
For 1990-2009 cars only
Makes
🢒
Isuzu
🢒
2002
🢒
Isuzu T-Series (Truck Line C)
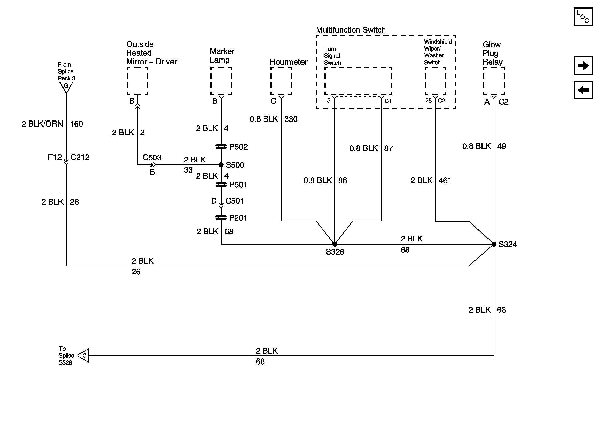
🢒 G105, S324, S326, S500
G105, S324, S326, S500
G105 Continued, S324, S326, S500
Master Electrical Component List
G105, S346, S347, S348, S363
G105, S325, S328
G 407, Splice Pack 3, S120, S121, S122, S150, S242, S361
G105, S325, S328