GM Service Manual Online
For 1990-2009 cars only
Makes
🢒
Isuzu
🢒
2002
🢒
Isuzu T-Series (Truck Line C)
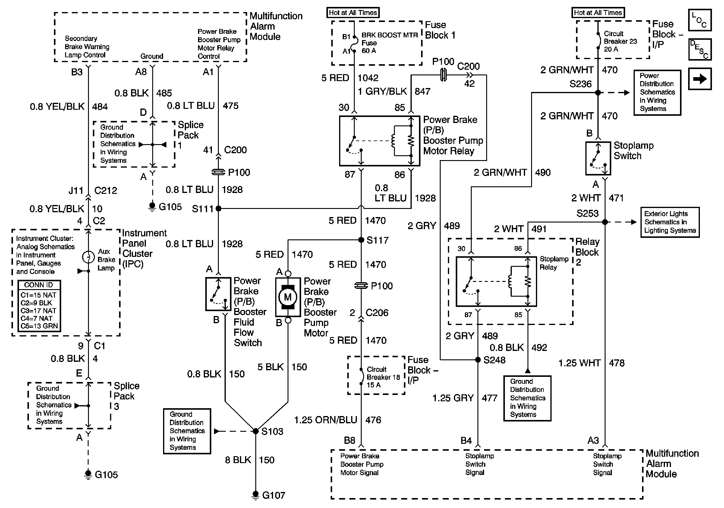
🢒 PWR BRK Booster Pump MTR and RLY
PWR BRK Booster Pump MTR and RLY
PWR BRK Booster Pump MTR and RLY
Master Electrical Component List
Brake Warning System Description and Operation
IPC, MAM and BRK Fluid Level SW
Aux Brake, Apply Park Brake, RH Turn, LH Turn, Service Parke Brake Lamps and Hourmeter
G 407, Splice Pack 3, S120, S121, S122, S150, S242, S361
G105, Splice Pack 1, Splice Pace 4, S450
G107, S101, S103, S105
G105, S323, S337, S339, S357, S358
IP Fuse Block, Circuit Breakers 22, 23, 24, 25, 26
Hazard Flasher, Stop Lamps Switch - JE5