GM Service Manual Online
For 1990-2009 cars only
Makes
🢒
Isuzu
🢒
2002
🢒
Isuzu T-Series (Truck Line C)
🢒 IPC, MAM and BRK Fluid Level SW
IPC, MAM and BRK Fluid Level SW
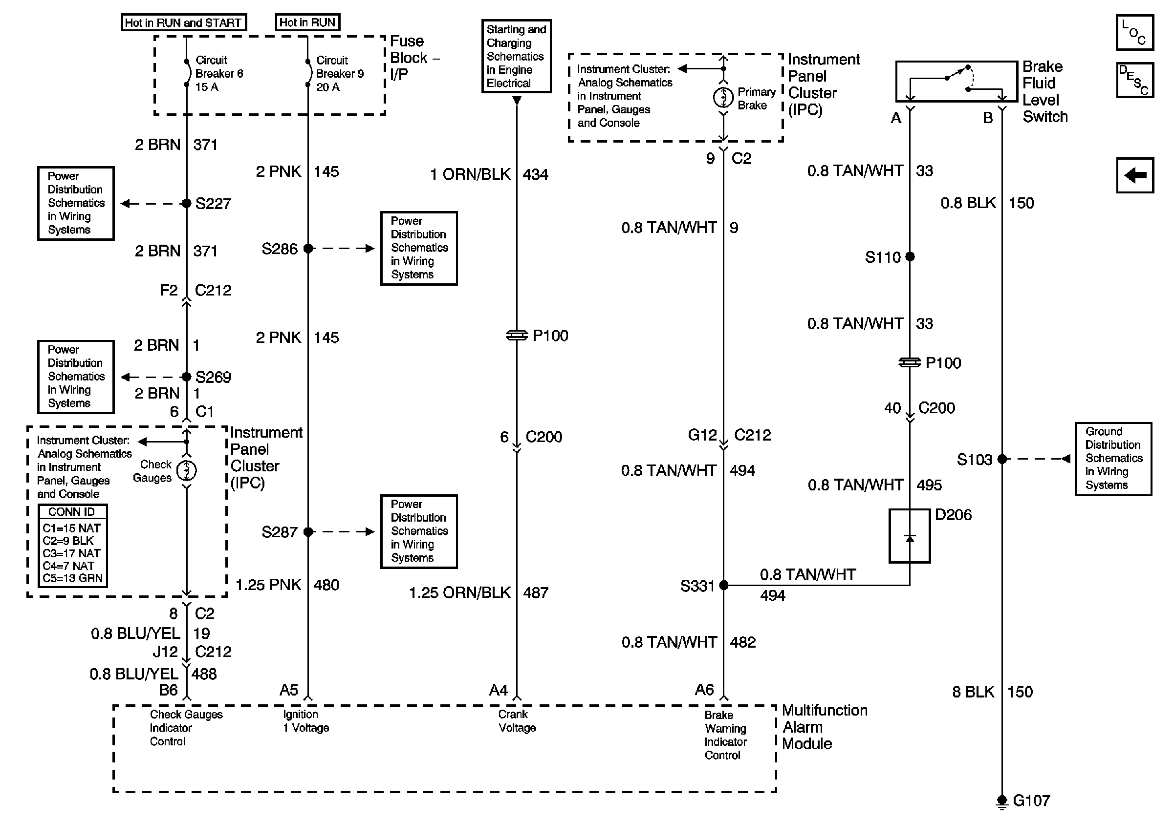
IPC, MAM, and BRK Fluid Level SW
Master Electrical Component List
Brake Warning System Description and Operation
PWR BRK Booster Pump MTR and RLY
IP Fuse Block, Curcuit Breaker 6, Page 1 of 2
IP Fuse Block, Circuit Breaker 6, Page 2 of 2
IP Fuse Block, Circuit Breaker 6, Page 2 of 2
IP Fuse Block Circuit Breaker 9, Page 1 of 2
IP Fuse Block Circuit Breaker 9, Page 1 of 2
Starting Circuit
Illumination, Seat Belt, Primary Brake, ABS, and Park Brake Lamps
G107, S101, S103, S105