GM Service Manual Online
For 1990-2009 cars only
Makes
🢒
Isuzu
🢒
2007
🢒
Isuzu - N Series
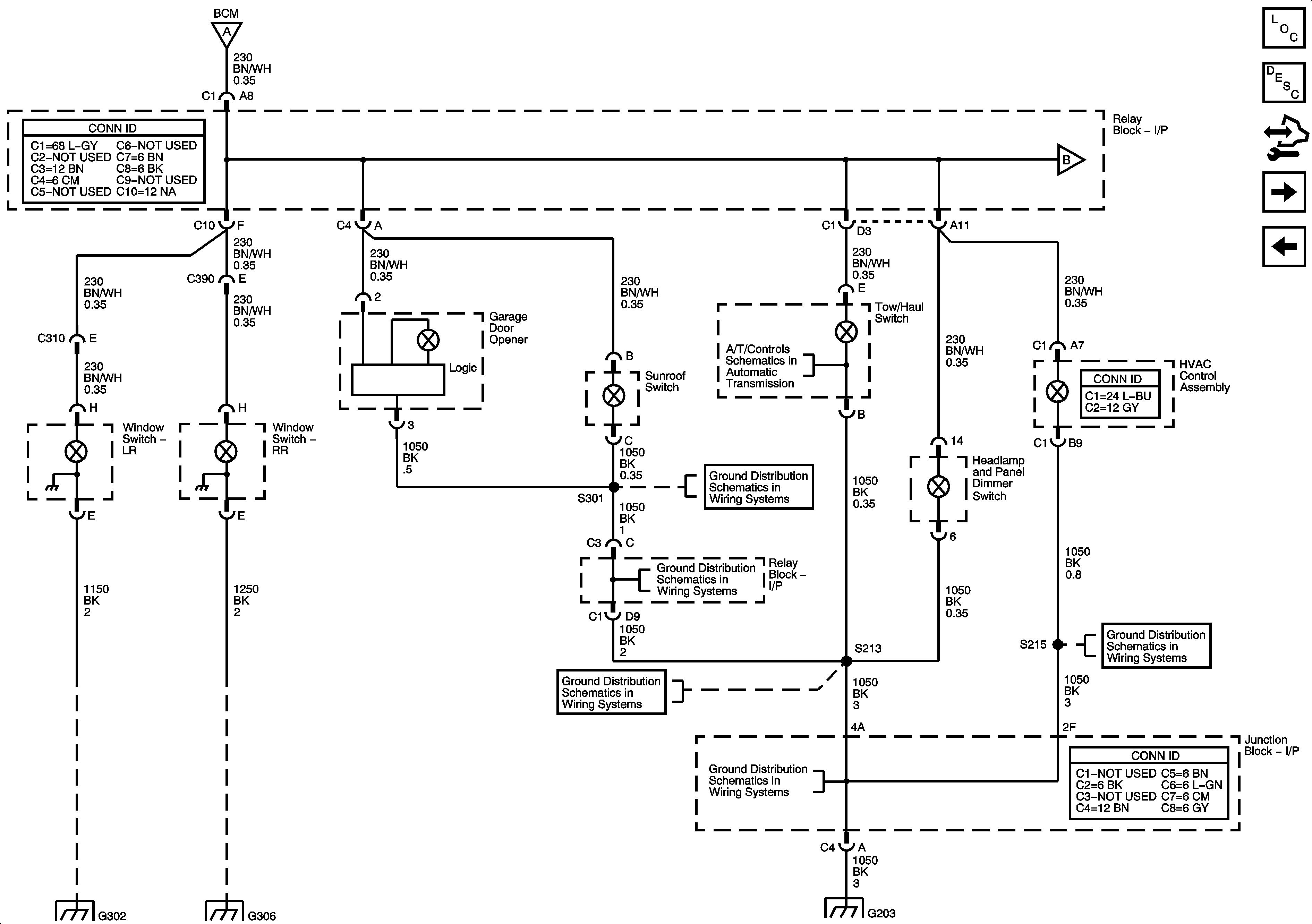
🢒 Instrument Panel Dimming - 2 of 5
Instrument Panel Dimming - 2 of 5
Instrument Panel Dimming - 2 of 5
Master Electrical Component List
Interior Lighting Systems Description and Operation
Control Module References
Instrument Panel Dimming - 3 of 5
Instrument Panel Dimming - 1 of 5 and LED Dimming - 1 of 2
Courtesy Lamps - Rear Doors and B-Pillars
Courtesy Lamps - Headliner
PNP Switch, 4WD Signal, Serial Data, and Indicator
G203 - 2 of 3
G203 - 2 of 3
G203 - 2 of 3
G203 - 2 of 3
Ground Distribution Schematics
G203 - 1 of 3
G302, G304, and G306
G302, G304, and G306