GM Service Manual Online
For 1990-2009 cars only
Makes
🢒
Isuzu
🢒
2000
🢒
S/T Isuzu - 2WD
🢒
Body and Accessories
🢒
Retained Accessory Power
🢒 Retained Accessory Power (RAP) Schematics
Figure
1:
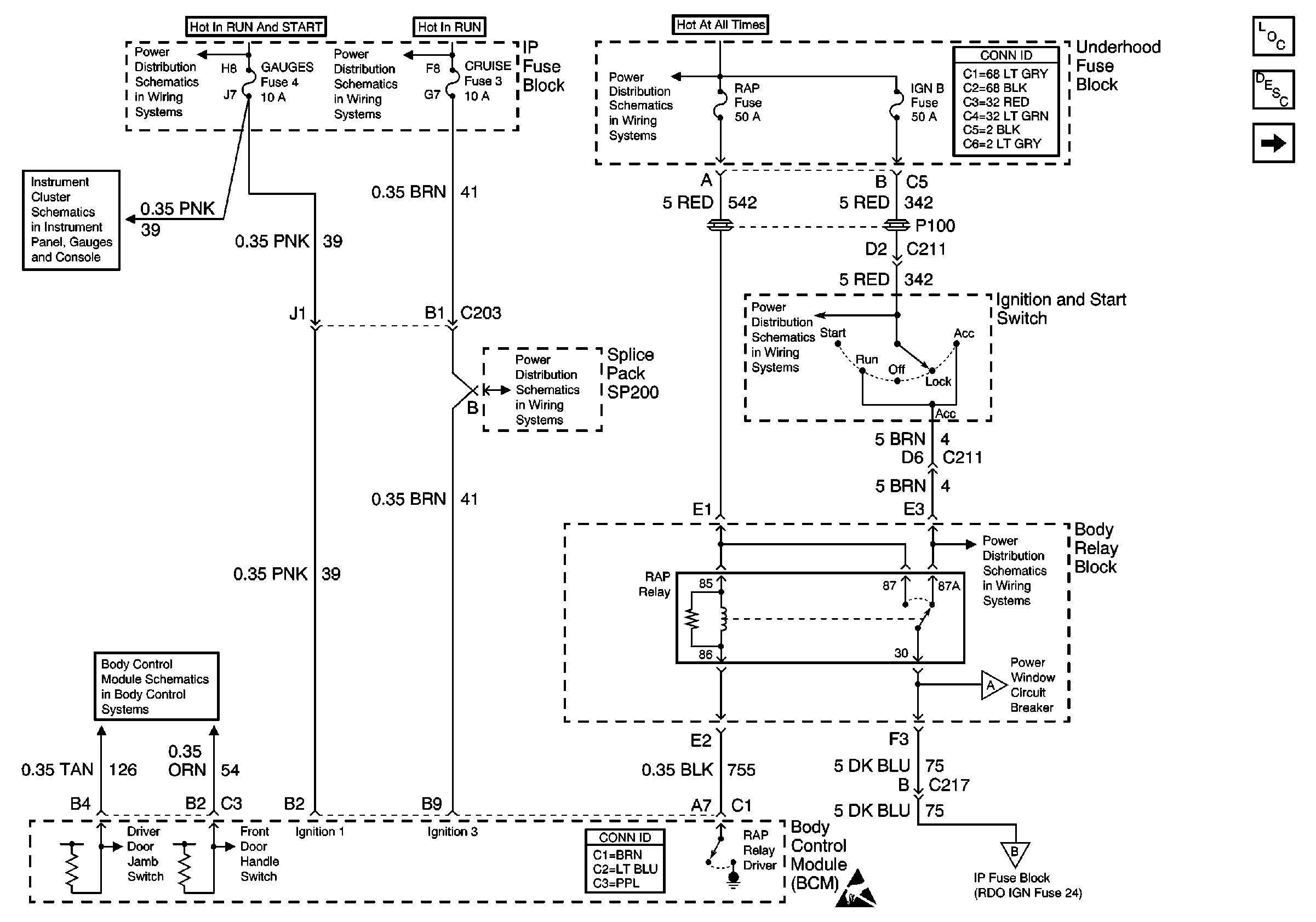
RAP Relay and Ignition Switch
Retained Accessory Power (RAP) Components
Retained Accessory Power (RAP) Circuit Description
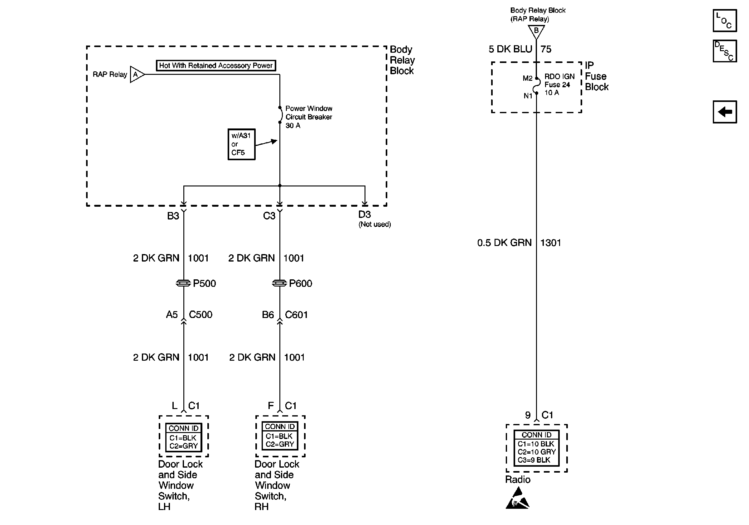
Radio and Door Lock and Side Window Switches
TURN, SIR and GAUGES Fuses
HVAC and CRUISE Fuses
RAP, IGN B Fuses and Ignition Switch
Power and Grounding Connector End Views
Power
HVAC and CRUISE Fuses
RAP, IGN B Fuses and Ignition Switch
Side Door Jamb Switches
RAP, IGN B Fuses and Ignition Switch
Body Control System Connector End Views
Handling ESD Sensitive Parts Notice
Radio and Door Lock and Side Window Switches
Radio and Door Lock and Side Window Switches
Figure
2:
Radio and Door Lock and Side Window Switches
Retained Accessory Power (RAP) Components
Retained Accessory Power (RAP) Circuit Description
RAP Relay and Ignition Switch
RAP Relay and Ignition Switch
RAP Relay and Ignition Switch
Power Door Systems Connector End Views
Power Door Systems Connector End Views
Entertainment Connector End Views
Handling ESD Sensitive Parts Notice