GM Service Manual Online
For 1990-2009 cars only
Makes
🢒
Isuzu
🢒
2000
🢒
S/T Isuzu - 2WD
🢒 Heated Mirrors
Heated Mirrors
Heated Mirrors
Power Door Systems Components
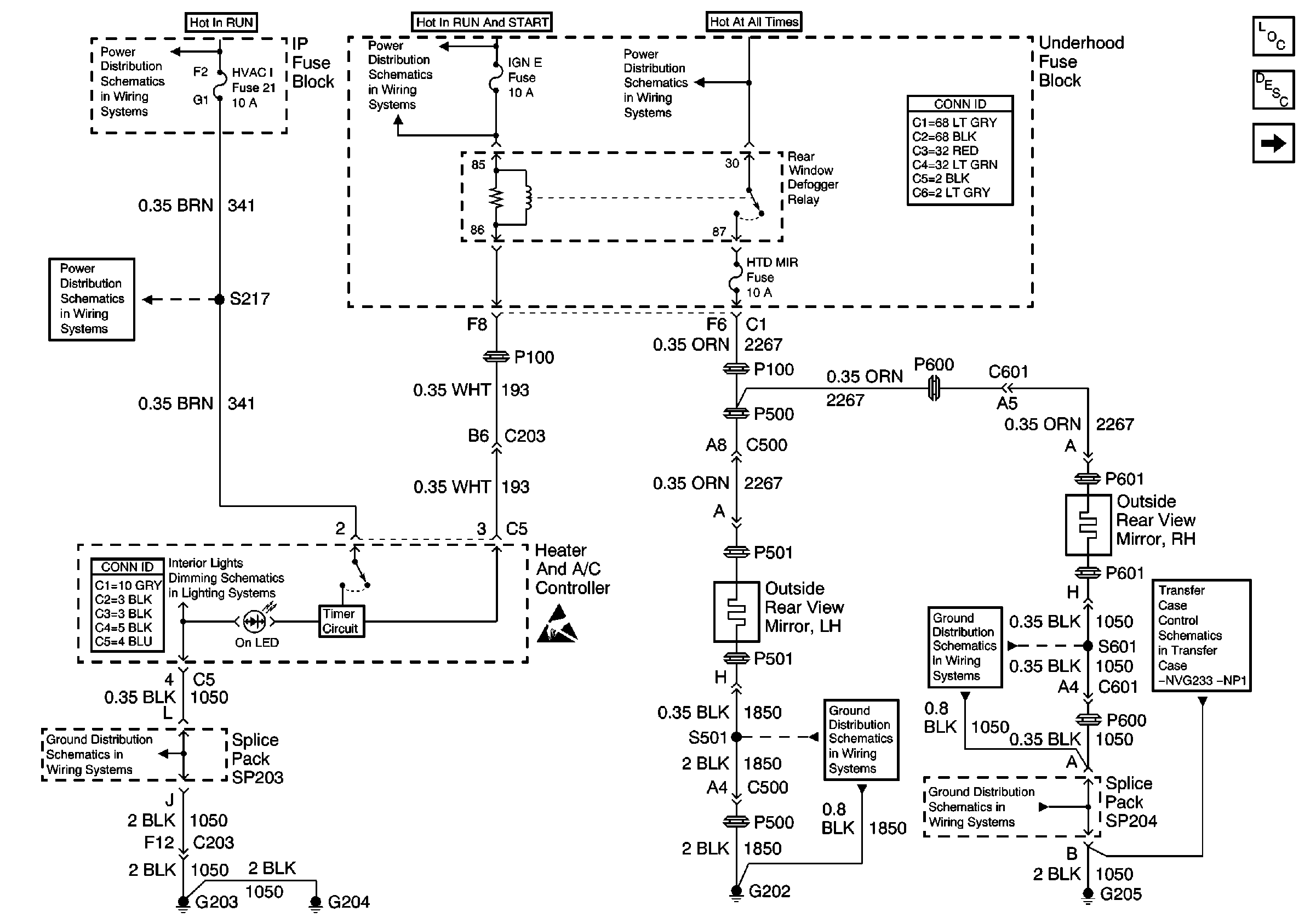
Heated Mirror Circuit Description
Outside Rear View Mirror Switch
RAP, IGN B Fuses and Ignition Switch
IGN E, RDO IGN Fuses and Power Window Circuit Breaker
ECM B, HORN, HTD MIR Fuses, Horn and Fuel Pump Relays
Power Door Systems Connector End Views
HVAC I, FRT WPR and ABS Fuses
Power Door Systems Connector End Views
G203 and G204
Handling ESD Sensitive Parts Notice
G202
G205 and G206
G205 and G206
Power, Ground and Data Link Connector (DLC)