GM Service Manual Online
For 1990-2009 cars only
Figure 1:

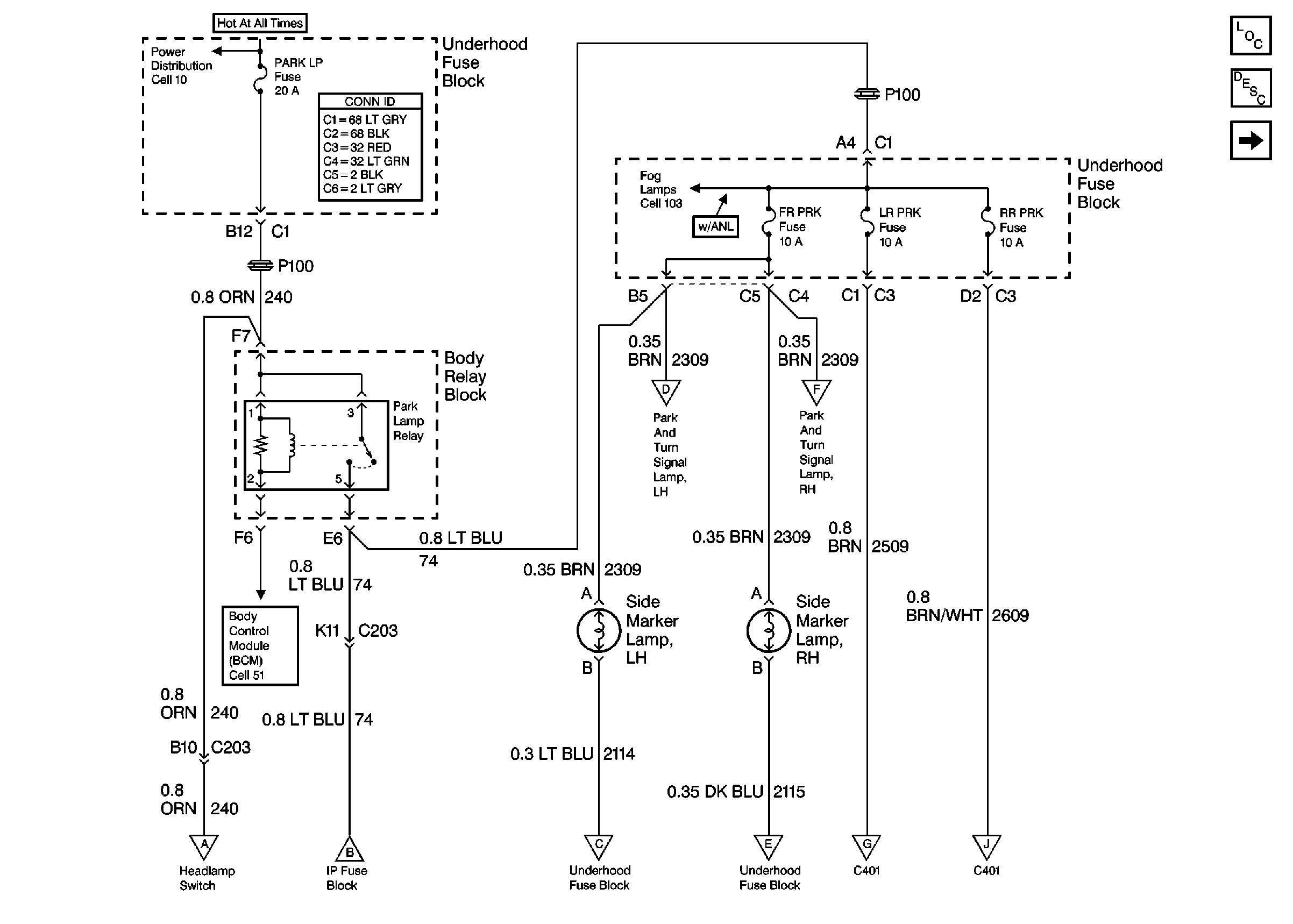
Cell 110: PARK LP Fuse and Park Lamp Relay


Object Number: 408506  Size: FS
Lighting Systems Components
Exterior Lights Circuit Description
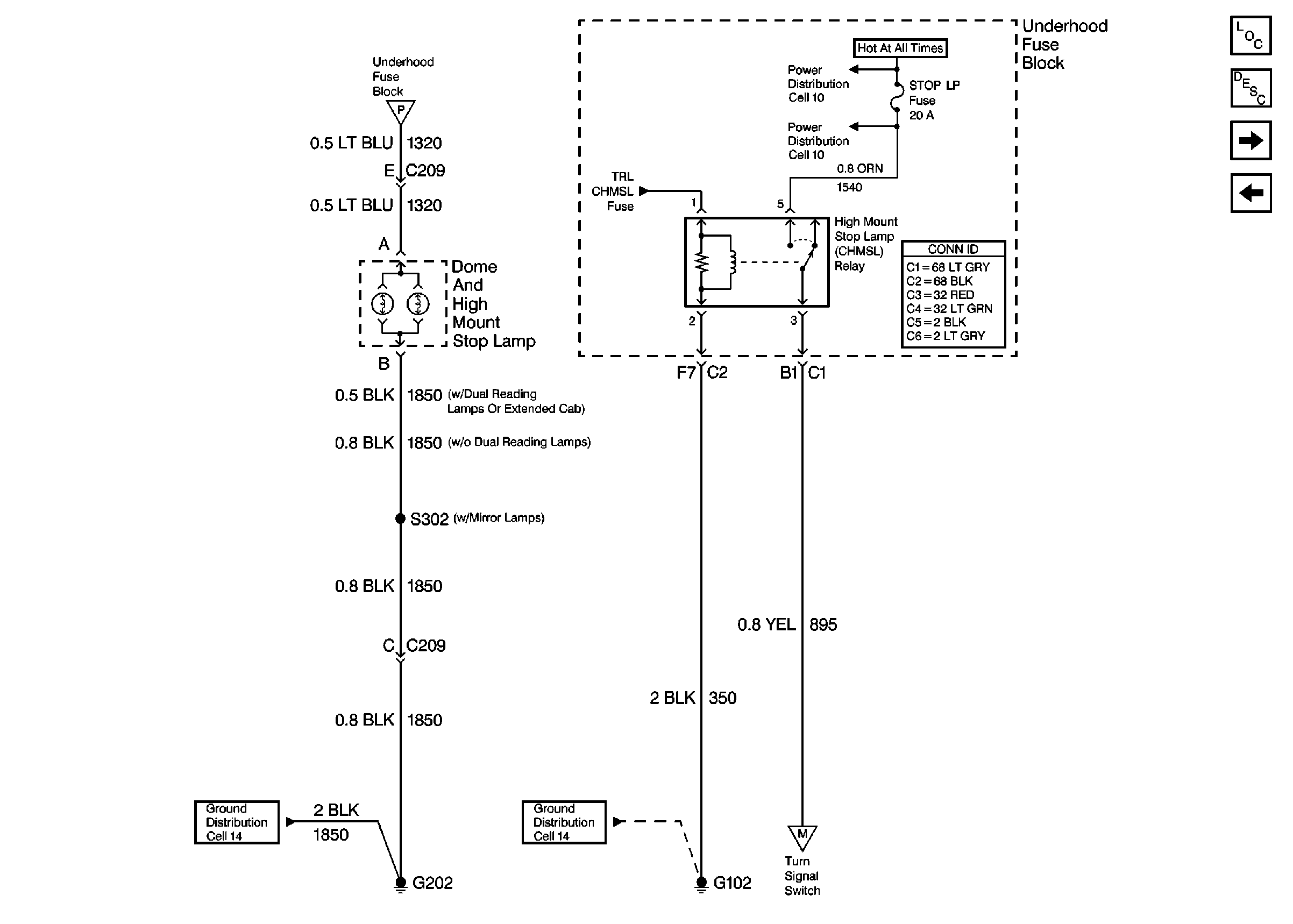
Cell 110: STOP LP, HAZ LP Fuses and Turn Signal Switch
Cell 10: PARK LP, ILLUM Fuses and Park Lamp, Headlamp Grounding Relays
Power and Grounding Connector End Views
Cell 103
Cell 51: PARK LP, FOG LP Fuses, Fog Lamp Switch and Park Lamp, Fog Lamp Relays
Cell 110: PARK LP Fuse and Headlamp Switch
Cell 110: PARK LP Fuse and Headlamp Switch
Cell 110: Front Park and Turn Signal Lamps
Cell 110: Front Park and Turn Signal Lamps
Cell 110: License and Side Marker Lamps
Cell 110: License and Side Marker Lamps
Cell 110: Front Park and Turn Signal Lamps
Cell 110: Front Park and Turn Signal Lamps
Figure 2:

Cell 110: STOP LP, HAZ LP Fuses and Turn Signal Switch


Object Number: 408507  Size: FS
Lighting Systems Components
Exterior Lights Circuit Description
Cell 110: Front Park and Turn Signal Lamps
Cell 110: PARK LP Fuse and Park Lamp Relay
Cell 10: STOP LP, HAZ LP, TURN Fuses and Turn and Hazard Switch
Power and Grounding Connector End Views
Cell 110: STOP LP Fuse, High Mount Stop Lamp and High Mount Stop Lamp ReLay
Cell 10: STOP LP, HAZ LP, TURN Fuses and Turn and Hazard Switch
Cell 10: STOP LP, HAZ LP, TURN Fuses and Turn and Hazard Switch
Cell 34: CRUISE Fuse, Multifunction Switch and Cruise Control Module
Cell 110: STOP LP Fuse, High Mount Stop Lamp and High Mount Stop Lamp ReLay
Cell 110: PARK LP Fuse and Headlamp Switch
Cell 110: PARK LP Fuse and Headlamp Switch
Cell 110: Front Park and Turn Signal Lamps
Cell 110: Front Park and Turn Signal Lamps
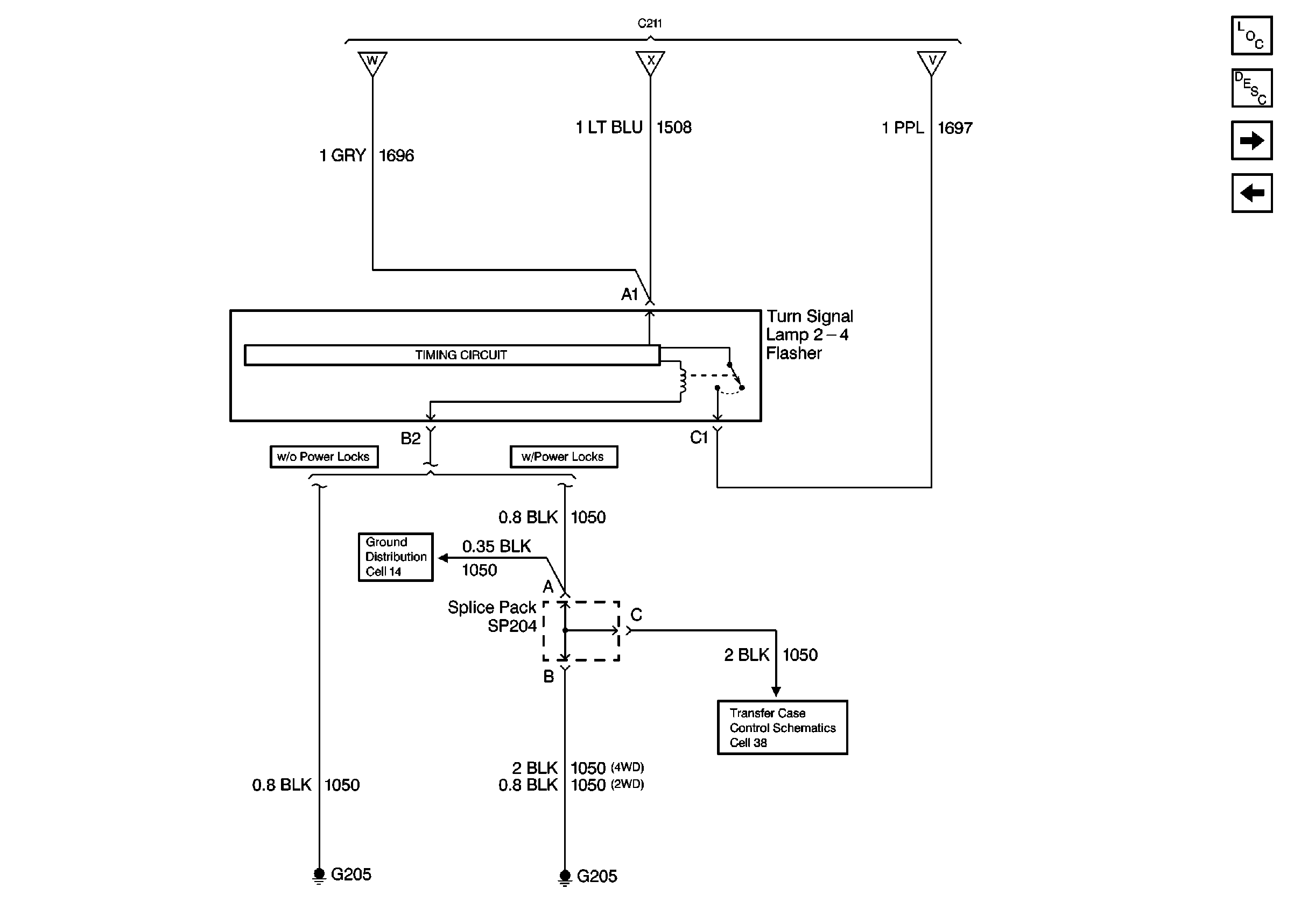
Cell 110: Turn Signal Lamp Flasher
Cell 110: Turn Signal Lamp Flasher
Cell 110: Turn Signal Lamp Flasher
Figure 3:

Cell 110: Front Park and Turn Signal Lamps


Object Number: 408508  Size: FS
Lighting Systems Components
Exterior Lights Circuit Description
Cell 110: Turn Signal Lamp Flasher
Cell 110: STOP LP, HAZ LP Fuses and Turn Signal Switch
Power and Grounding Connector End Views
Cell 110: PARK LP Fuse and Headlamp Switch
Cell 110: PARK LP Fuse and Headlamp Switch
Cell 110: STOP LP, HAZ LP Fuses and Turn Signal Switch
Cell 110: STOP LP, HAZ LP Fuses and Turn Signal Switch
Cell 110: PARK LP Fuse and Park Lamp Relay
Cell 110: PARK LP Fuse and Park Lamp Relay
Cell 110: PARK LP Fuse and Park Lamp Relay
Cell 110: PARK LP Fuse and Park Lamp Relay
Cell 14: G111 and G112
Cell 14: G111 and G112
Cell 110: Park and Turn Signal Lamps
Cell 110: Park and Turn Signal Lamps
Figure 4:

Cell 110: Turn Signal Lamp Flasher


Object Number: 408510  Size: FS
Lighting Systems Components
Exterior Lights Circuit Description
Cell 110: PARK LP Fuse and Headlamp Switch
Cell 110: Front Park and Turn Signal Lamps
Cell 110: STOP LP, HAZ LP Fuses and Turn Signal Switch
Cell 110: STOP LP, HAZ LP Fuses and Turn Signal Switch
Cell 110: STOP LP, HAZ LP Fuses and Turn Signal Switch
Cell 38: Power and Ground
Cell 14: G205 and G206
Figure 5:

Cell 110: PARK LP Fuse and Headlamp Switch


Object Number: 408650  Size: FS
Lighting Systems Components
Exterior Lights Circuit Description
Cell 110: STOP LP Fuse, High Mount Stop Lamp and High Mount Stop Lamp ReLay
Cell 110: Turn Signal Lamp Flasher
Cell 110: PARK LP Fuse and Park Lamp Relay
Cell 110: PARK LP Fuse and Park Lamp Relay
Cell 10: PARK LP, ILLUM Fuses and Park Lamp, Headlamp Grounding Relays
Cell 117: Headlamp Switch
Cell 110: Front Park and Turn Signal Lamps
Cell 110: STOP LP, HAZ LP Fuses and Turn Signal Switch
Cell 110: Front Park and Turn Signal Lamps
Cell 110: STOP LP, HAZ LP Fuses and Turn Signal Switch
Cell 51: Door Handle Switches and Door Jamb Switches
Power Door Systems Connector End Views
Power Door Systems Connector End Views
Body Control System Connector End Views
Figure 6:

Cell 110: STOP LP Fuse, High Mount Stop Lamp and High Mount Stop Lamp Relay


Object Number: 408513  Size: FS
Lighting Systems Components
Exterior Lights Circuit Description
Cell 110: License and Side Marker Lamps
Cell 110: PARK LP Fuse and Headlamp Switch
Cell 110: STOP LP, HAZ LP Fuses and Turn Signal Switch
Cell 14: G202
Cell 110: STOP LP, HAZ LP Fuses and Turn Signal Switch
Cell 10: STOP LP, HAZ LP, TURN Fuses and Turn and Hazard Switch
Power and Grounding Connector End Views
Cell 14: G102
Figure 7:

Cell 110: License and Side Marker Lamps


Object Number: 408514  Size: FS
Lighting Systems Components
Exterior Lights Circuit Description
Cell 110: Park and Turn Signal Lamps
Cell 110: STOP LP Fuse, High Mount Stop Lamp and High Mount Stop Lamp ReLay
Cell 110: Park and Turn Signal Lamps
Cell 110: PARK LP Fuse and Park Lamp Relay
Cell 110: PARK LP Fuse and Park Lamp Relay
Cell 110: Park and Turn Signal Lamps
Cell 14: G402, G422 and G475
Cell 14: G402, G422 and G475
Figure 8:

Cell 110: Park and Turn Signal Lamps


Object Number: 408515  Size: FS
Lighting Systems Components
Exterior Lights Circuit Description
Cell 110: License and Side Marker Lamps
Cell 110: License and Side Marker Lamps
Cell 110: Front Park and Turn Signal Lamps
Cell 110: License and Side Marker Lamps
Cell 110: Front Park and Turn Signal Lamps
Cell 112
Cell 112
Cell 14: G402, G422 and G475
Cell 14: G402, G422 and G475