GM Service Manual Online
For 1990-2009 cars only
Makes
🢒
Isuzu
🢒
1999
🢒
S/T Isuzu - 4WD
🢒
Body and Accessories
🢒
Doors
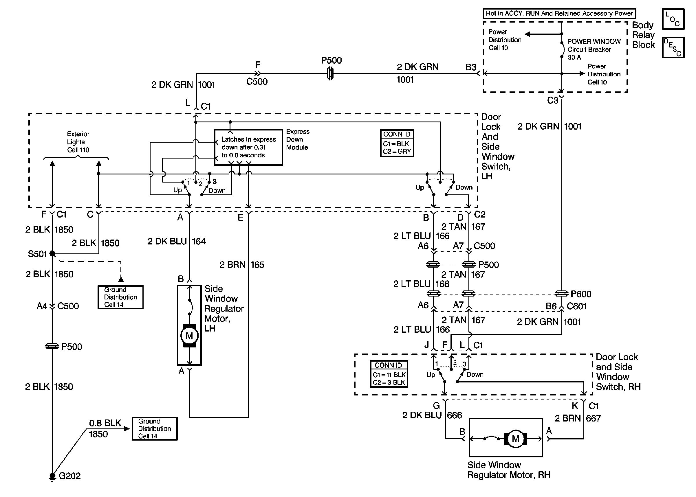
🢒 Power Window Schematics
Cell 120
Power Door Systems Connector End Views
Cell 10: IGN E, RDO IGN Fuses and Power Window Circuit Breaker
Cell 10: IGN E, RDO IGN Fuses and Power Window Circuit Breaker
Power Door Systems Components
Power Windows Circuit Description
Cell 14: G202
Cell 14: G202
Power Door Systems Connector End Views
Cell 110: PARK LP Fuse and Headlamp Switch