GM Service Manual Online
For 1990-2009 cars only
Figure 1:

Power, Ground, MIL, and DLC


Object Number: 184716  Size: FS
Engine Controls Components
Information Sensors/Switches Description
Ignition Controls
Handling Electrostatic Discharge Sensitive Parts Notice
OBDII Symbol Description Notice
Handling Electrostatic Discharge Sensitive Parts Notice
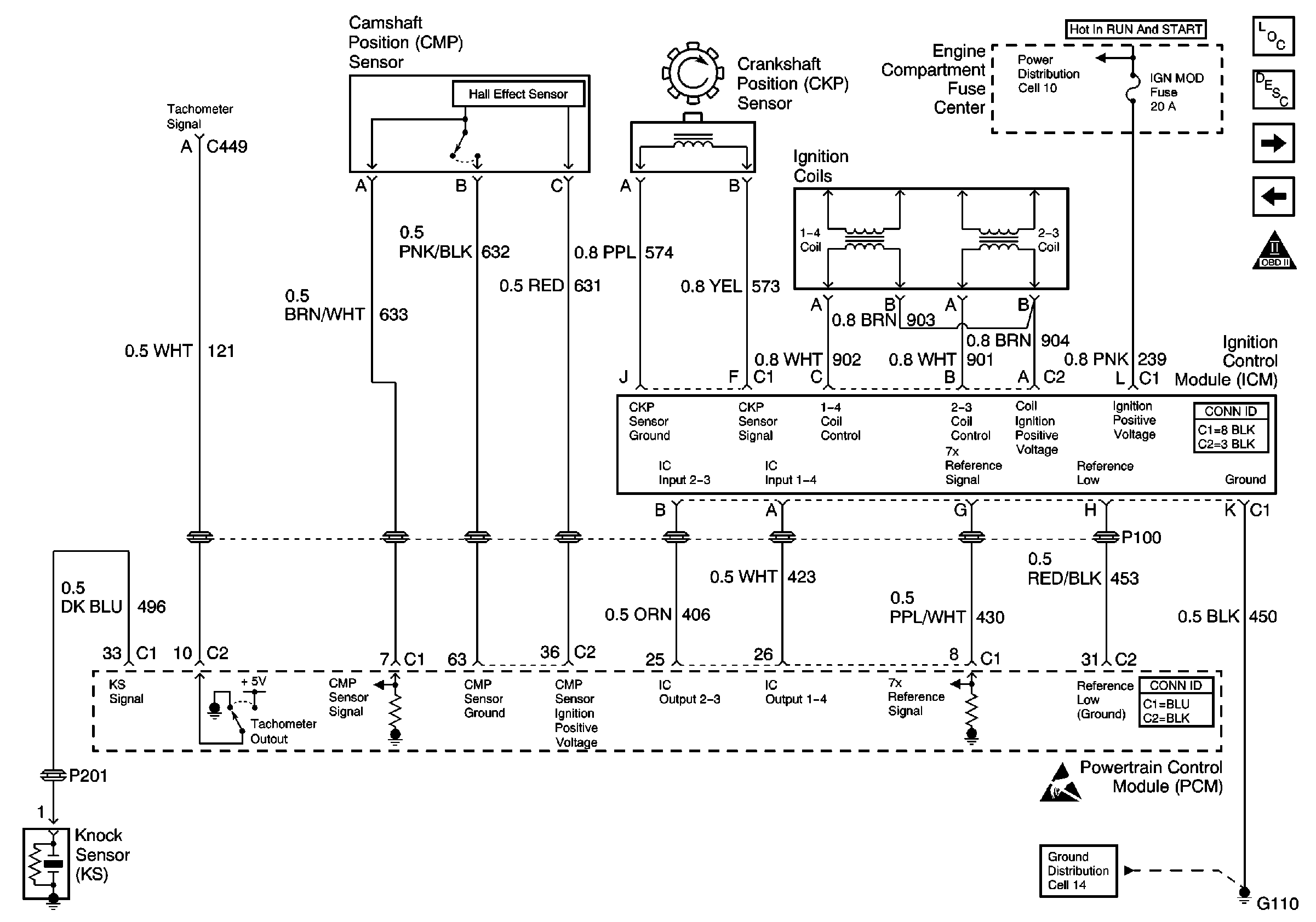
Figure 2:

Ignition Controls


Object Number: 184718  Size: FS
Engine Controls Components
Information Sensors/Switches Description
Fuel Controls
Power, Ground, MIL, and DLC
OBDII Symbol Description Notice
Handling Electrostatic Discharge Sensitive Parts Notice
Figure 3:

Fuel Controls


Object Number: 184722  Size: FS
Engine Controls Components
Information Sensors/Switches Description
Engine Data Sensors
Ignition Controls
OBDII Symbol Description Notice
Handling Electrostatic Discharge Sensitive Parts Notice
Figure 4:

Engine Data Sensors


Object Number: 184727  Size: FS
Engine Controls Components
Information Sensors/Switches Description
EVAP and EGR Controls
Fuel Controls
OBDII Symbol Description Notice
Handling Electrostatic Discharge Sensitive Parts Notice
Handling Electrostatic Discharge Sensitive Parts Notice
Figure 5:

EVAP and EGR Controls


Object Number: 184731  Size: FS
Engine Controls Components
Information Sensors/Switches Description
Oxygen Sensors
Engine Data Sensors
OBDII Symbol Description Notice
Handling Electrostatic Discharge Sensitive Parts Notice
Figure 6:

Oxygen Sensors


Object Number: 184734  Size: FS
Engine Controls Components
Information Sensors/Switches Description
IAC Valve, Generator, TR, Oil and Coolant Switches
EVAP and EGR Controls
OBDII Symbol Description Notice
Handling Electrostatic Discharge Sensitive Parts Notice
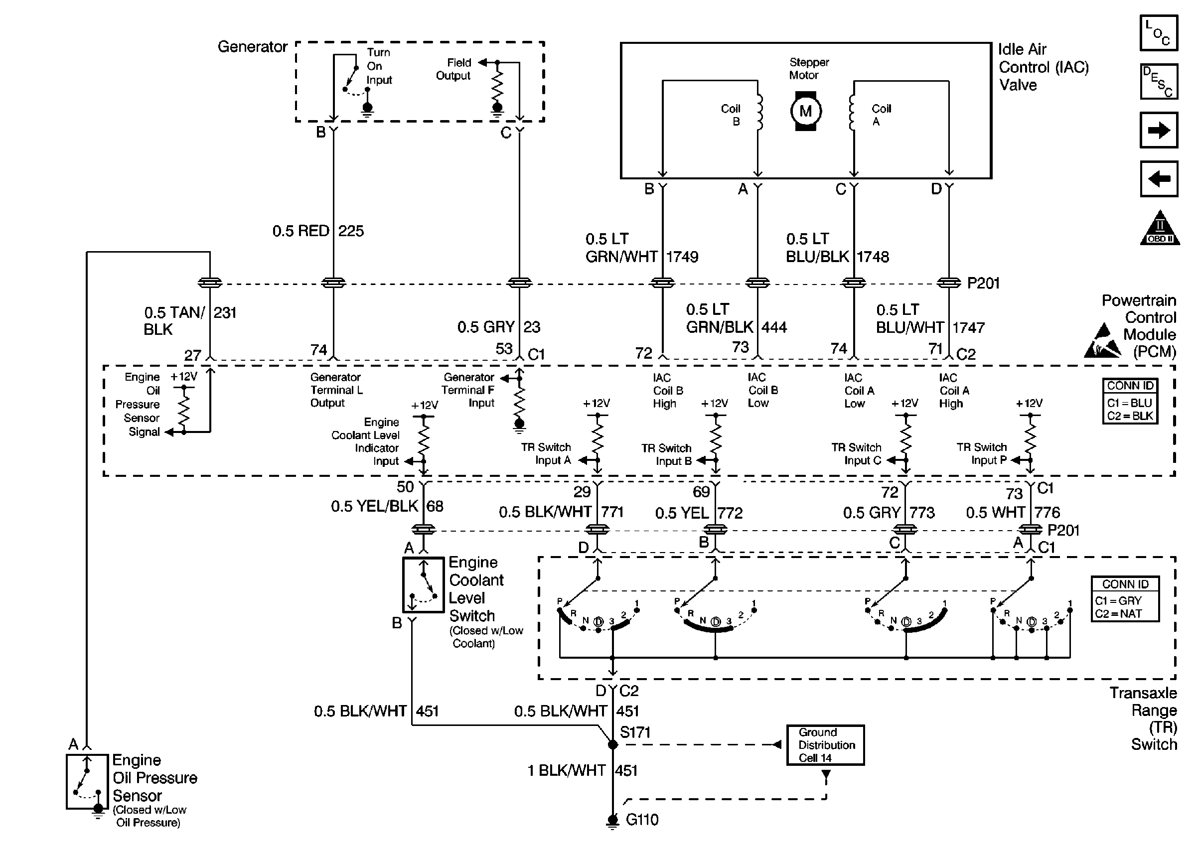
Figure 7:

IAC Valve, Generator, TR, Oil and Coolant Switches


Object Number: 184736  Size: FS
Engine Controls Components
Information Sensors/Switches Description
VSS and Cruise Control
Oxygen Sensors
OBDII Symbol Description Notice
Handling Electrostatic Discharge Sensitive Parts Notice
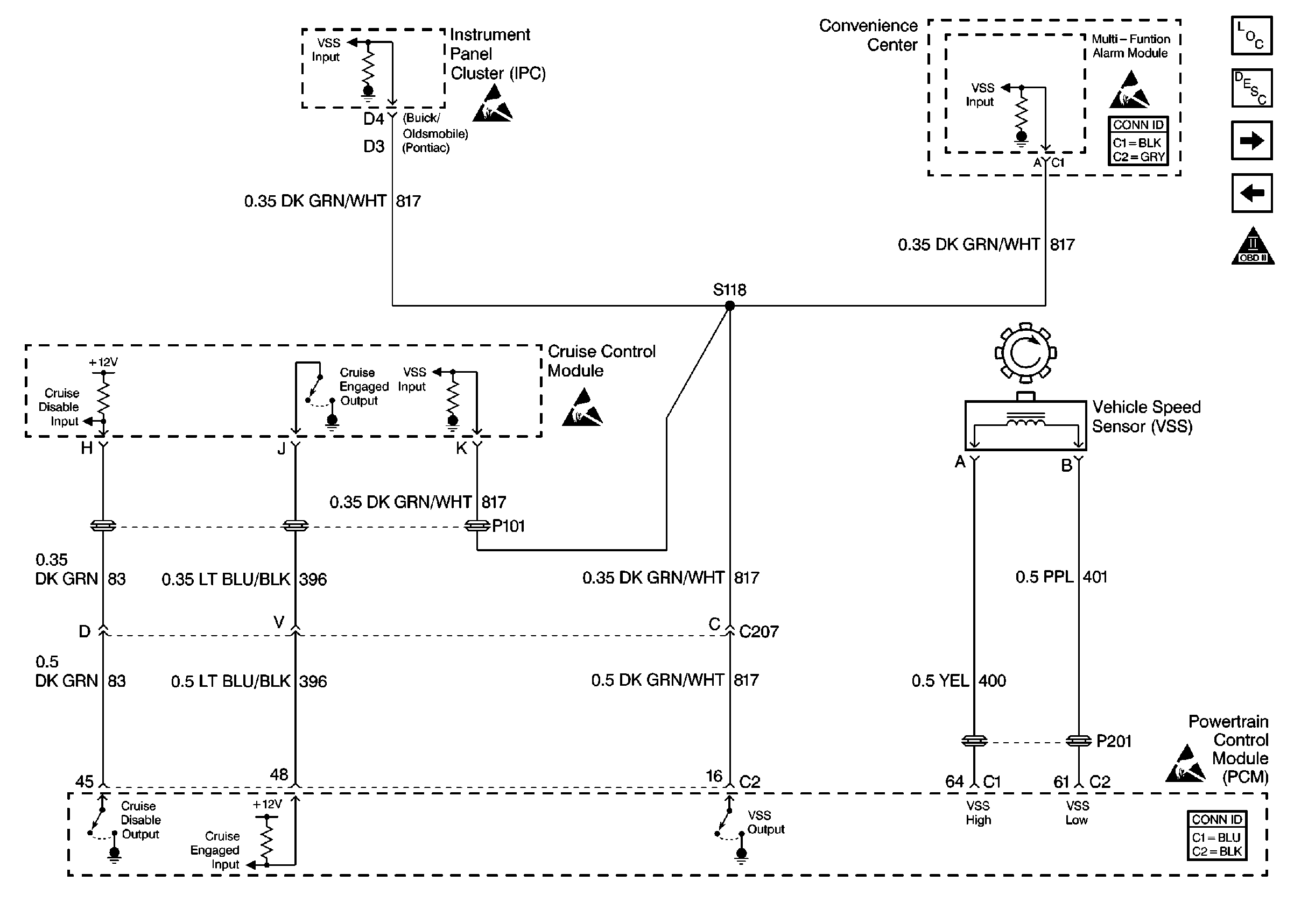
Figure 8:

VSS and Cruise Control


Object Number: 184739  Size: FS
Engine Controls Components
Information Sensors/Switches Description
Transaxle Controls
IAC Valve, Generator, TR, Oil and Coolant Switches
OBDII Symbol Description Notice
Handling Electrostatic Discharge Sensitive Parts Notice
Handling Electrostatic Discharge Sensitive Parts Notice
Handling Electrostatic Discharge Sensitive Parts Notice
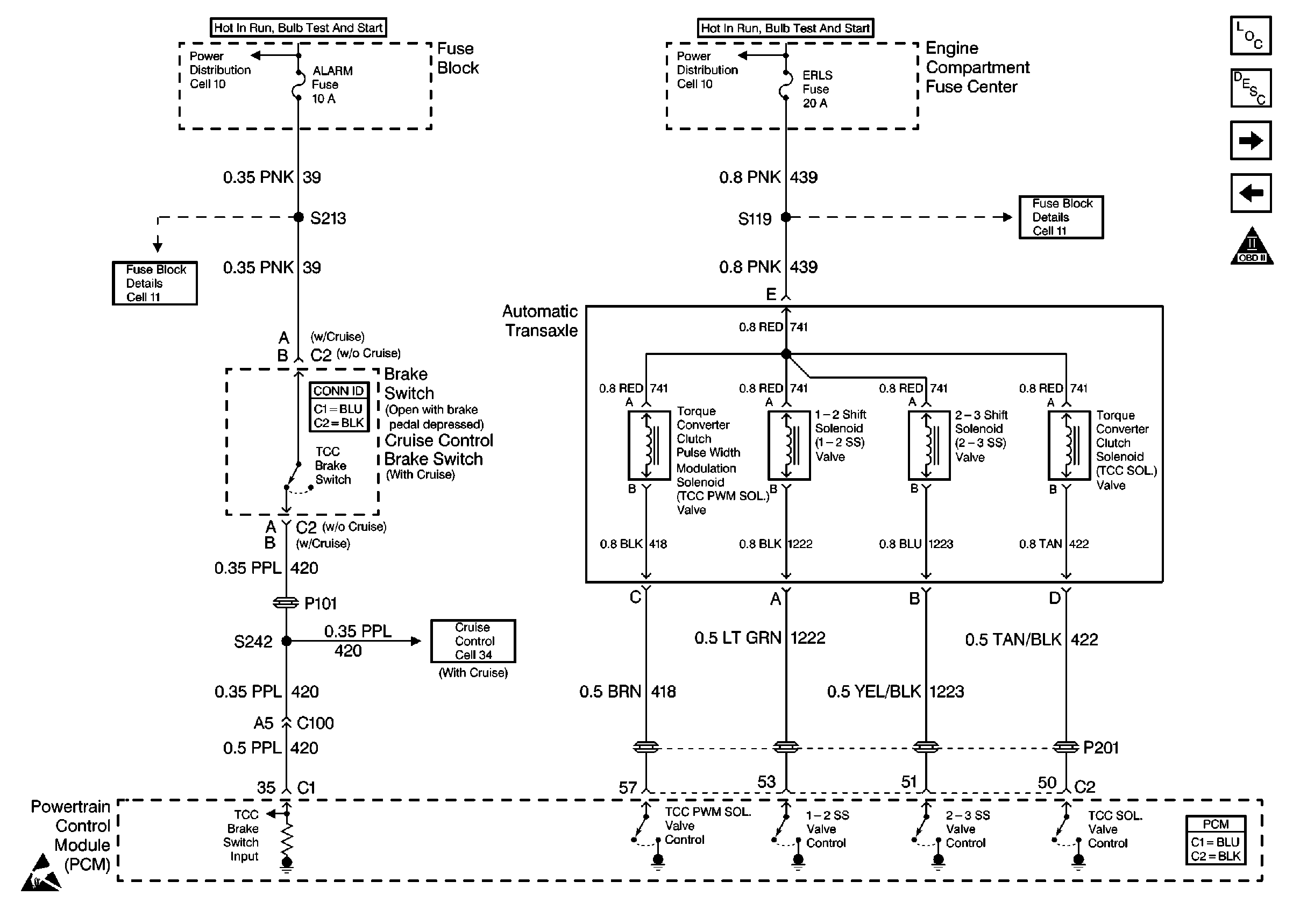
Figure 9:

Transaxle Controls


Object Number: 184741  Size: FS
Engine Controls Components
Information Sensors/Switches Description
A/C Controls
VSS and Cruise Control
OBDII Symbol Description Notice
Handling Electrostatic Discharge Sensitive Parts Notice
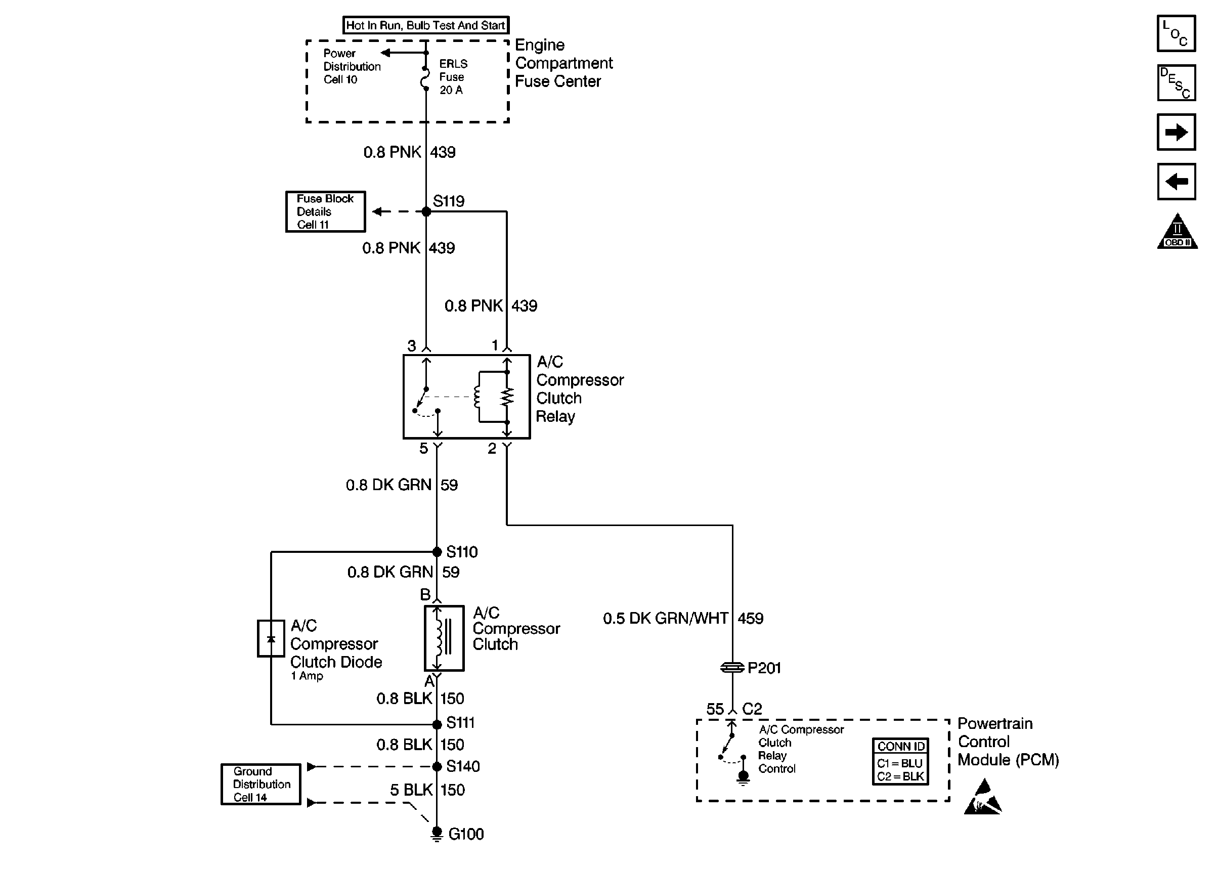
Figure 10:

A/C Controls


Object Number: 184743  Size: FS
Engine Controls Components
Information Sensors/Switches Description
Cooling Fan Controls
Transaxle Controls
OBDII Symbol Description Notice
Handling Electrostatic Discharge Sensitive Parts Notice
Figure 11:

Cooling Fan Controls


Object Number: 184744  Size: FS
Engine Controls Components
Information Sensors/Switches Description
A/C Controls
OBDII Symbol Description Notice
Handling Electrostatic Discharge Sensitive Parts Notice