GM Service Manual Online
For 1990-2009 cars only
Figure 1:

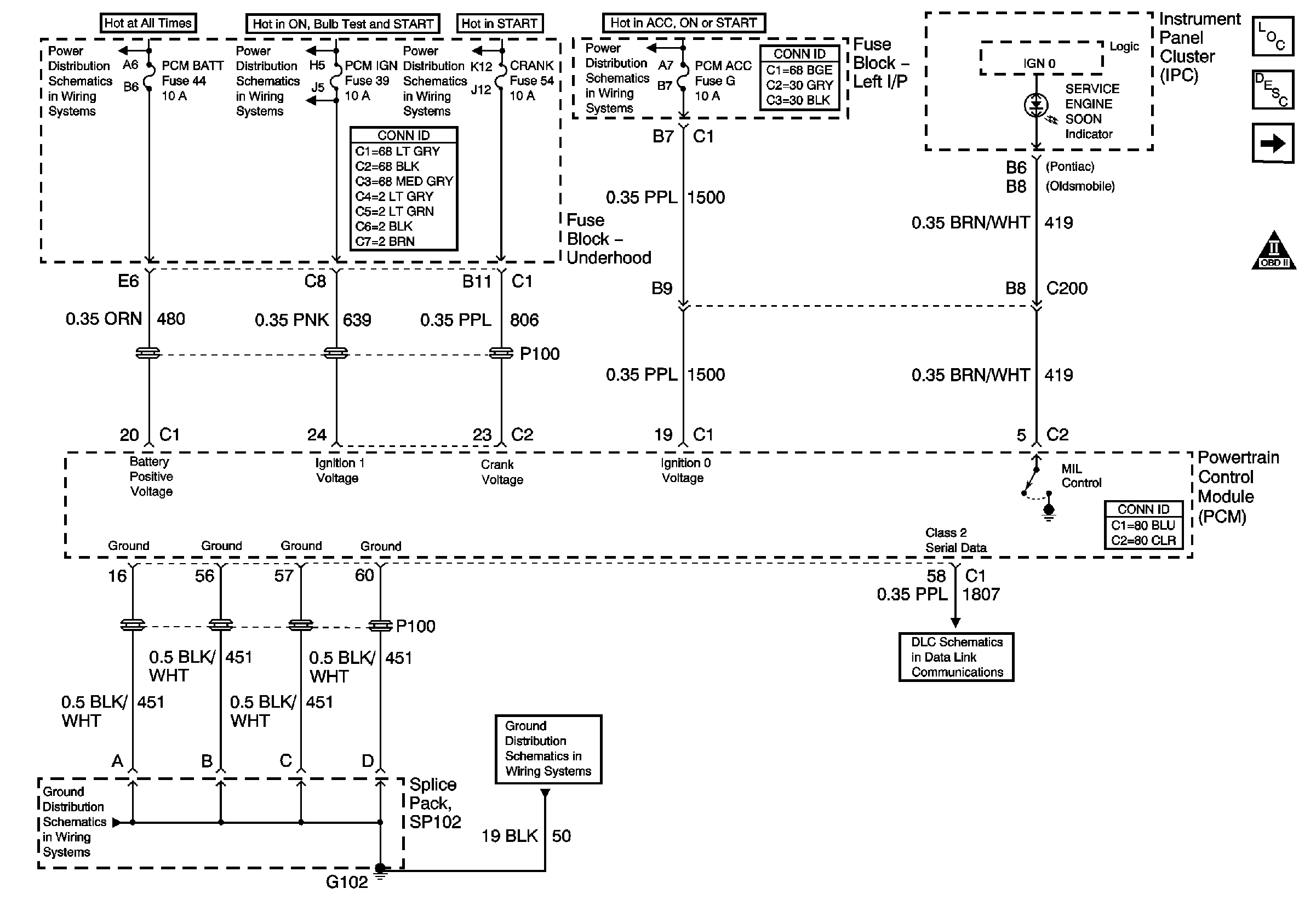
Power, Ground, Serial Data and MIL


Object Number: 782996  Size: FS
Master Electrical Component List
Powertrain Control Module Description
5 Volt and Low Reference Bussing
OBD II Symbol Description Notice
B+ Bus Bar
IGN SW-BATT2, WIPER, AIR BAG, TURN LPS, IGN MOD, B/U LP/BTSI, PCM IGN, F/P INJR, A/C BFC, AUTO TRANS, ABS/EVO/IGN Fuses
IGN SW-BATT1, HTR-A/C, ERLS, CRANK, PCM ACC, IPC/BFC/ACC Fuses
G102 and G104
G102 and G104
Data Link Connector (DLC) Schematics
Figure 2:

5 Volt and Low Reference Bussing


Object Number: 790925  Size: FS
Master Electrical Component List
Powertrain Control Module Description
Ignition System
Power, Ground, Serial Data and MIL
OBD II Symbol Description Notice
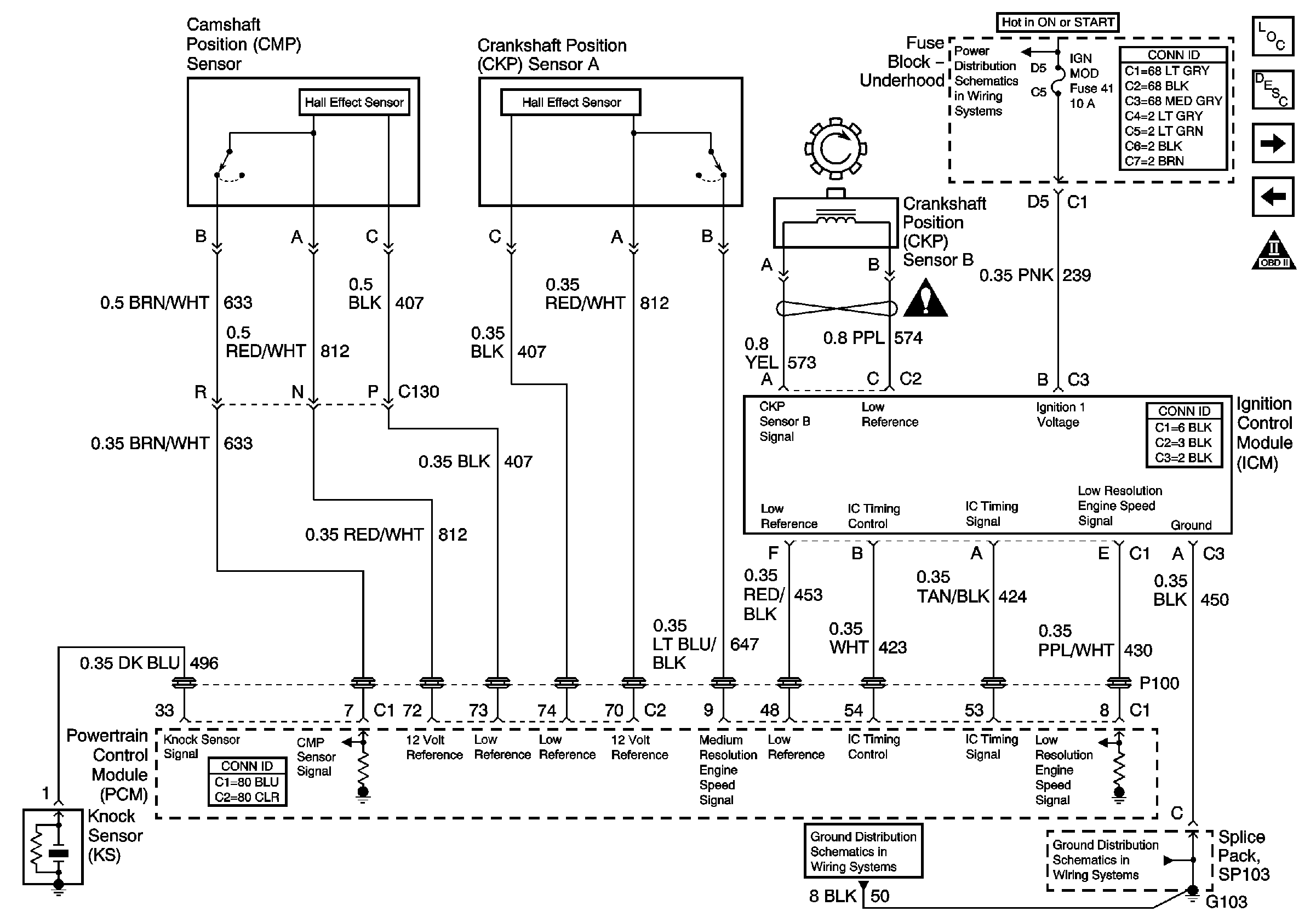
Figure 3:

Ignition System


Object Number: 782997  Size: FS
Master Electrical Component List
Electronic Ignition (EI) System Description
Fuel Pump Controls
5 Volt and Low Reference Bussing
OBD II Symbol Description Notice
IGN SW-BATT2, WIPER, AIR BAG, TURN LPS, IGN MOD, B/U LP/BTSI, PCM IGN, F/P INJR, A/C BFC, AUTO TRANS, ABS/EVO/IGN Fuses
Engine Controls Schematic Icons
G103 and G105
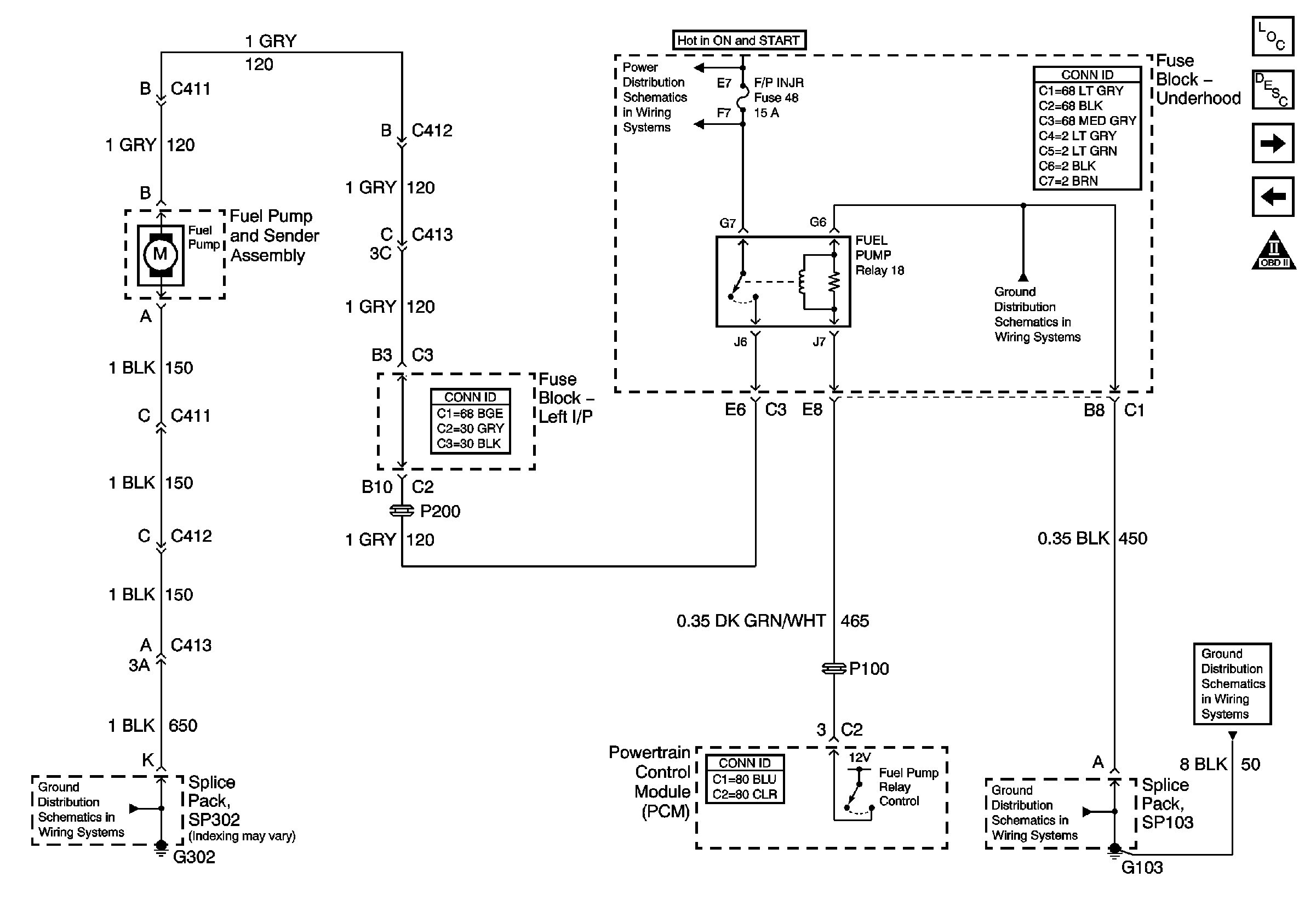
Figure 4:

Fuel Pump Controls


Object Number: 782999  Size: FS
Master Electrical Component List
Fuel System Description
Fuel Injectors
Ignition System
OBD II Symbol Description Notice
G302
IGN SW-BATT2, WIPER, AIR BAG, TURN LPS, IGN MOD, B/U LP/BTSI, PCM IGN, F/P INJR, A/C BFC, AUTO TRANS, ABS/EVO/IGN Fuses
Compressor Controls
G103 and G105
G103 and G105
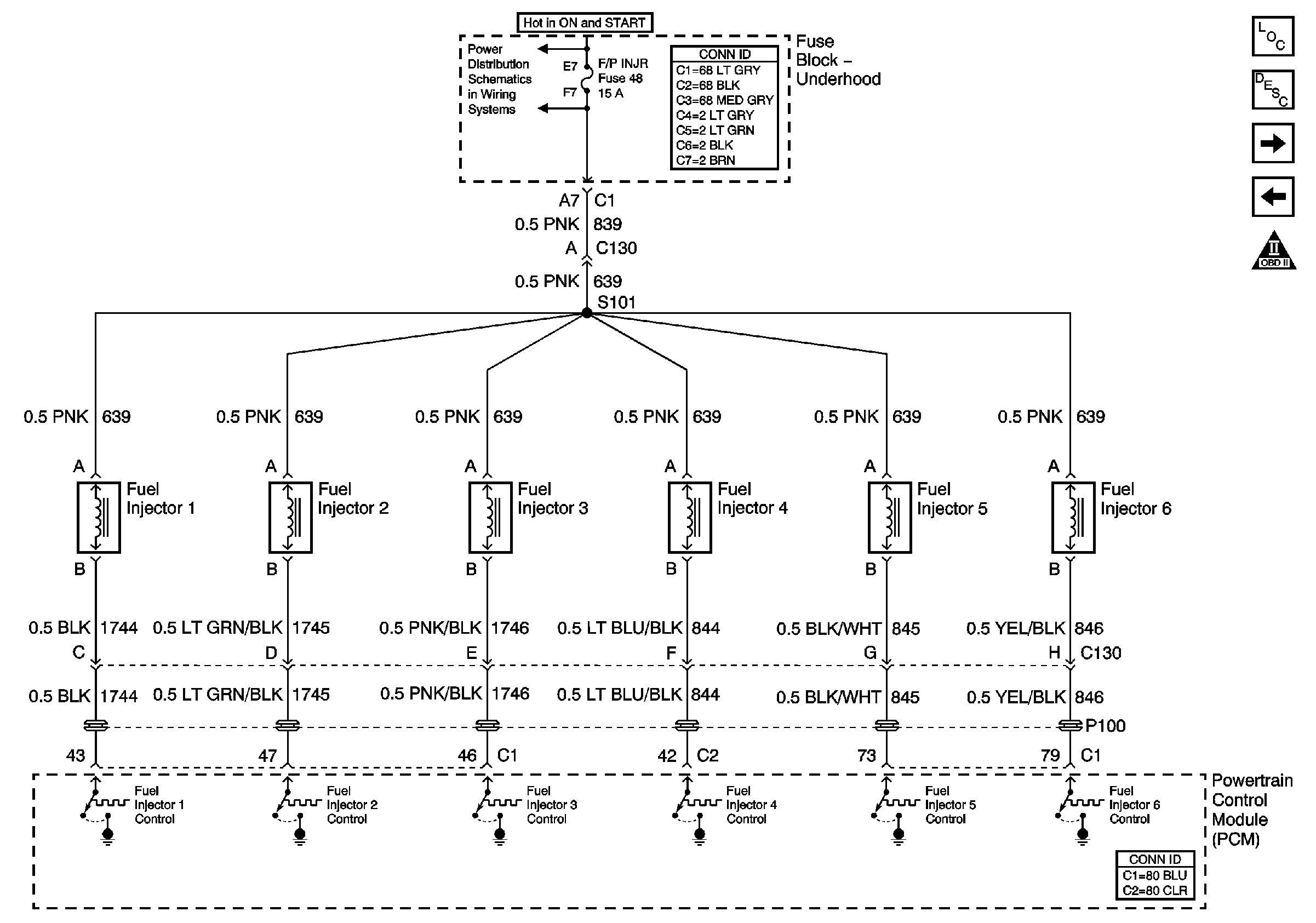
Figure 5:

Fuel Injectors


Object Number: 782998  Size: FS
Master Electrical Component List
Fuel System Description
Engine Data Sensors - Pressure and Temperature
Fuel Pump Controls
OBD II Symbol Description Notice
IGN SW-BATT2, WIPER, AIR BAG, TURN LPS, IGN MOD, B/U LP/BTSI, PCM IGN, F/P INJR, A/C BFC, AUTO TRANS, ABS/EVO/IGN Fuses
Figure 6:

Engine Data Sensors - Pressure and Temperature


Object Number: 783001  Size: FS
Master Electrical Component List
Powertrain Control Module Description
EVAP Controls and EGR
Fuel Injectors
OBD II Symbol Description Notice
Fuel Level, Oil Level and TPM
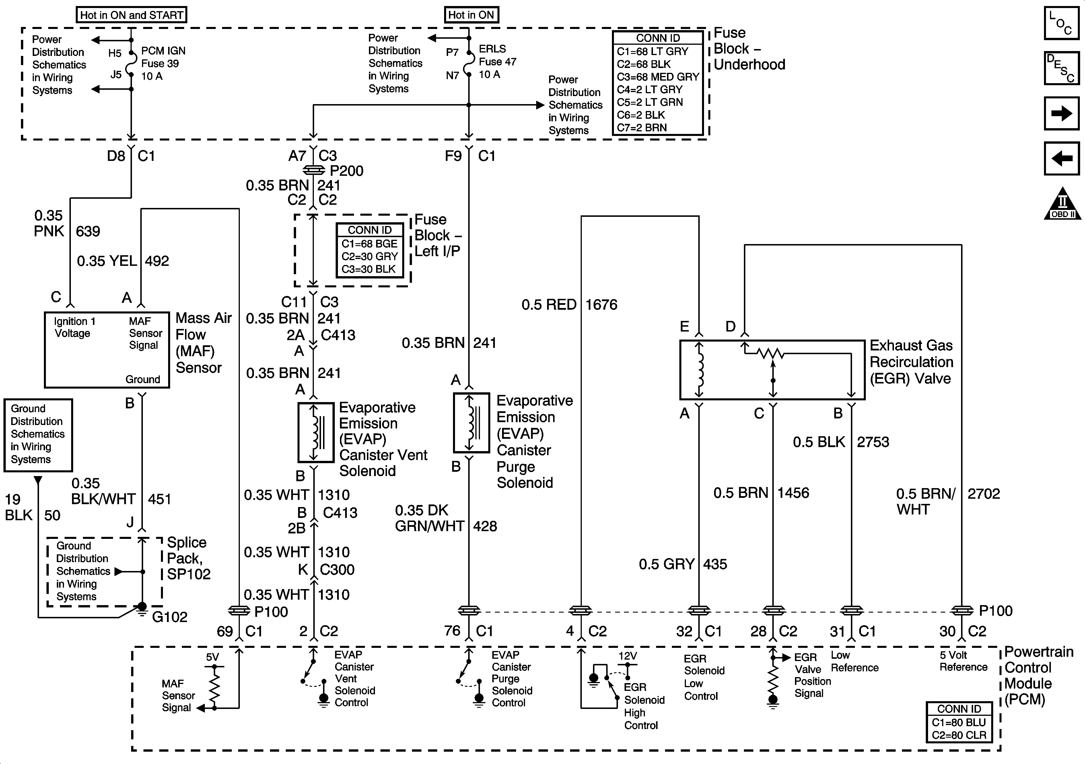
Figure 7:

EVAP Controls and EGR


Object Number: 783003  Size: FS
Master Electrical Component List
Evaporative Emission Control System Description
Heated Oxygen Sensors
Engine Data Sensors - Pressure and Temperature
OBD II Symbol Description Notice
IGN SW-BATT2, WIPER, AIR BAG, TURN LPS, IGN MOD, B/U LP/BTSI, PCM IGN, F/P INJR, A/C BFC, AUTO TRANS, ABS/EVO/IGN Fuses
IGN SW-BATT1, HTR-A/C, ERLS, CRANK, PCM ACC, IPC/BFC/ACC Fuses
IGN SW-BATT1, HTR-A/C, ERLS, CRANK, PCM ACC, IPC/BFC/ACC Fuses
G102 and G104
G102 and G104
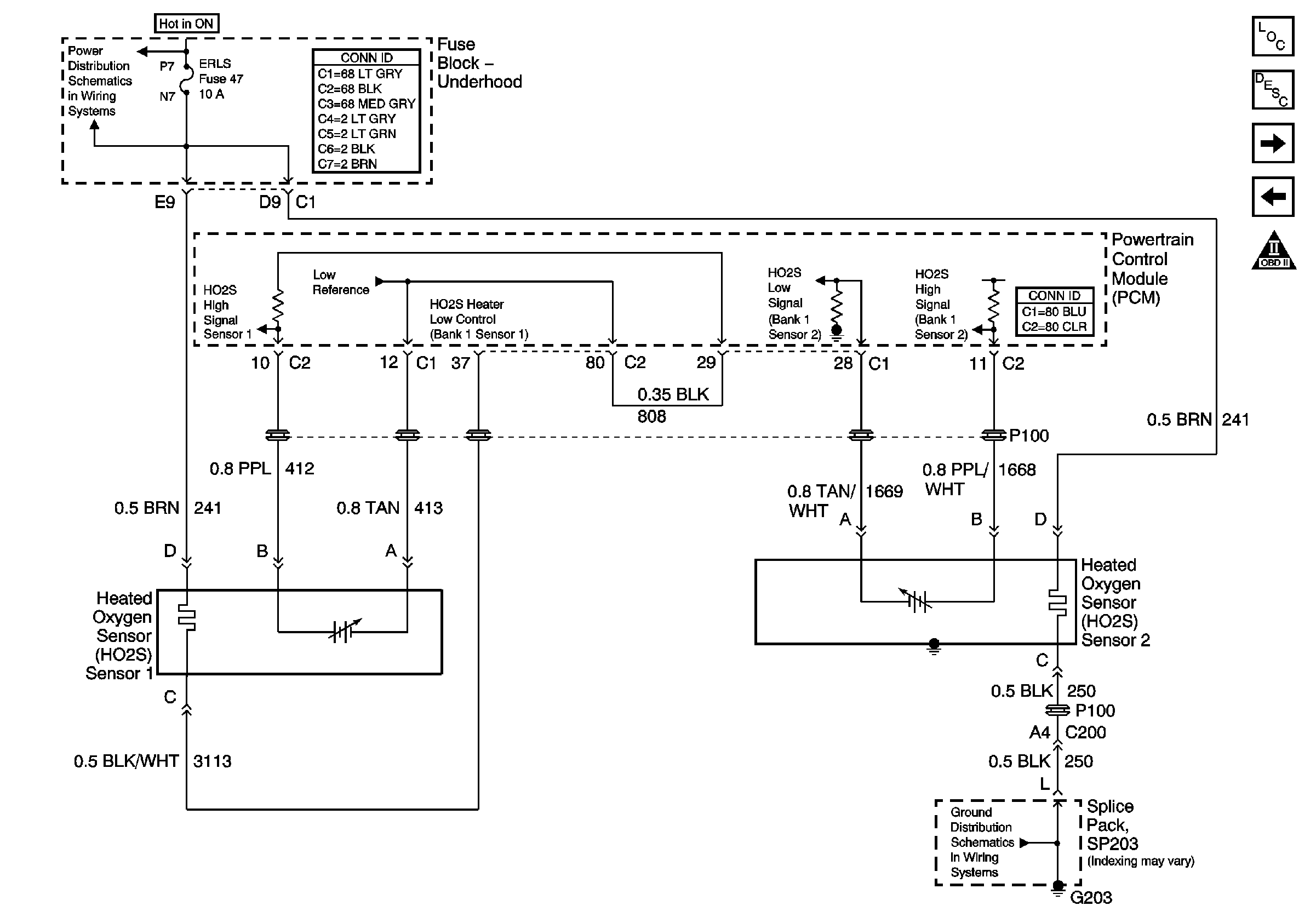
Figure 8:

Heated Oxygen Sensors


Object Number: 783002  Size: FS
Master Electrical Component List
Powertrain Control Module Description
IAC Valve
EVAP Controls and EGR
OBD II Symbol Description Notice
IGN SW-BATT1, HTR-A/C, ERLS, CRANK, PCM ACC, IPC/BFC/ACC Fuses
G203
Figure 9:

IAC Valve


Object Number: 783004  Size: FS
Master Electrical Component List
Powertrain Control Module Description
Controlled/Monitored Subsystem References
Heated Oxygen Sensors
OBD II Symbol Description Notice
Figure 10:

Controlled/Monitored Subsystem References


Object Number: 783005  Size: FS
Master Electrical Component List
Powertrain Control Module Description
Transmission Controls - A/T
IAC Valve
OBD II Symbol Description Notice
Compressor Controls
Fuel Level, Oil Level and TPM
Charging System
Cooling Fans
Power and Ground
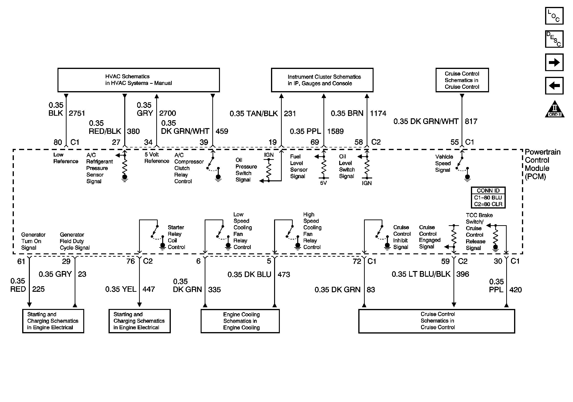
Figure 11:

Transmission Controls - A/T


Object Number: 783006  Size: FS
Master Electrical Component List
Powertrain Control Module Description
PCM Automatic Transmission References
Controlled/Monitored Subsystem References
OBD II Symbol Description Notice
Transmission Solenoids, VSS, and TCC Brake Switch Signal
Transmission Switches, TFT and A/T ISS Sensor
Figure 12:

PCM Automatic Transmission References


Object Number: 783008  Size: FS
Master Electrical Component List
Powertrain Control Module Description
Transmission Controls - A/T
OBD II Symbol Description Notice
Transmission Solenoids, VSS, and TCC Brake Switch Signal
PNP Switch