GM Service Manual Online
For 1990-2009 cars only
Figure 1:

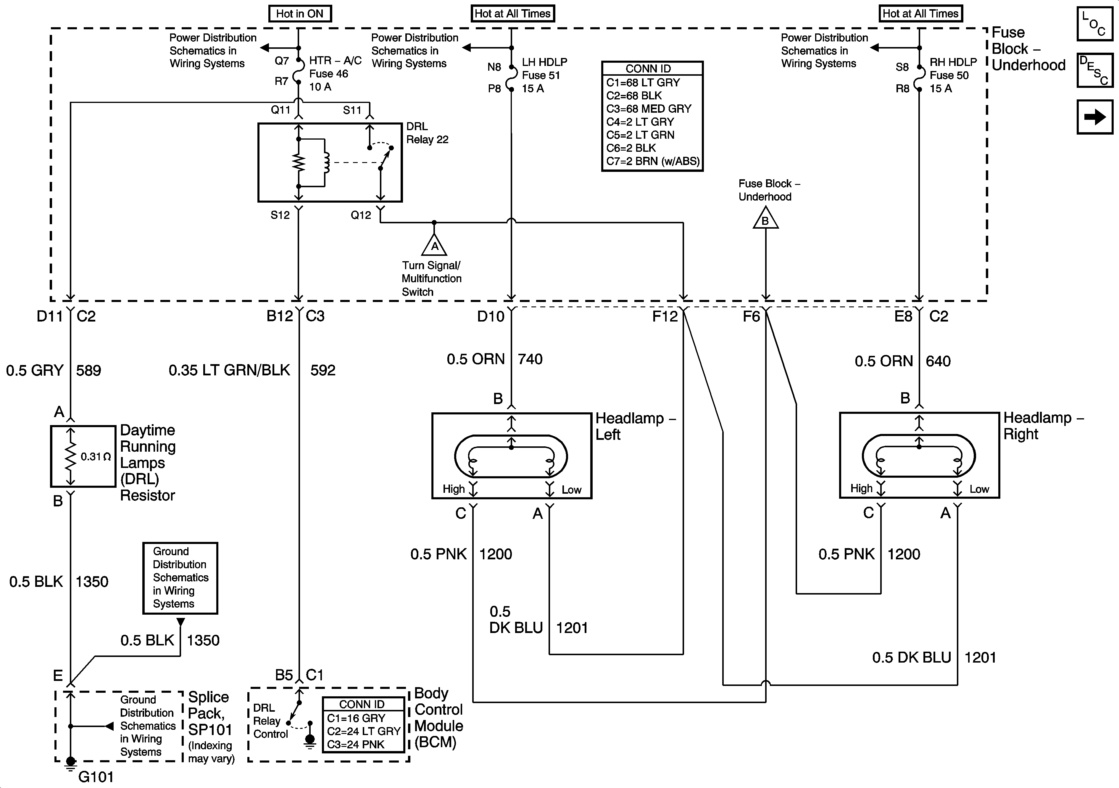
Headlamps -- Pontiac -- Domestic


Object Number: 901472  Size: FS
Master Electrical Component List
Exterior Lighting Systems Description and Operation
Headlamps - Oldsmobile - Domestic
IGN SW-BATT1, HTR-A/C, ERLS, CRANK Fuses
RH HDLP, LH HDLP, GEN BATT, LH BEC BATT2, STOP LPS, HAZARD LPS, IPC/HVAC BATT, BFC BATT Fuses
BCM Signals - Domestic
BCM Signals - Domestic
RH HDLP, LH HDLP, GEN BATT, LH BEC BATT2, STOP LPS, HAZARD LPS, IPC/HVAC BATT, BFC BATT Fuses
G101
G101
Figure 2:

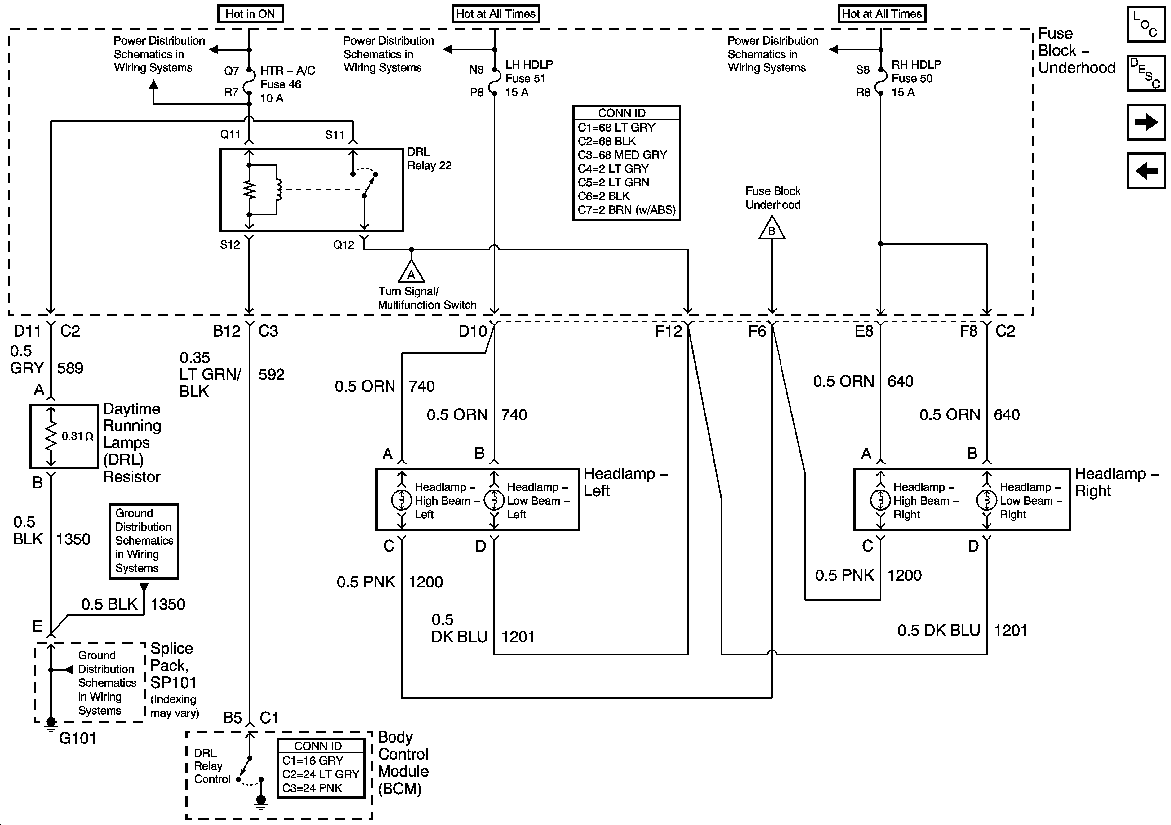
Headlamps --Oldsmobile -- Domestic


Object Number: 901473  Size: FS
Master Electrical Component List
Exterior Lighting Systems Description and Operation
BCM Signals - Domestic
Headlamps - Pontiac - Domestic
IGN SW-BATT1, HTR-A/C, ERLS, CRANK Fuses
BCM Signals - Domestic
RH HDLP, LH HDLP, GEN BATT, LH BEC BATT2, STOP LPS, HAZARD LPS, IPC/HVAC BATT, BFC BATT Fuses
RH HDLP, LH HDLP, GEN BATT, LH BEC BATT2, STOP LPS, HAZARD LPS, IPC/HVAC BATT, BFC BATT Fuses
BCM Signals - Domestic
BCM Signals - Domestic
G101
G101
Figure 3:

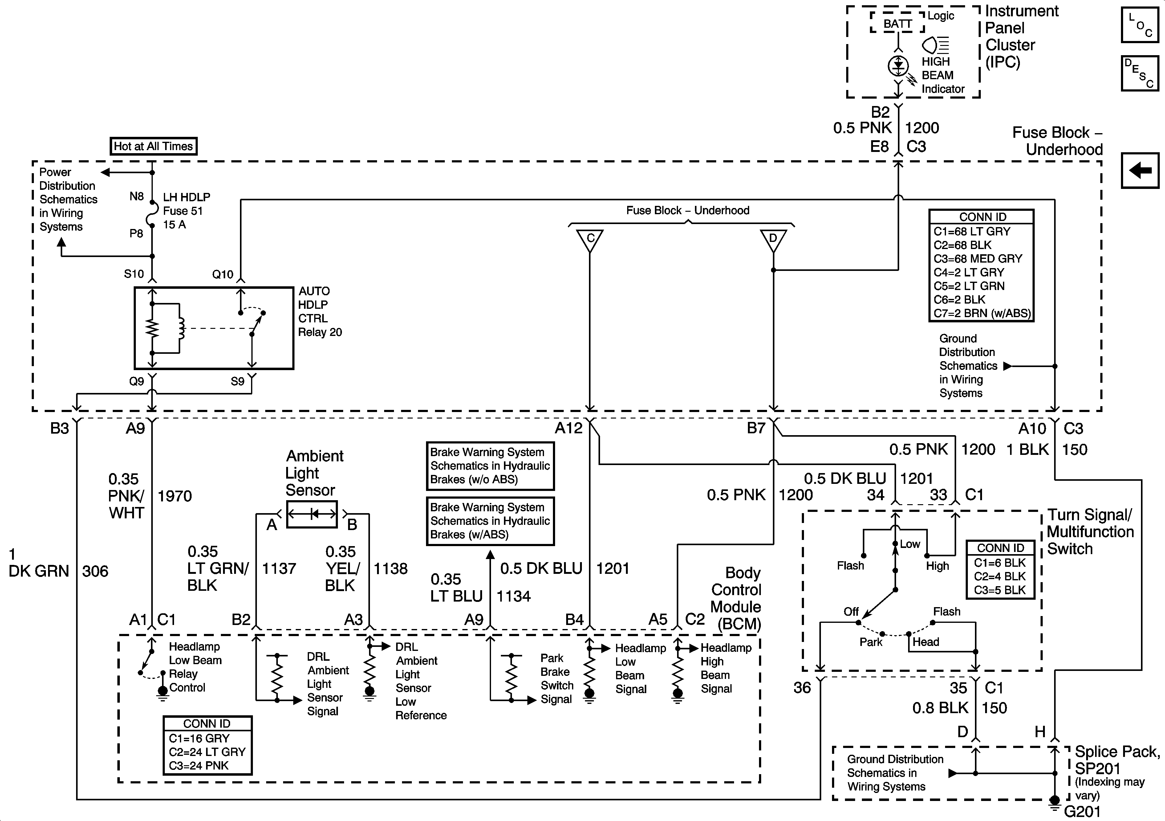
BCM Signals -- Domestic


Object Number: 901474  Size: FS
Master Electrical Component List
Exterior Lighting Systems Description and Operation
Headlamps - Export
Headlamps - Oldsmobile - Domestic
RH HDLP, LH HDLP, GEN BATT, LH BEC BATT2, STOP LPS, HAZARD LPS, IPC/HVAC BATT, BFC BATT Fuses
Headlamps - Pontiac - Domestic
Headlamps - Oldsmobile - Domestic
Headlamps - Pontiac - Domestic
Headlamps - Oldsmobile - Domestic
G201
Data Link Connector (DLC) Schematics
Brake Warning System Schematic (w/o ABS)
Brake Warning System Schematics (w/ABS)
G201
Figure 4:

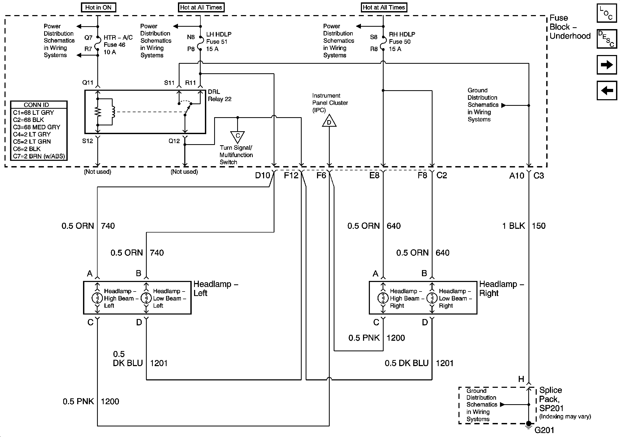
Headlamps -- Export


Object Number: 900554  Size: FS
Master Electrical Component List
Exterior Lighting Systems Description and Operation
BCM Signals - Export
BCM Signals - Domestic
IGN SW-BATT1, HTR-A/C, ERLS, CRANK Fuses
RH HDLP, LH HDLP, GEN BATT, LH BEC BATT2, STOP LPS, HAZARD LPS, IPC/HVAC BATT, BFC BATT Fuses
RH HDLP, LH HDLP, GEN BATT, LH BEC BATT2, STOP LPS, HAZARD LPS, IPC/HVAC BATT, BFC BATT Fuses
BCM Signals - Export
BCM Signals - Export
G201
G201
Figure 5:

BCM Signals -- Export


Object Number: 900557  Size: FS
Master Electrical Component List
Exterior Lighting Systems Description and Operation
Headlamps - Export
RH HDLP, LH HDLP, GEN BATT, LH BEC BATT2, STOP LPS, HAZARD LPS, IPC/HVAC BATT, BFC BATT Fuses
Headlamps - Export
G201
Brake Warning System Schematics (w/ABS)
Brake Warning System Schematic (w/o ABS)
G201