GM Service Manual Online
For 1990-2009 cars only
Makes
🢒
Oldsmobile
🢒
2003
🢒
Alero
🢒 Transmission Switches
Transmission Switches
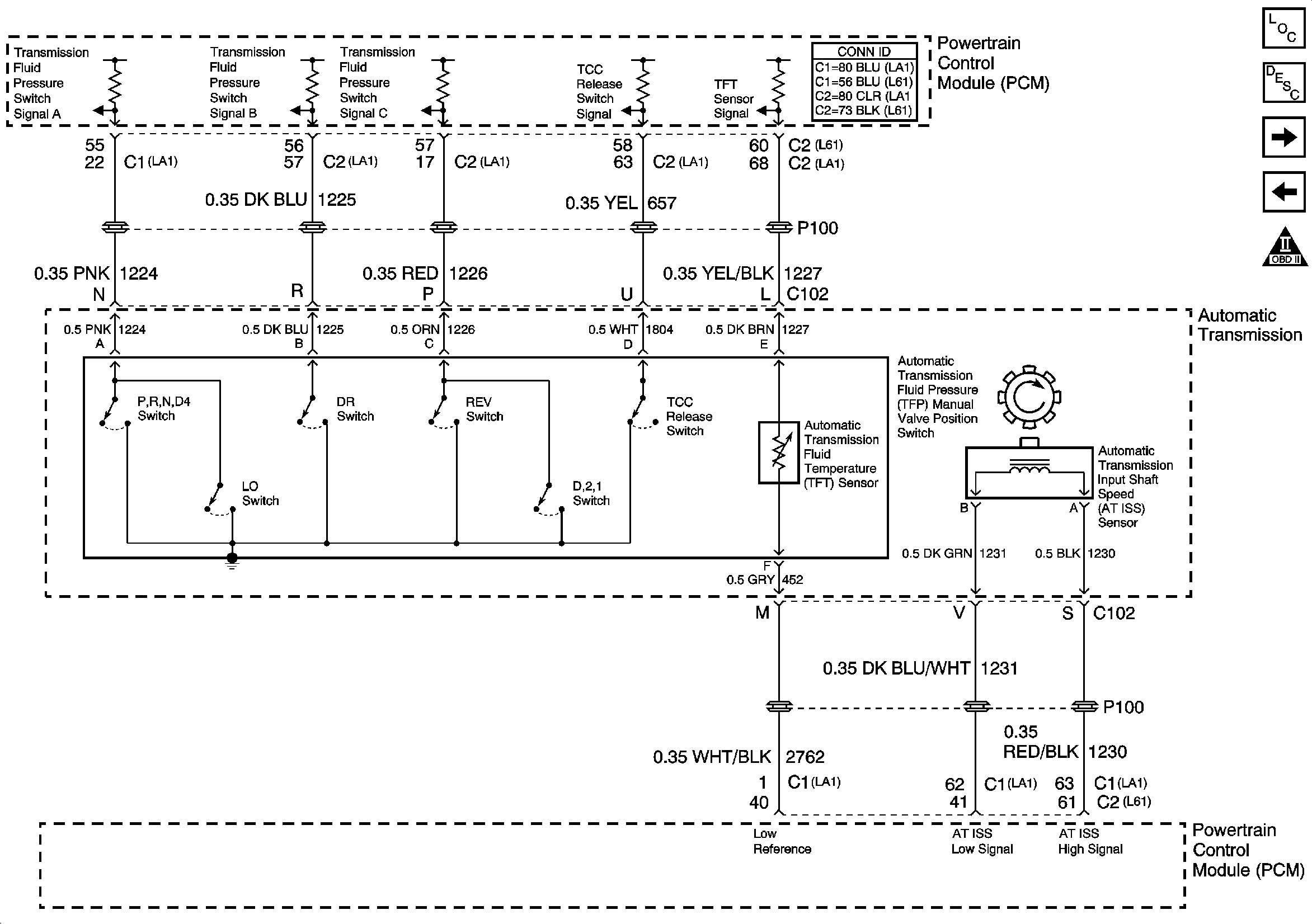
Transmission Switches, TFT, and A/T ISS Sensor
Master Electrical Component List
Transmission General Description
PNP Switch
Transmission Solenoids
OBD II Symbol Description Notice