GM Service Manual Online
For 1990-2009 cars only
Makes
🢒
Oldsmobile
🢒
2003
🢒
Alero
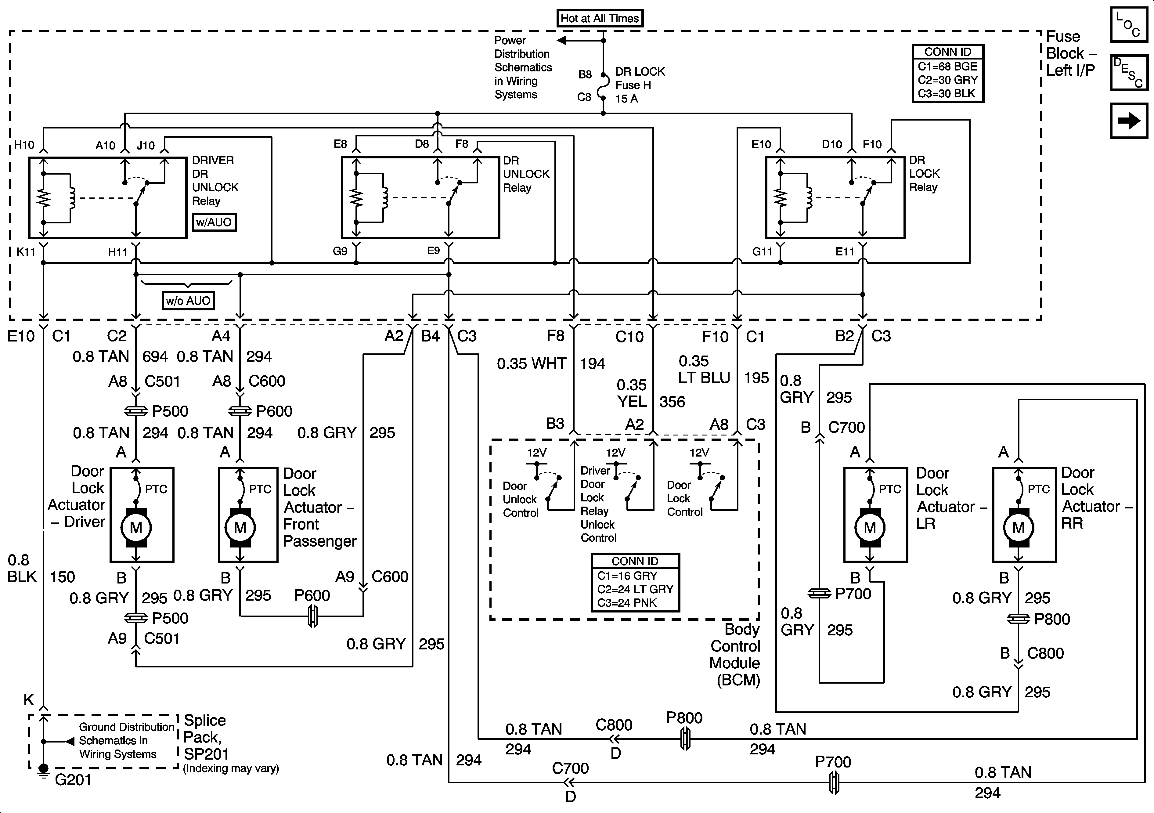
🢒 Door Lock Motors
Door Lock Motors
Door Lock Motors
Master Electrical Component List
Power Door Locks Description and Operation
Door Lock Switches
L/H BEC BATT1, AUX PWR/CIGAR, PARK LPS, PCM BATT, PWR MIRROR, DR LOCK, TRUNK REL/Radio Amp Fuses, and RWR SEAT Circuit Breaker
G201