GM Service Manual Online
For 1990-2009 cars only
Makes
🢒
Oldsmobile
🢒
2003
🢒
Alero
🢒 Oldsmobile
Oldsmobile
Oldsmobile
Master Electrical Component List
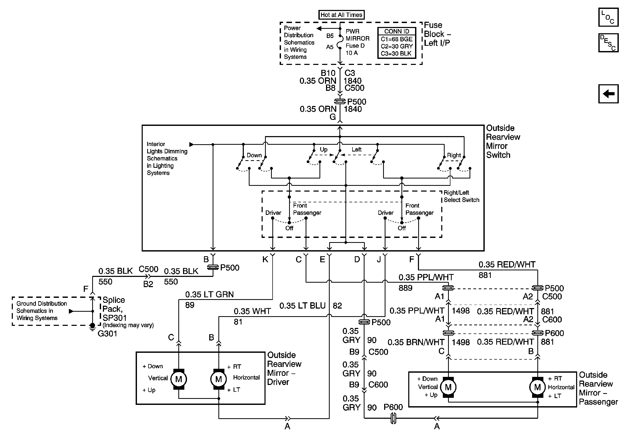
Outside Mirror Description and Operation
Pontiac
L/H BEC BATT1, AUX PWR/CIGAR, PARK LPS, PCM BATT, PWR MIRROR, DR LOCK, TRUNK REL/Radio Amp Fuses, and RWR SEAT Circuit Breaker
Door Switches - Oldsmobile
G301