GM Service Manual Online
For 1990-2009 cars only
Makes
🢒
Oldsmobile
🢒
2003
🢒
Alero
🢒 Body Rear End Schematics
Body Rear End Schematics
Master Electrical Component List
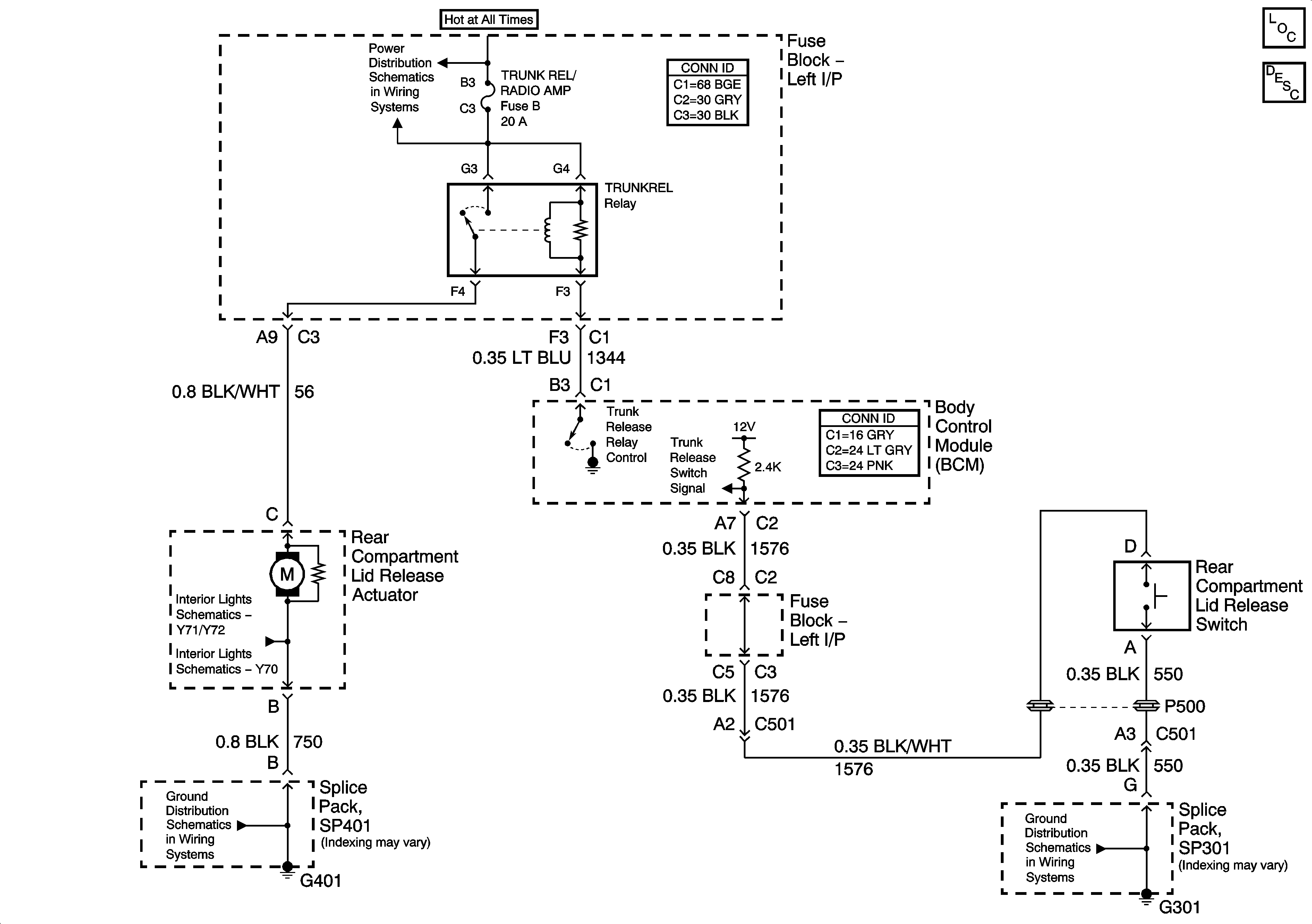
Luggage Compartment Description and Operation
L/H BEC BATT1, AUX PWR/CIGAR, PARK LPS, PCM BATT, PWR MIRROR, DR LOCK, TRUNK REL/Radio Amp Fuses, and RWR SEAT Circuit Breaker
Dome Lamps - Y70
Dome Lamps - Y71/Y72
G401
G301