GM Service Manual Online
For 1990-2009 cars only
Makes
🢒
Oldsmobile
🢒
2003
🢒
Alero
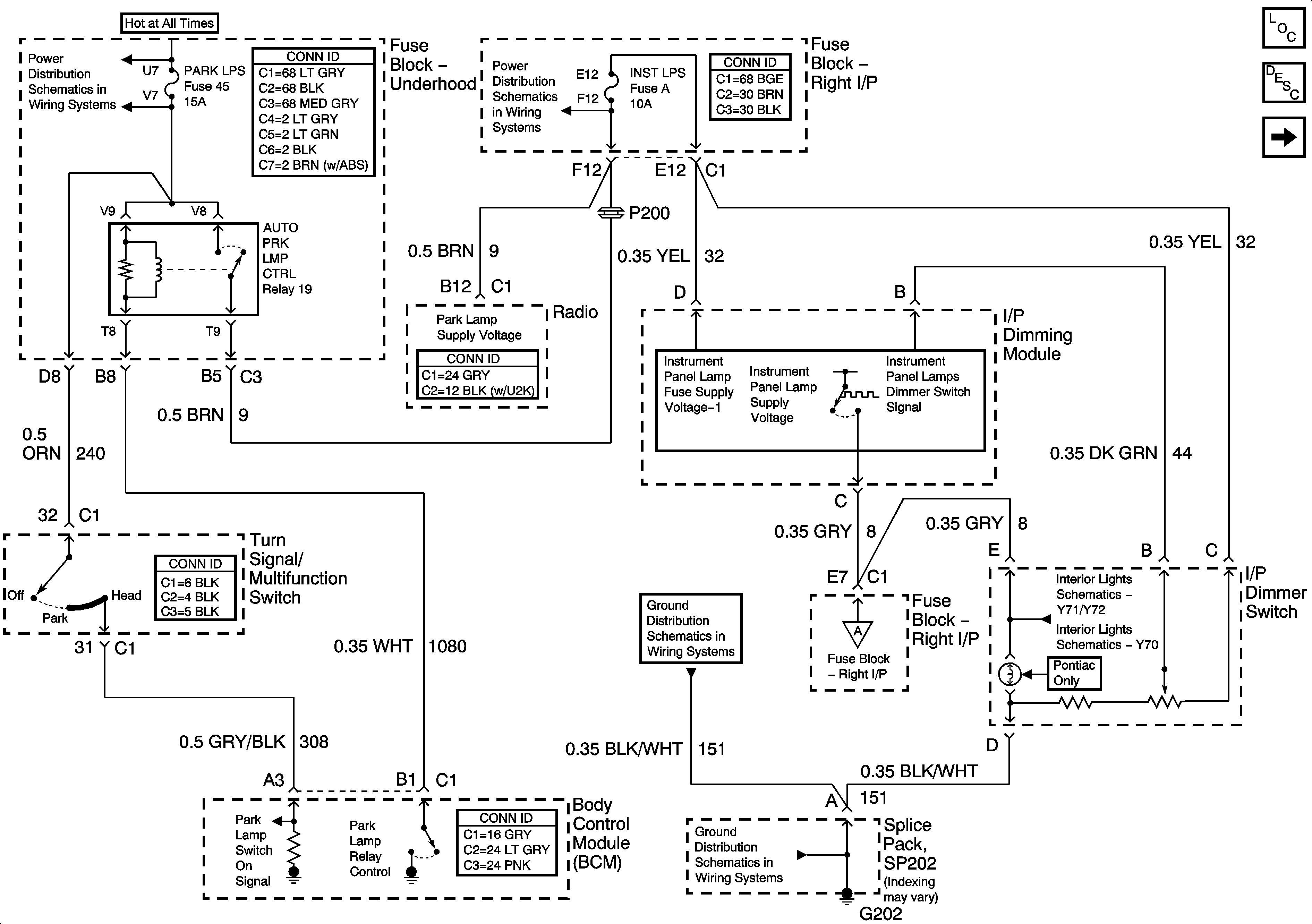
🢒 Dimmer Controls
Dimmer Controls
Dimmer Controls
Master Electrical Component List
Interior Lighting Systems Description and Operation
Instrument Panel Lamps
L/H BEC BATT1, AUX PWR/CIGAR, PARK LPS, PCM BATT, PWR MIRROR, DR LOCK, TRUNK REL/Radio Amp Fuses, and RWR SEAT Circuit Breaker
INST LPS Fuse
G202
Instrument Panel Lamps
Dome Lamps - Y71/Y72
Dome Lamps - Y70
G202