GM Service Manual Online
For 1990-2009 cars only
Makes
🢒
Oldsmobile
🢒
1998
🢒
Aurora
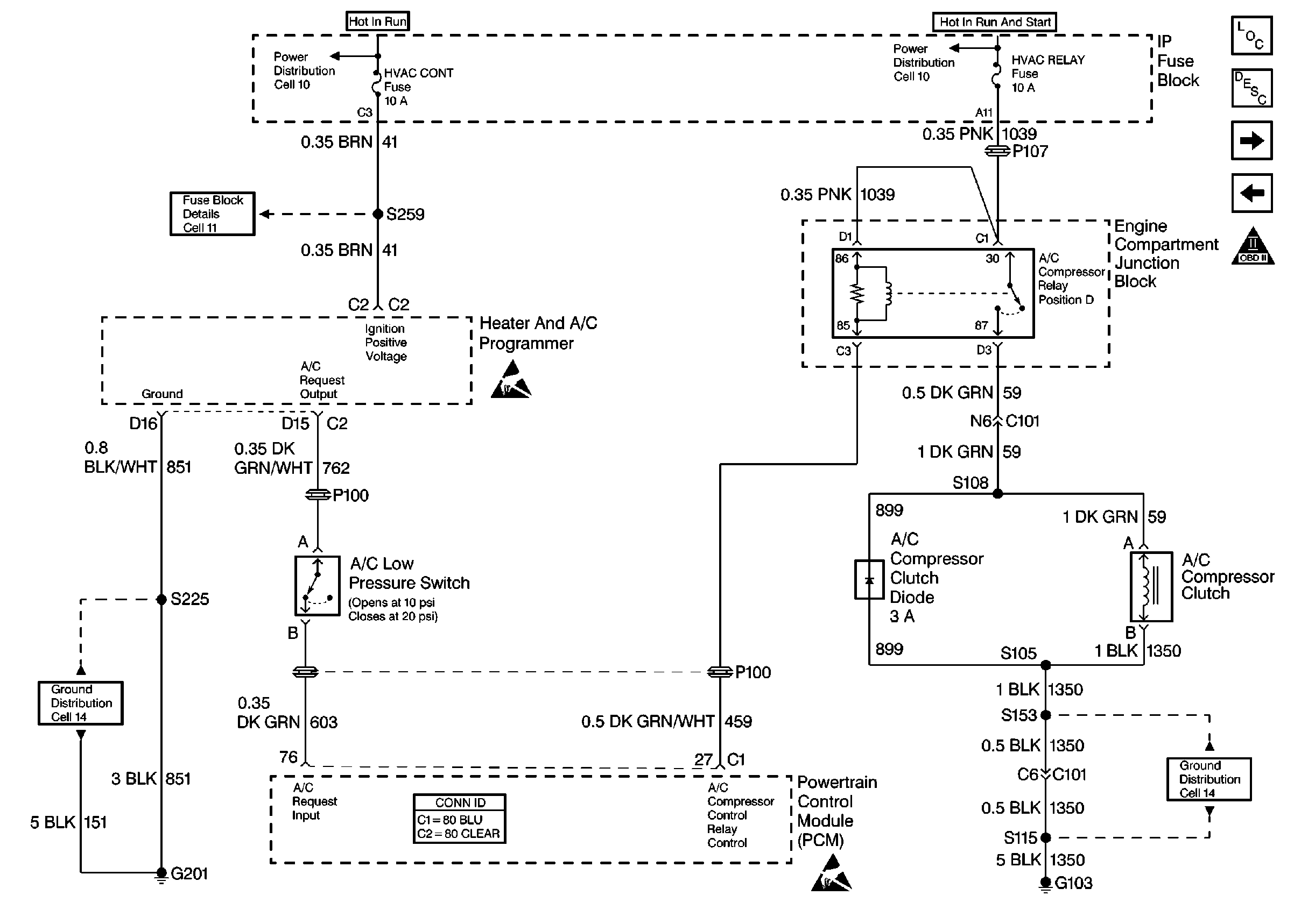
🢒 Cell 21: A/C Compressor Controls
Cell 21: A/C Compressor Controls
Cell 21: A/C Compressor Controls
Engine Controls Components
Powertrain Control Module Description
Cell 21: A/C Sensors
Cell 21: Engine Oil Level Switch, Generator, EBTCM
OBDII Symbol Description Notice
Power Distribution Schematics
Power Distribution Schematics
Handling ESD Sensitive Parts Notice
Power Distribution Schematics
Powertrain Control Module Connector End Views
Ground Distribution Schematics
Ground Distribution Schematics
Handling ESD Sensitive Parts Notice