GM Service Manual Online
For 1990-2009 cars only
Makes
🢒
Oldsmobile
🢒
2003
🢒
Aurora
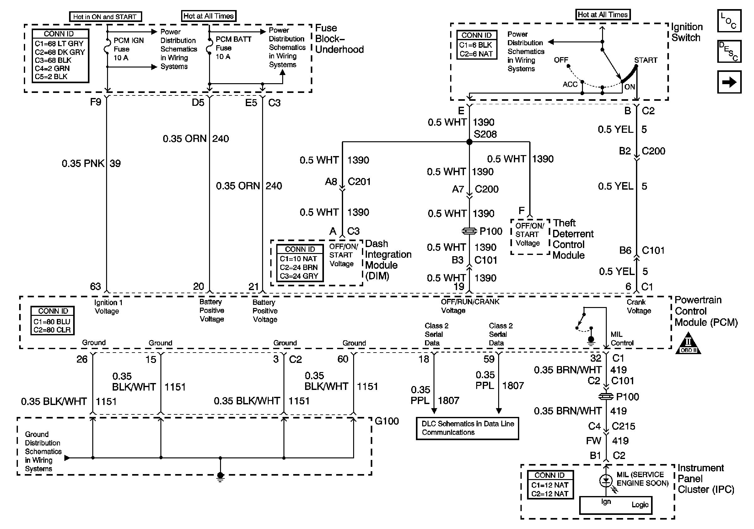
🢒 Power to the PCM and Ignition Switch Circuits
Power to the PCM and Ignition Switch Circuits
Power to the PCM and Ignition Switch Circuits
Master Electrical Component List
Powertrain Control Module Description
Ignition Control Modules
OBD II Symbol Description Notice
Battery Feed to the Fuse Block-Underhood
Battery Feed to the Fuse Block-Underhood
IGN SW Fuse (Fuse Block-Rear)
G100 and G102, L47
Serial Data Class 2