GM Service Manual Online
For 1990-2009 cars only
Makes
🢒
Oldsmobile
🢒
2003
🢒
Aurora
🢒 Ignition Switch and Controls
Ignition Switch and Controls
Ignition Switch and Controls
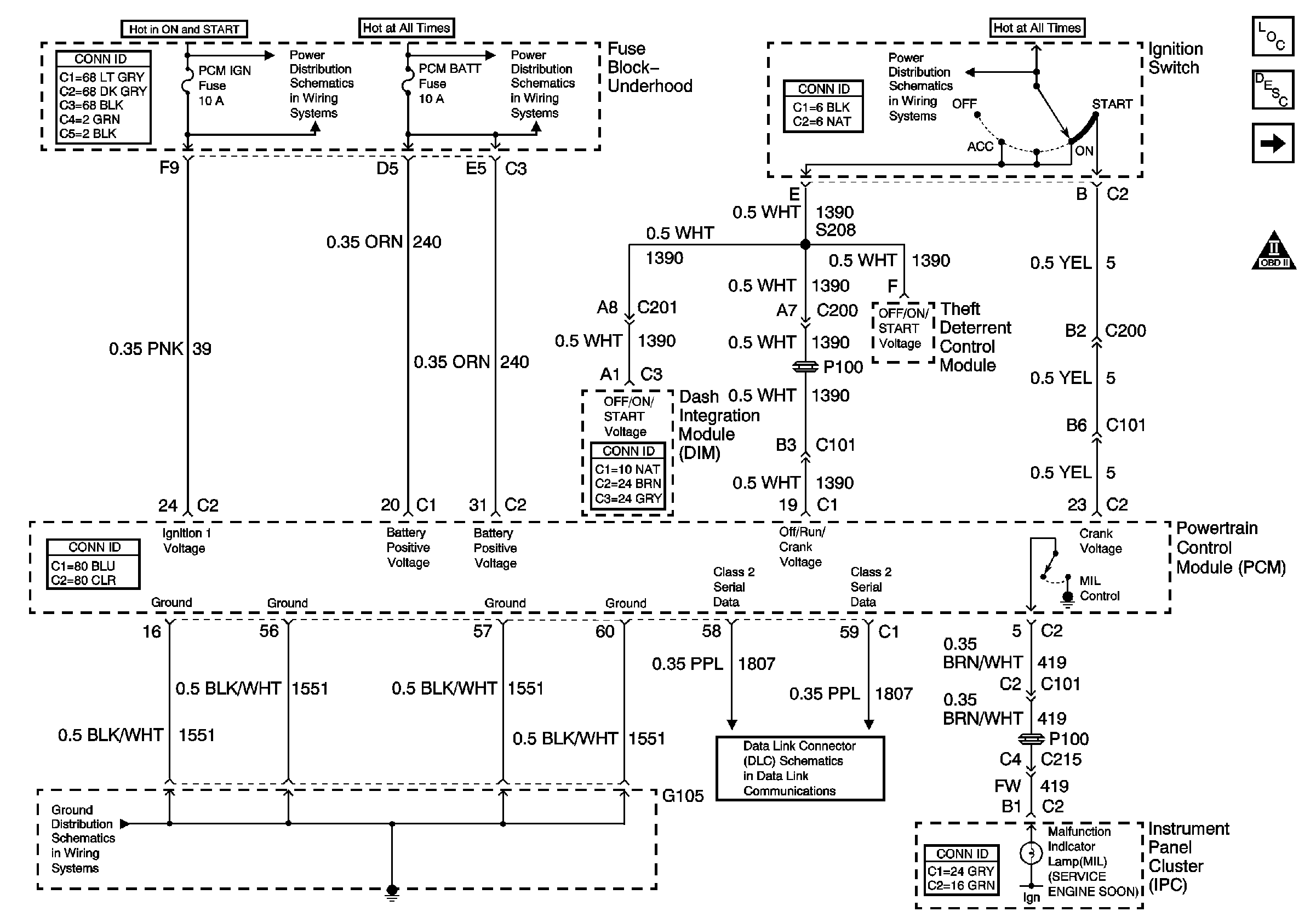
Master Electrical Component List
Powertrain Control Module Description
Ignition Control Modules
OBD II Symbol Description Notice
IGN SW Fuse (Fuse Block-Rear)
Battery Feed to the Fuse Block-Underhood
Battery Feed to the Fuse Block-Underhood
G104 and G105, LX5
Serial Data Class 2