GM Service Manual Online
For 1990-2009 cars only
Makes
🢒
Oldsmobile
🢒
2003
🢒
Aurora
🢒 Single Air Pump System
Single Air Pump System
Single Air Pump System
Master Electrical Component List
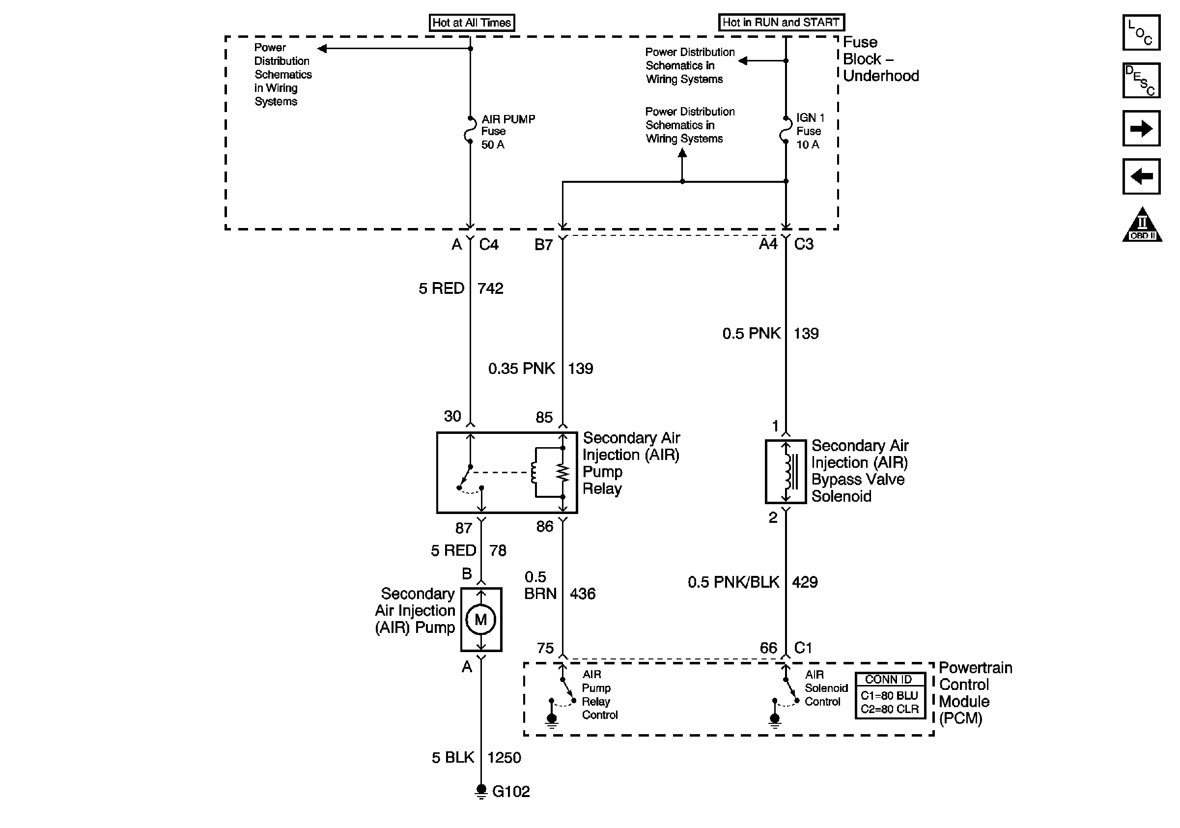
Secondary Air Injection System Description
PCM Controls (1 of 2)
AIR Pump Relays and Motors
OBD II Symbol Description Notice
L47 IGN 1, OXY SEN, DIS Fuses and IGN 1 Relay (Fuse Block-Underhood)
Battery Feed to the Fuse Block-Underhood
Battery Feed to the Fuse Block-Underhood