GM Service Manual Online
For 1990-2009 cars only
Makes
🢒
Oldsmobile
🢒
2003
🢒
Aurora
🢒 W/DD7 or DD8
W/DD7 or DD8
W/DD7 or DD8
Master Electrical Component List
W/UE1
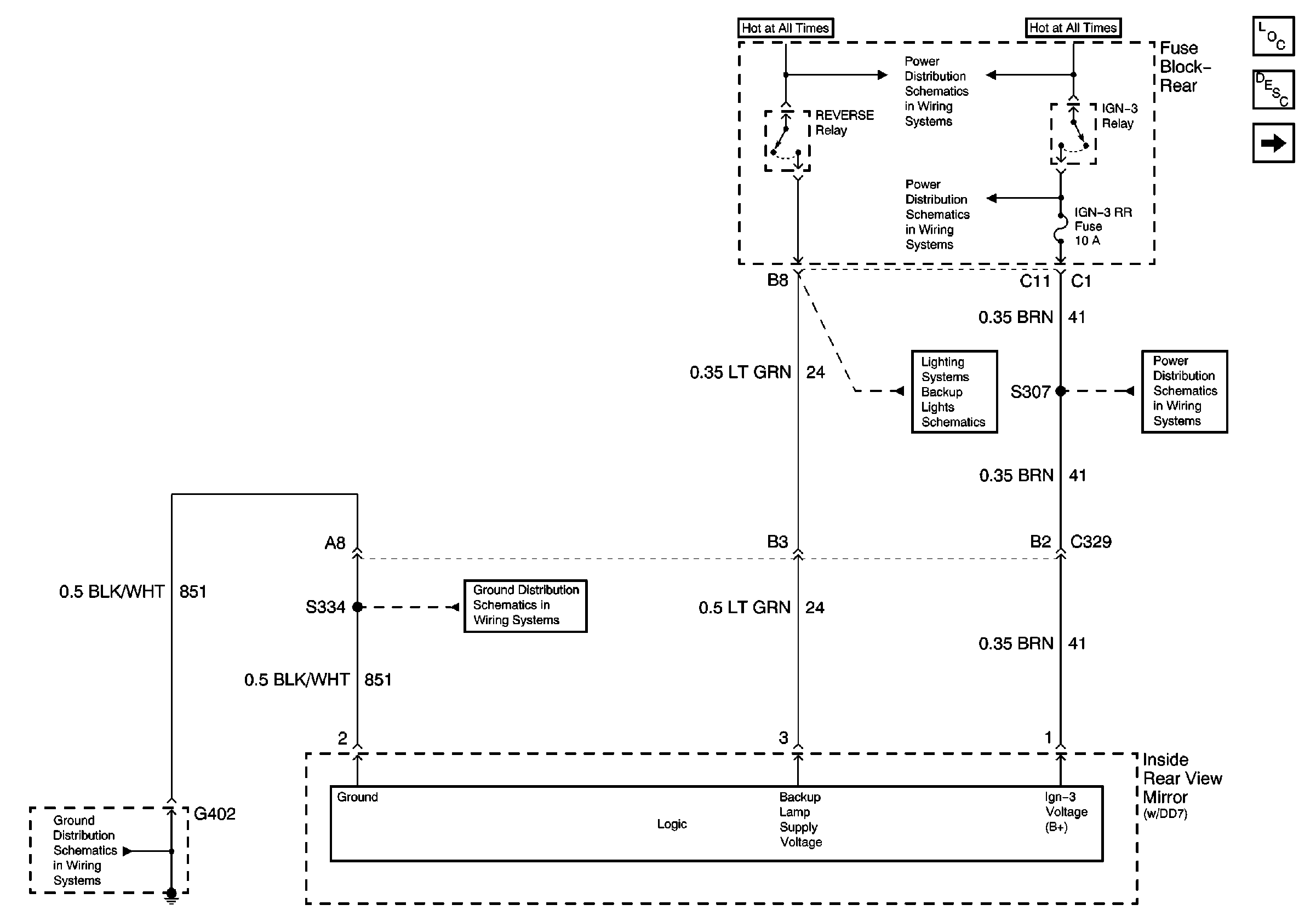
Battery Feed to the Fuse Block-Rear
IGN 3 RR, ABS, HVAC Fuses (Fuse Block-Rear)
Backup Lamps
IGN 3 RR, ABS, HVAC Fuses (Fuse Block-Rear)
G402
G402