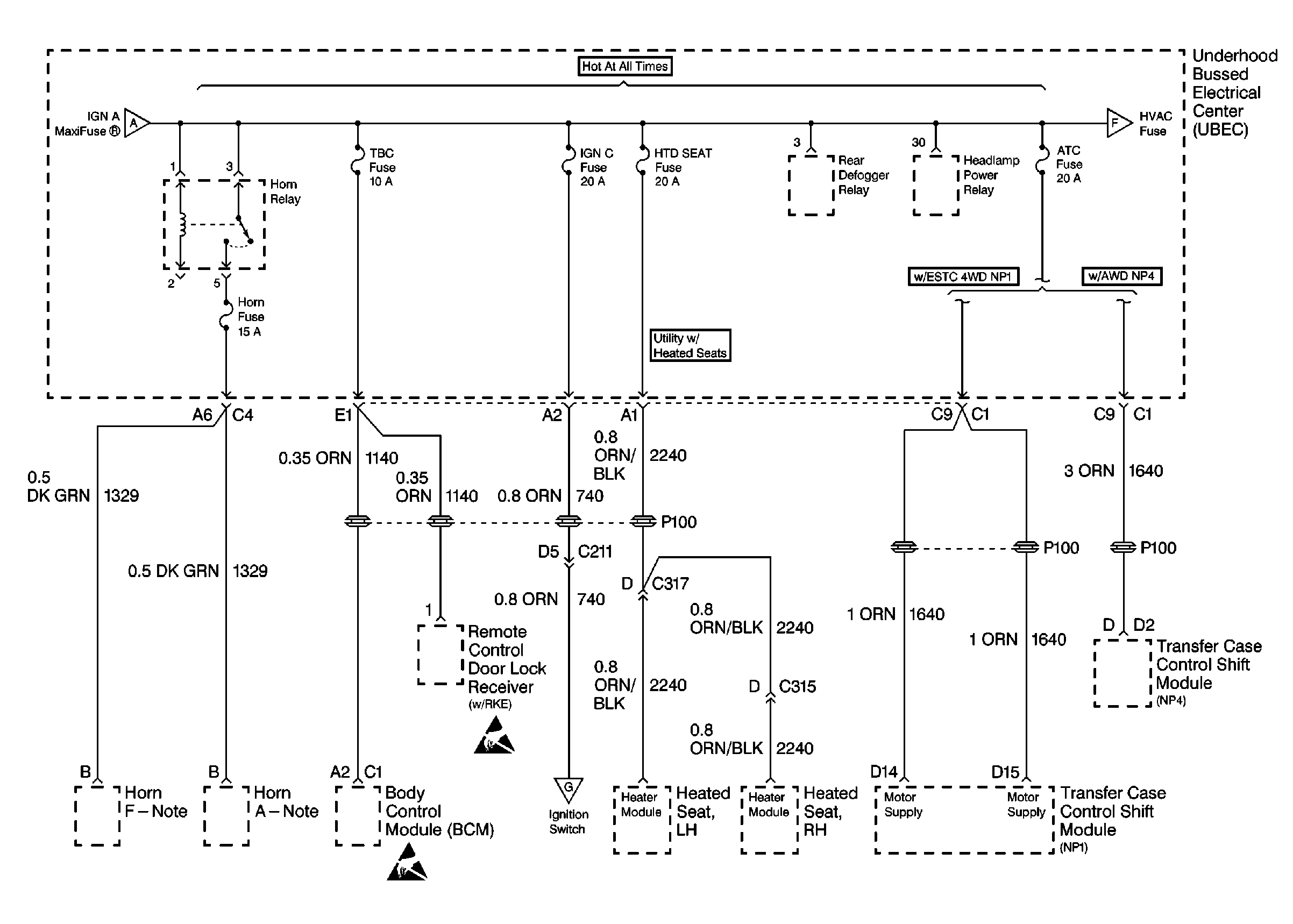
GM Service Manual Online
For 1990-2009 cars only
Figure 1:

Cell 10: 175 A Mega® Fuse, Stud 2, INT BATT, IGN B, RAP, ABS, and IGN A MaxiFuses®


Object Number: 355554  Size: FS
Power and Grounding Components
Cell 10: TBC, IGN C, HTD SEAT, and ATC Fuses
Ground Distribution Schematics
Cell 10: TBC, IGN C, HTD SEAT, and ATC Fuses
Cell 10: AUX PWR, RDO BATT, MIR/LKS, HDLP SW, AMPF, PWR LKS, CTSY LP, and CIGAR LTR Fuses
Cell 10: Ignition Switch
Cell 10: RDO IGN, RR WPR, and FRT WPR Fuses
Handling ESD Sensitive Parts Notice
Cell 10: Ignition Switch
Figure 2:

Cell 10: TBC, IGN C, HTD SEAT, and ATC Fuses


Object Number: 355565  Size: FS
Power and Grounding Components
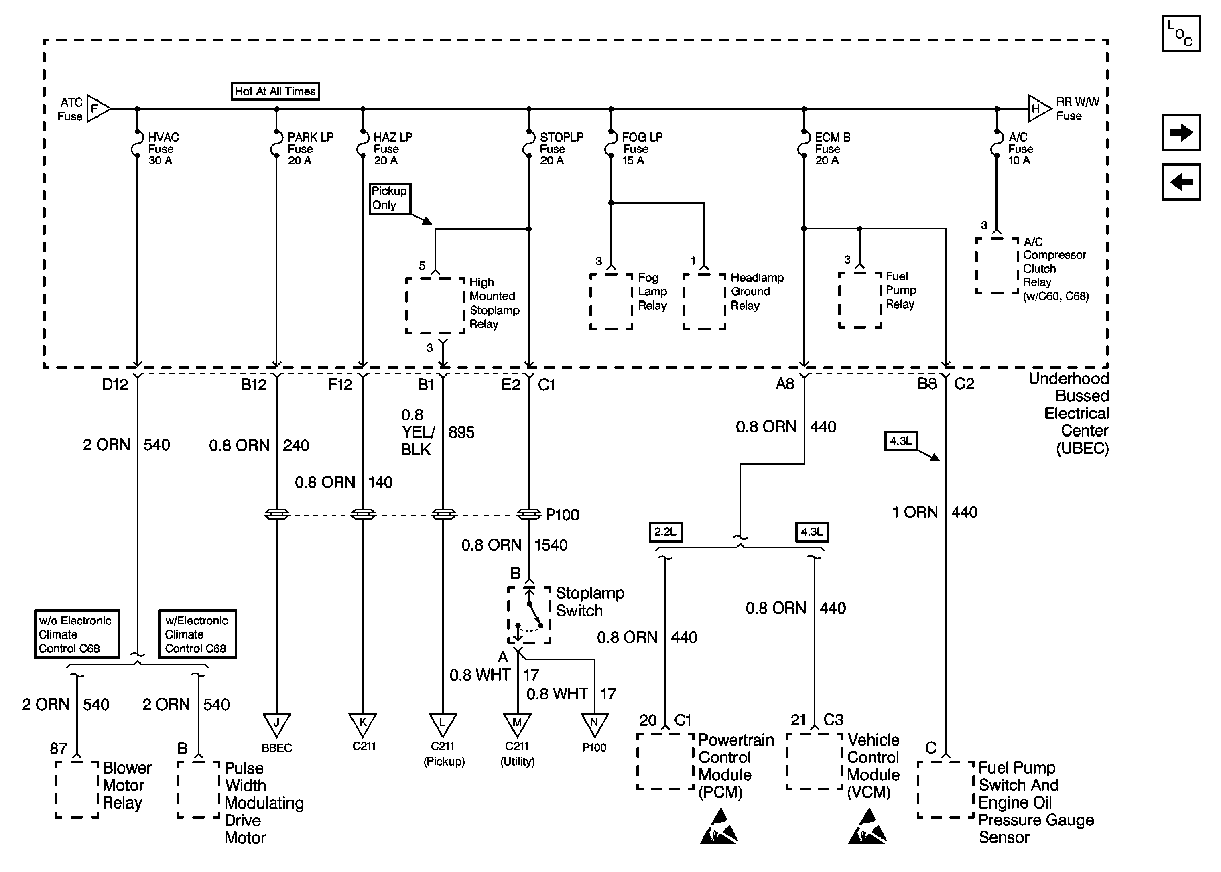
Cell 10: HVAC, PARK LP, HAZ LP, STOP LP, FOG LP, ECM B, and A/C Fuses
Cell 10: 175 A Mega® Fuse, Stud 2, INT BATT, IGN B, RAP, ABS, and IGN A MaxiFuses®
Cell 10: 175 A Mega® Fuse, Stud 2, INT BATT, IGN B, RAP, ABS, and IGN A MaxiFuses®
Cell 10: HVAC, PARK LP, HAZ LP, STOP LP, FOG LP, ECM B, and A/C Fuses
Cell 10: Ignition Switch
Handling ESD Sensitive Parts Notice
Handling ESD Sensitive Parts Notice
Figure 3:

Cell 10: HVAC, PARK LP, HAZ LP, STOP LP, FOG LP, ECM B, and A/C Fuses


Object Number: 355569  Size: FS
Power and Grounding Components
Cell 10: RR W/W, DRL, HIGH BEAM, and LDLEV Fuses
Cell 10: TBC, IGN C, HTD SEAT, and ATC Fuses
Cell 10: TBC, IGN C, HTD SEAT, and ATC Fuses
Cell 10: RR W/W, DRL, HIGH BEAM, and LDLEV Fuses
Cell 10: ILLUM and PARK LPS Fuses
Cell 10: Hazard Switch and Turn Signal Lamp Flasher
Cell 10: Hazard Switch and Turn Signal Switch
Cell 10: Hazard Switch and Turn Signal Switch
Cell 10: VECHMSL and TRCHMSL Fuses
Handling ESD Sensitive Parts Notice
Handling ESD Sensitive Parts Notice
Figure 4:

Cell 10: RR W/W, DRL, HIGH BEAM, and LDLEV Fuses


Object Number: 355576  Size: FS
Power and Grounding Components
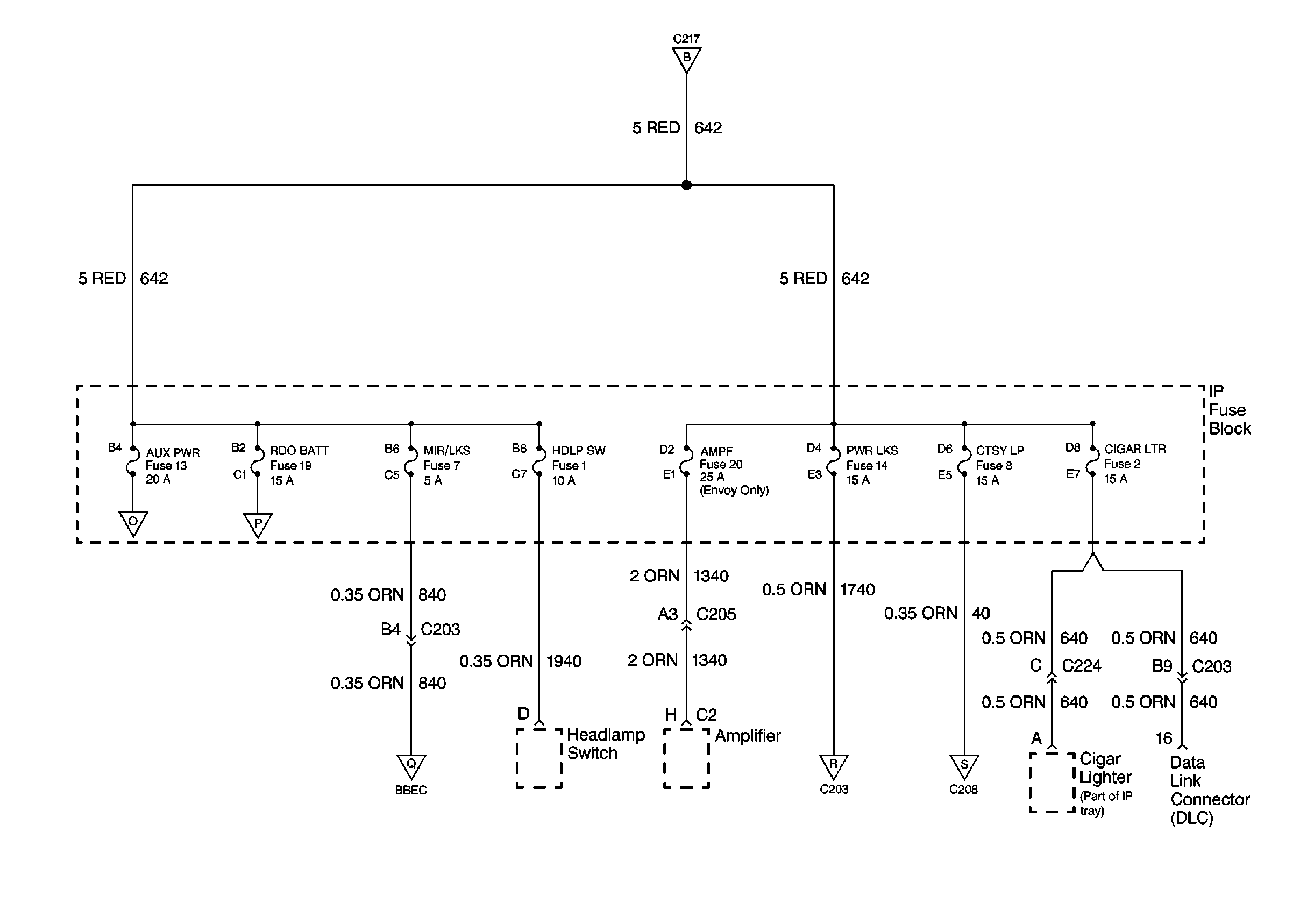
Cell 10: AUX PWR, RDO BATT, MIR/LKS, HDLP SW, AMPF, PWR LKS, CTSY LP, and CIGAR LTR Fuses
Cell 10: HVAC, PARK LP, HAZ LP, STOP LP, FOG LP, ECM B, and A/C Fuses
Cell 10: HVAC, PARK LP, HAZ LP, STOP LP, FOG LP, ECM B, and A/C Fuses
Handling ESD Sensitive Parts Notice
Handling ESD Sensitive Parts Notice
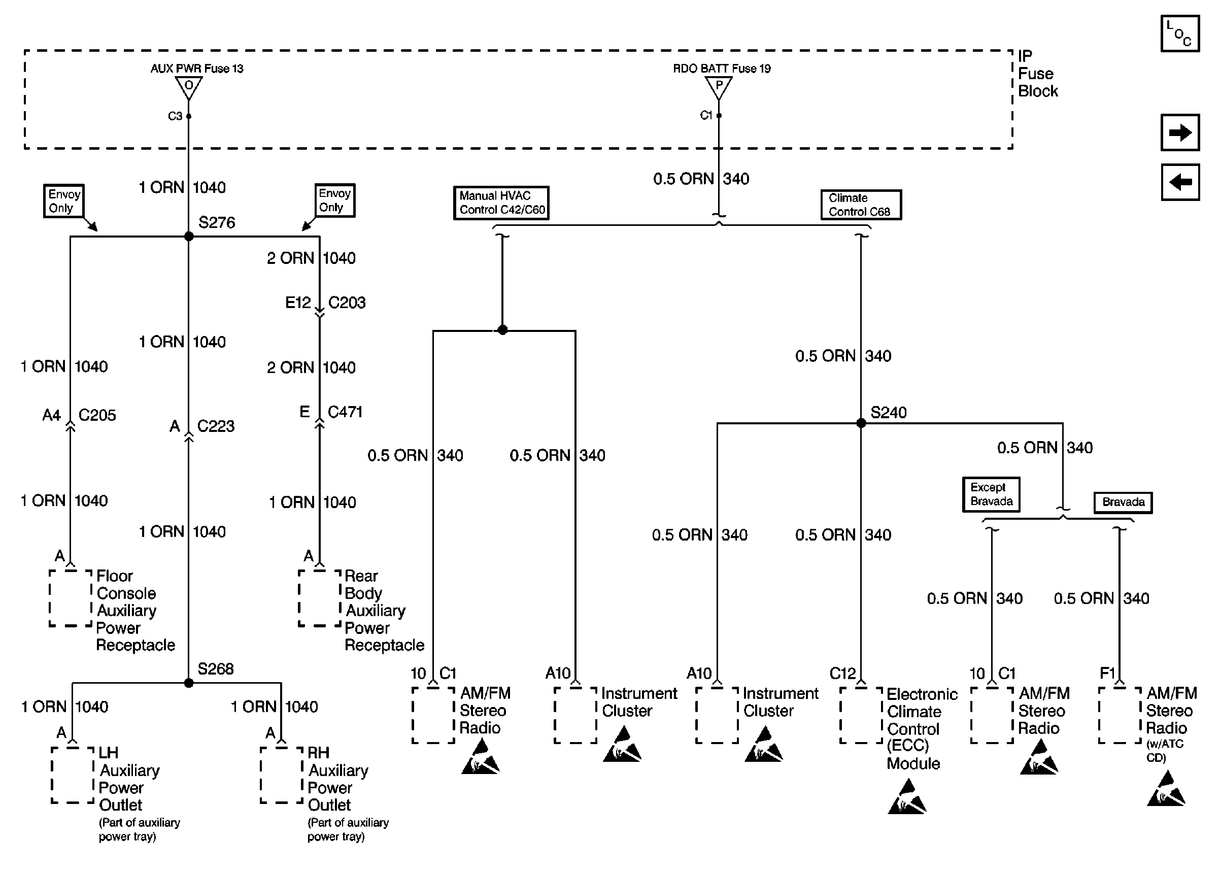
Figure 5:

Cell 10: AUX PWR, RDO BATT, MIR/LKS, HDLP SW, AMPF, PWR LKS, CTSY LP, and CIGAR LTR Fuses


Object Number: 355580  Size: FS
Power and Grounding Components
Cell 10: S276 and S240
Cell 10: RR W/W, DRL, HIGH BEAM, and LDLEV Fuses
Cell 10: 175 A Mega® Fuse, Stud 2, INT BATT, IGN B, RAP, ABS, and IGN A MaxiFuses®
Cell 10: S276 and S240
Cell 10: S276 and S240
Cell 10: BBEC
Cell 10: BBEC
Cell 10: BBEC, S208 and S310
Figure 6:

Cell 10: S276 and S240


Object Number: 355588  Size: FS
Power and Grounding Components
Cell 10: BBEC
Cell 10: AUX PWR, RDO BATT, MIR/LKS, HDLP SW, AMPF, PWR LKS, CTSY LP, and CIGAR LTR Fuses
Cell 10: AUX PWR, RDO BATT, MIR/LKS, HDLP SW, AMPF, PWR LKS, CTSY LP, and CIGAR LTR Fuses
Cell 10: AUX PWR, RDO BATT, MIR/LKS, HDLP SW, AMPF, PWR LKS, CTSY LP, and CIGAR LTR Fuses
Handling ESD Sensitive Parts Notice
Handling ESD Sensitive Parts Notice
Handling ESD Sensitive Parts Notice
Handling ESD Sensitive Parts Notice
Handling ESD Sensitive Parts Notice
Handling ESD Sensitive Parts Notice
Figure 7:

Cell 10: BBEC


Object Number: 355594  Size: FS
Power and Grounding Components
Cell 10: BBEC, S208 and S310
Cell 10: S276 and S240
Cell 10: AUX PWR, RDO BATT, MIR/LKS, HDLP SW, AMPF, PWR LKS, CTSY LP, and CIGAR LTR Fuses
Cell 10: AUX PWR, RDO BATT, MIR/LKS, HDLP SW, AMPF, PWR LKS, CTSY LP, and CIGAR LTR Fuses
Figure 8:

Cell 10: BBEC, S208 and S310


Object Number: 355599  Size: FS
Power and Grounding Components
Cell 10: Ignition Switch
Cell 10: BBEC
Cell 10: AUX PWR, RDO BATT, MIR/LKS, HDLP SW, AMPF, PWR LKS, CTSY LP, and CIGAR LTR Fuses
Handling ESD Sensitive Parts Notice
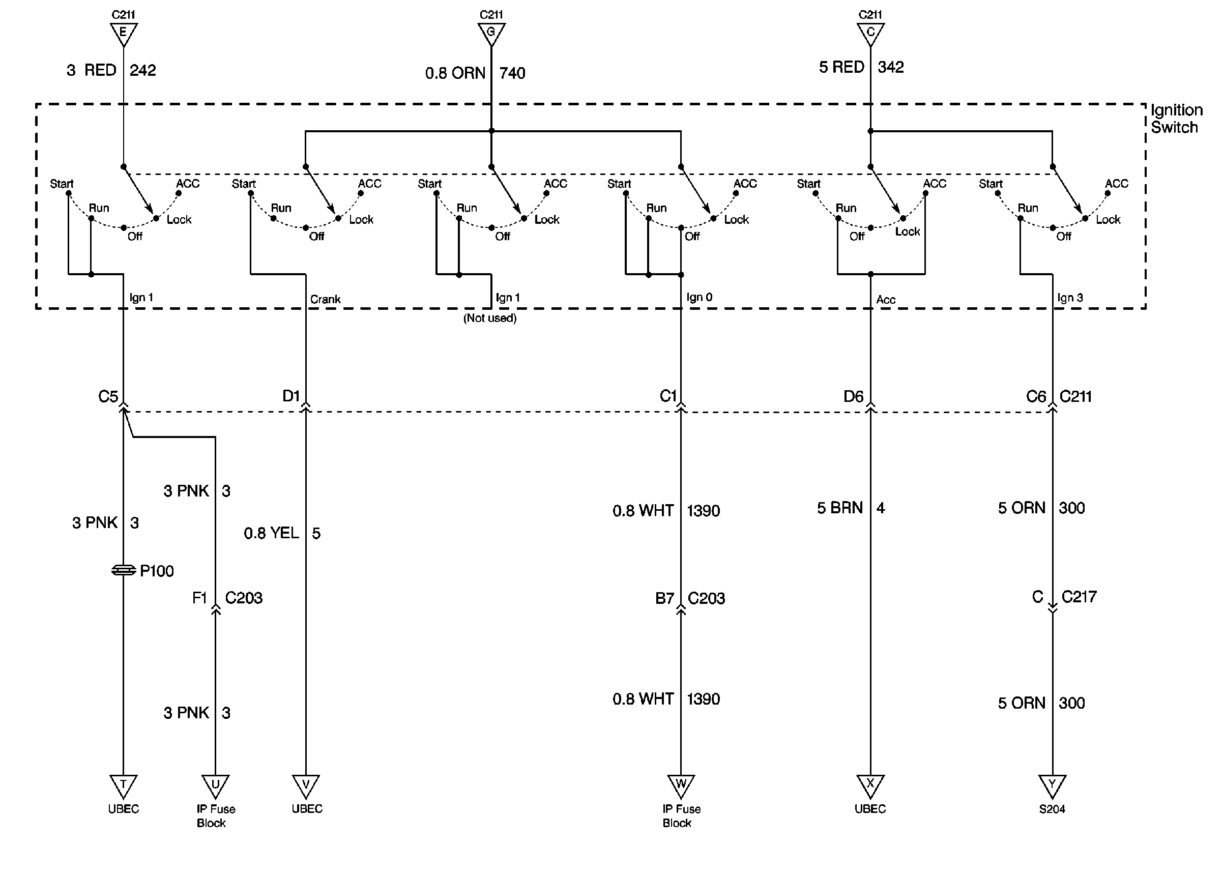
Figure 9:

Cell 10: Ignition Switch


Object Number: 355602  Size: FS
Power and Grounding Components
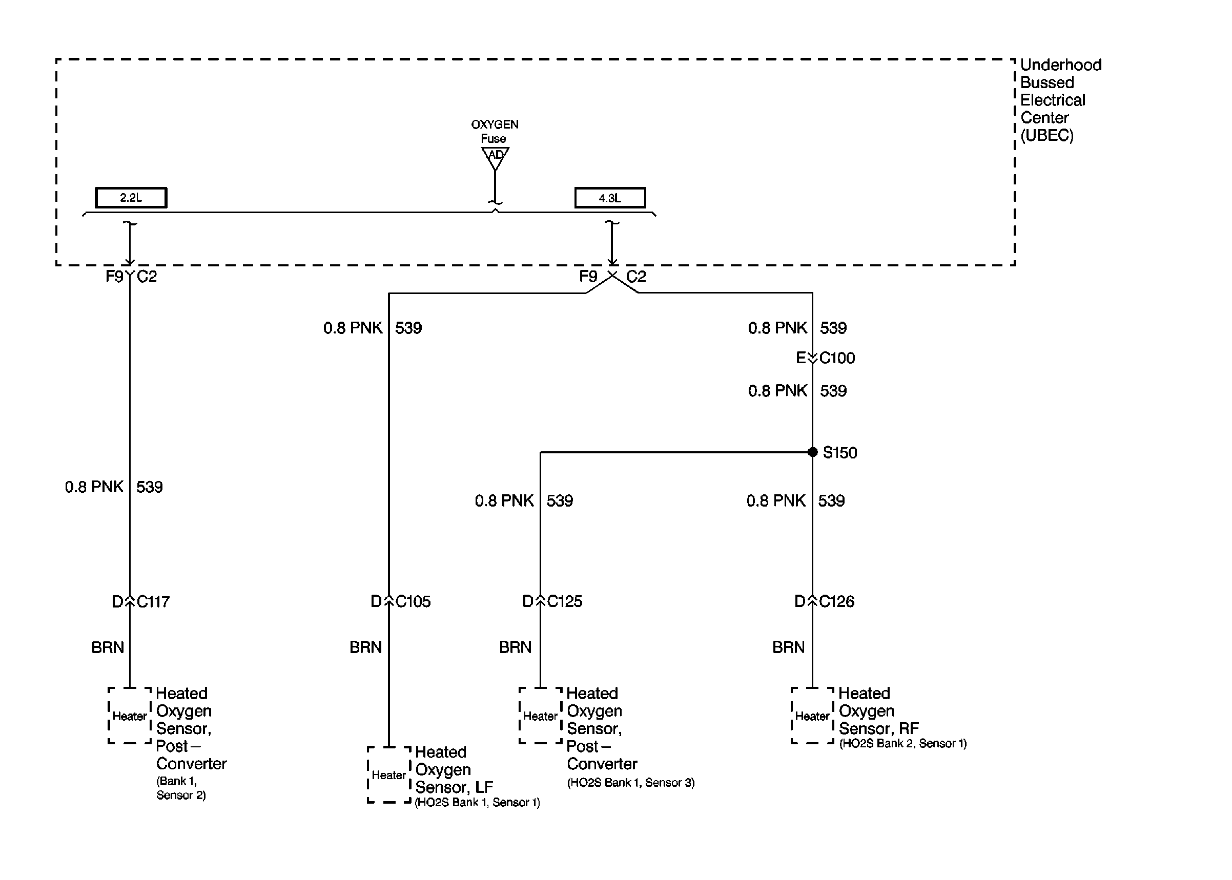
Cell 10: IGN E, B/U LP and OXYSEN Fuses
Cell 10: BBEC, S208 and S310
Cell 10: 175 A Mega® Fuse, Stud 2, INT BATT, IGN B, RAP, ABS, and IGN A MaxiFuses®
Cell 10: TBC, IGN C, HTD SEAT, and ATC Fuses
Cell 10: 175 A Mega® Fuse, Stud 2, INT BATT, IGN B, RAP, ABS, and IGN A MaxiFuses®
Cell 10: IGN E, B/U LP and OXYSEN Fuses
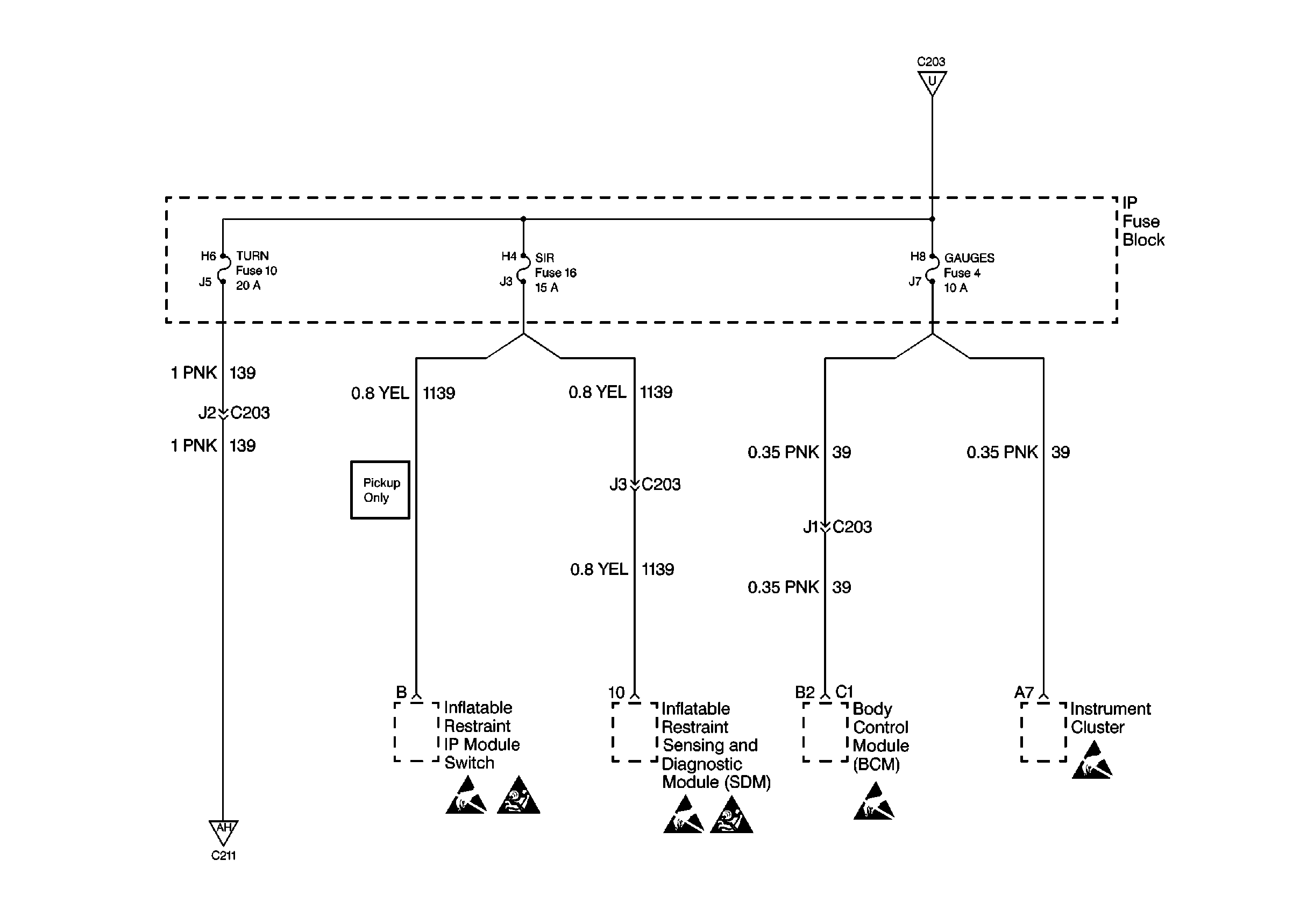
Cell 10: TURN, SIR and GAUGES Fuses
Cell 10: CRANK Fuse
Cell 10: CLSTR Fuse
Cell 10: RDO IGN, RR WPR, and FRT WPR Fuses
Cell 10: ABS and HVAC 1 Fuses
Figure 10:

Cell 10: IGN E, B/U LP and OXYSEN Fuses


Object Number: 355607  Size: FS
Power and Grounding Components
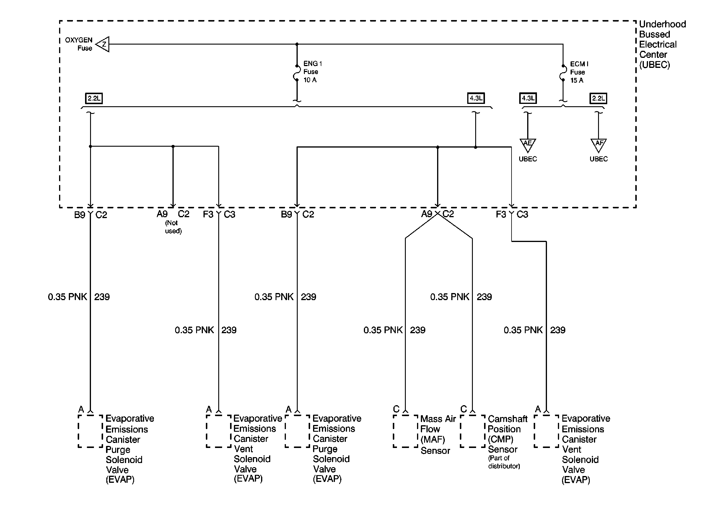
Cell 10: ENG 1 and ECM I Fuses
Cell 10: Ignition Switch
Cell 10: Ignition Switch
Cell 10: ENG 1 and ECM I Fuses
Cell 10: UBEC and S150
Cell 10: TRL B/U and VEH B/U Fuses (w/ M/T)
Cell 10: TRL B/U, VEH B/U, and BTSI Fuses (w/ A/T)
Figure 11:

Cell 10: ENG 1 and ECM I Fuses


Object Number: 355608  Size: FS
Power and Grounding Components
Cell 10: TRL B/U and VEH B/U Fuses (w/ M/T)
Cell 10: IGN E, B/U LP and OXYSEN Fuses
Cell 10: IGN E, B/U LP and OXYSEN Fuses
Cell 10: UBEC, CSFI, and Ignition Coil Assembly
Cell 10: UBEC
Figure 12:

Cell 10: TRL B/U and VEH B/U Fuses (w/ M/T)


Object Number: 355612  Size: FS
Power and Grounding Components
Cell 10: TRL B/U, VEH B/U, and BTSI Fuses (w/ A/T)
Cell 10: ENG 1 and ECM I Fuses
Cell 10: IGN E, B/U LP and OXYSEN Fuses
Figure 13:

Cell 10: TRL B/U, VEH B/U, and BTSI Fuses (w/ A/T)


Object Number: 355616  Size: FS
Power and Grounding Components
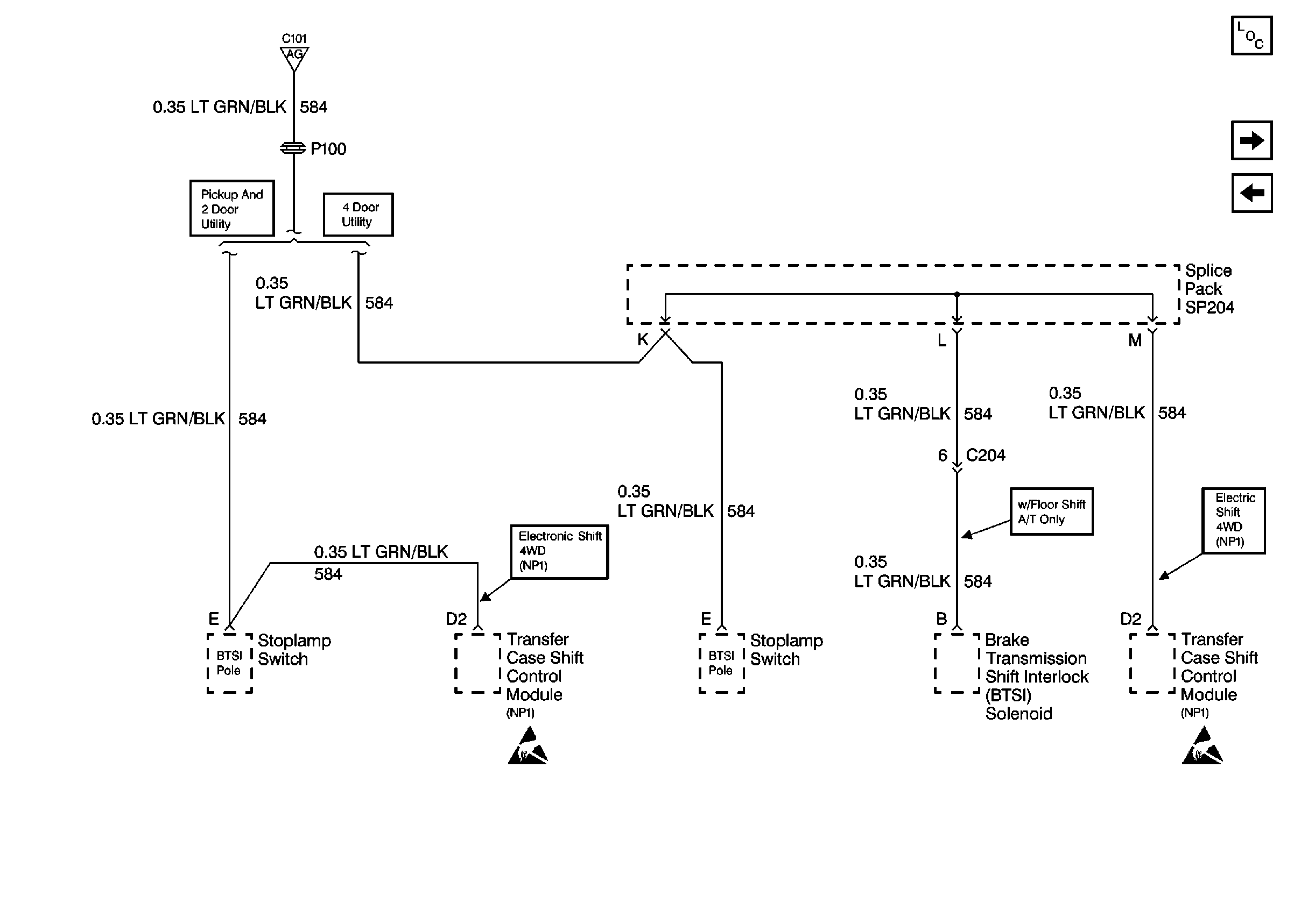
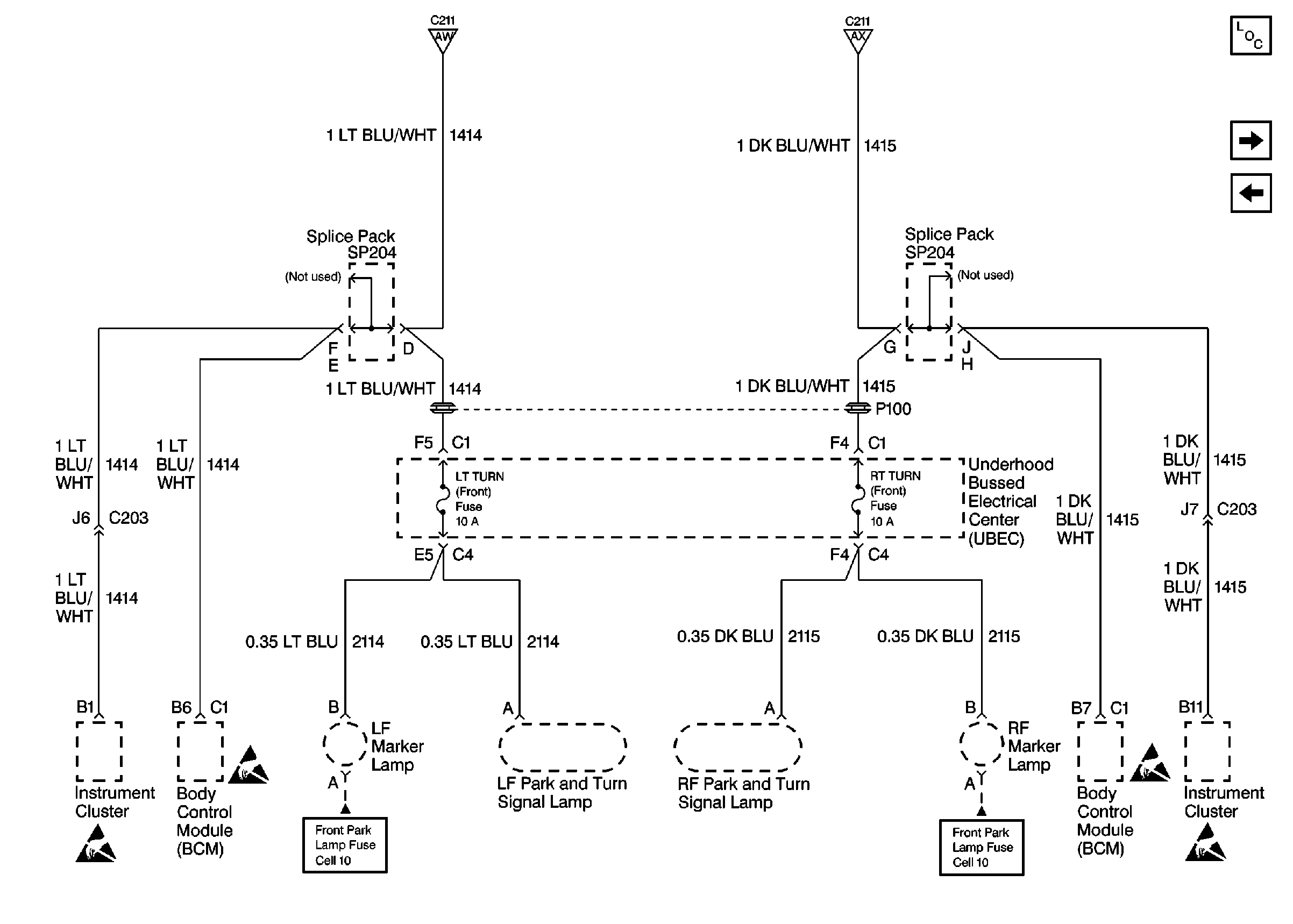
Cell 10: Splice Pack SP204
Cell 10: TRL B/U and VEH B/U Fuses (w/ M/T)
Cell 10: IGN E, B/U LP and OXYSEN Fuses
Cell 10: Splice Pack SP204
Figure 14:

Cell 10: Splice Pack SP204


Object Number: 355618  Size: FS
Power and Grounding Components
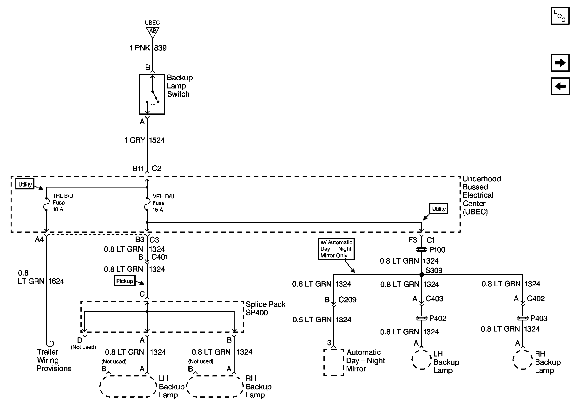
Cell 10: UBEC and S150
Cell 10: TRL B/U, VEH B/U, and BTSI Fuses (w/ A/T)
Cell 10: TRL B/U, VEH B/U, and BTSI Fuses (w/ A/T)
Handling ESD Sensitive Parts Notice
Handling ESD Sensitive Parts Notice
Figure 15:

Cell 10: UBEC and S150


Object Number: 355619  Size: FS
Power and Grounding Components
Cell 10: UBEC, CSFI, and Ignition Coil Assembly
Cell 10: Splice Pack SP204
Cell 10: IGN E, B/U LP and OXYSEN Fuses
Figure 16:

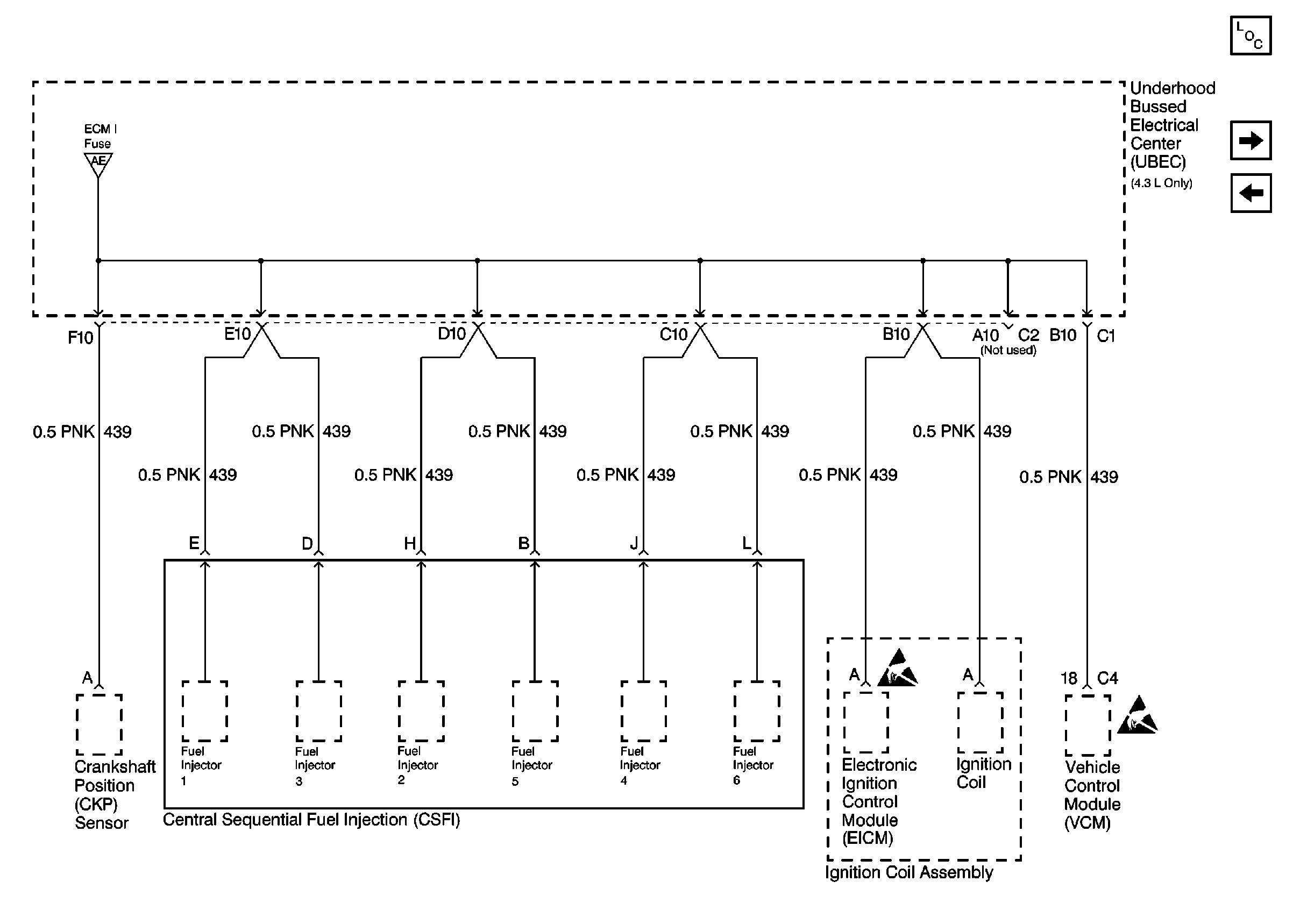
Cell 10: UBEC, CSFI, and Ignition Coil Assembly


Object Number: 355626  Size: FS
Power and Grounding Components
Cell 10: UBEC
Cell 10: UBEC and S150
Cell 10: ENG 1 and ECM I Fuses
Handling ESD Sensitive Parts Notice
Handling ESD Sensitive Parts Notice
Figure 17:

Cell 10: UBEC


Object Number: 355627  Size: FS
Power and Grounding Components
Cell 10: TURN, SIR and GAUGES Fuses
Cell 10: UBEC, CSFI, and Ignition Coil Assembly
Cell 10: ENG 1 and ECM I Fuses
Handling ESD Sensitive Parts Notice
Handling ESD Sensitive Parts Notice
Figure 18:

Cell 10: TURN, SIR and GAUGES Fuses


Object Number: 355629  Size: FS
Power and Grounding Components
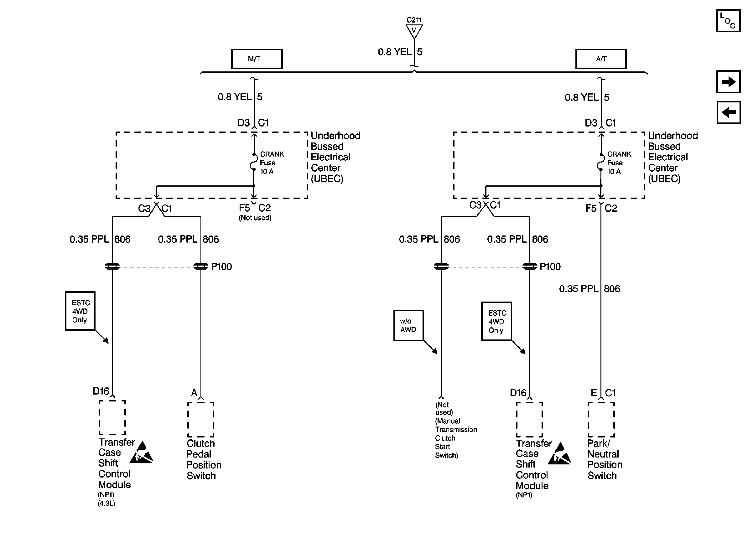
Cell 10: CRANK Fuse
Cell 10: UBEC
Cell 10: Ignition Switch
Cell 10: Hazard Switch and Turn Signal Lamp Flasher
Handling ESD Sensitive Parts Notice
SIR Handling Caution
Handling ESD Sensitive Parts Notice
SIR Handling Caution
Handling ESD Sensitive Parts Notice
Handling ESD Sensitive Parts Notice
Figure 19:

Cell 10: CRANK Fuse


Object Number: 355632  Size: FS
Power and Grounding Components
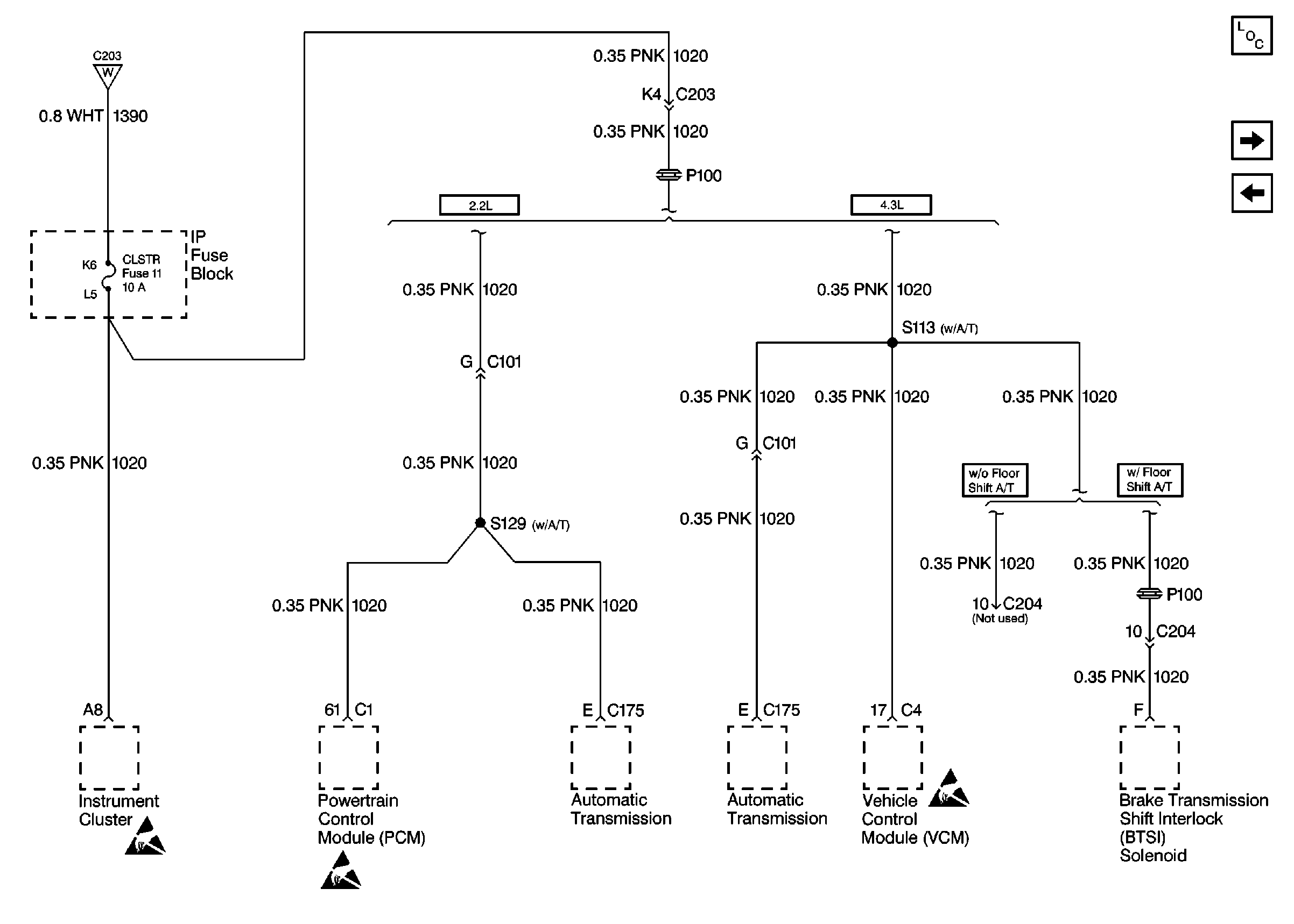
Cell 10: CLSTR Fuse
Cell 10: TURN, SIR and GAUGES Fuses
Cell 10: Ignition Switch
Handling ESD Sensitive Parts Notice
Handling ESD Sensitive Parts Notice
Figure 20:

Cell 10: CLSTR Fuse


Object Number: 355634  Size: FS
Power and Grounding Components
Cell 10: RDO IGN, RR WPR, and FRT WPR Fuses
Cell 10: CRANK Fuse
Cell 10: Ignition Switch
Handling ESD Sensitive Parts Notice
Handling ESD Sensitive Parts Notice
Handling ESD Sensitive Parts Notice
Figure 21:

Cell 10: RDO IGN, RR WPR, and FRT WPR Fuses


Object Number: 355636  Size: FS
Power and Grounding Components
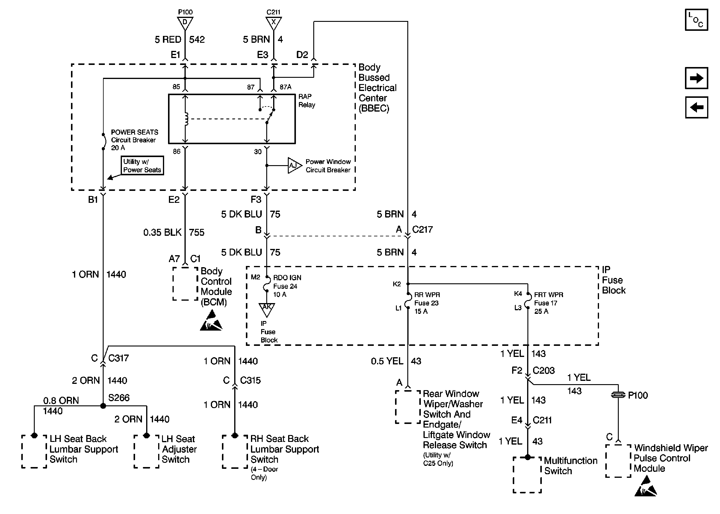
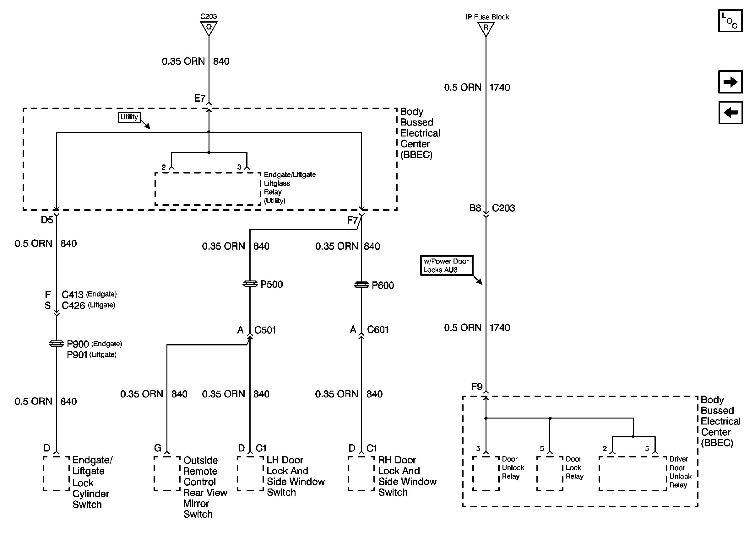
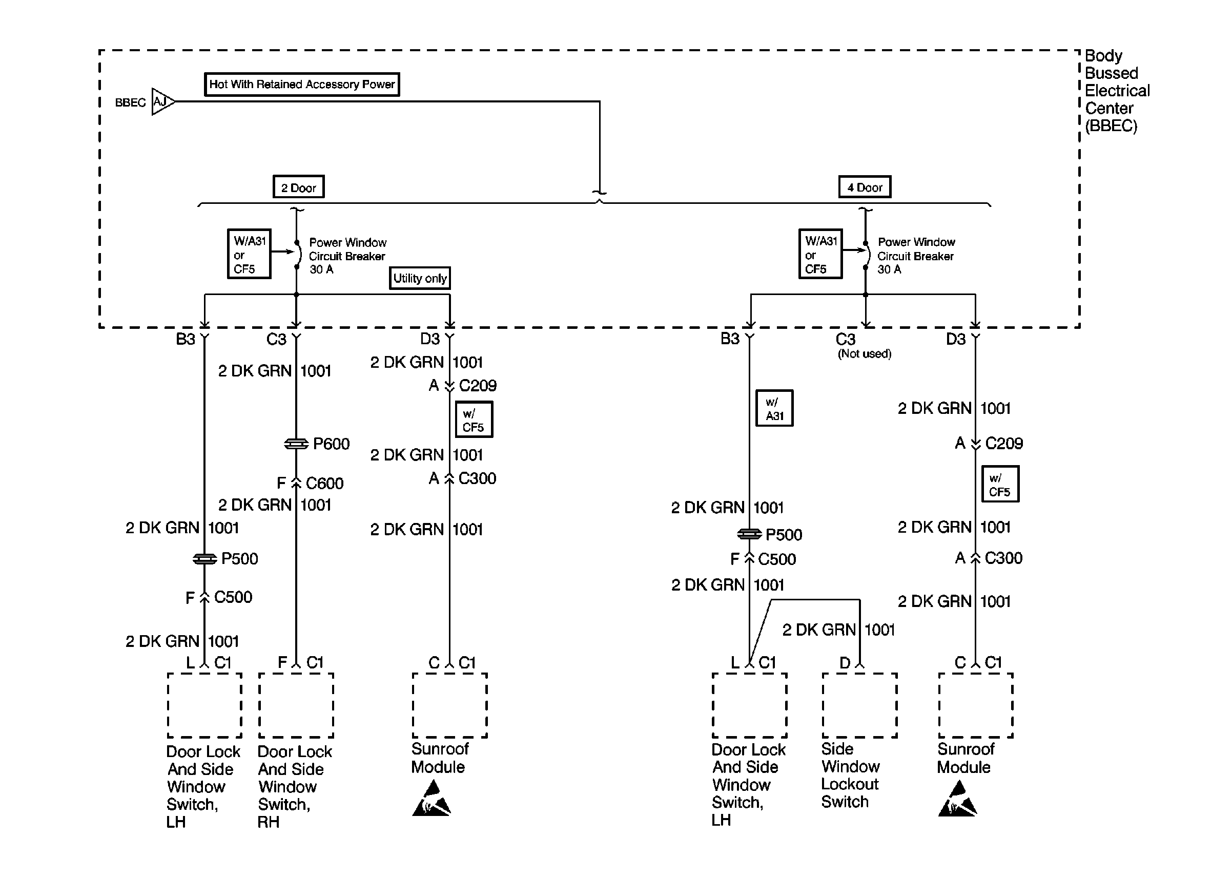
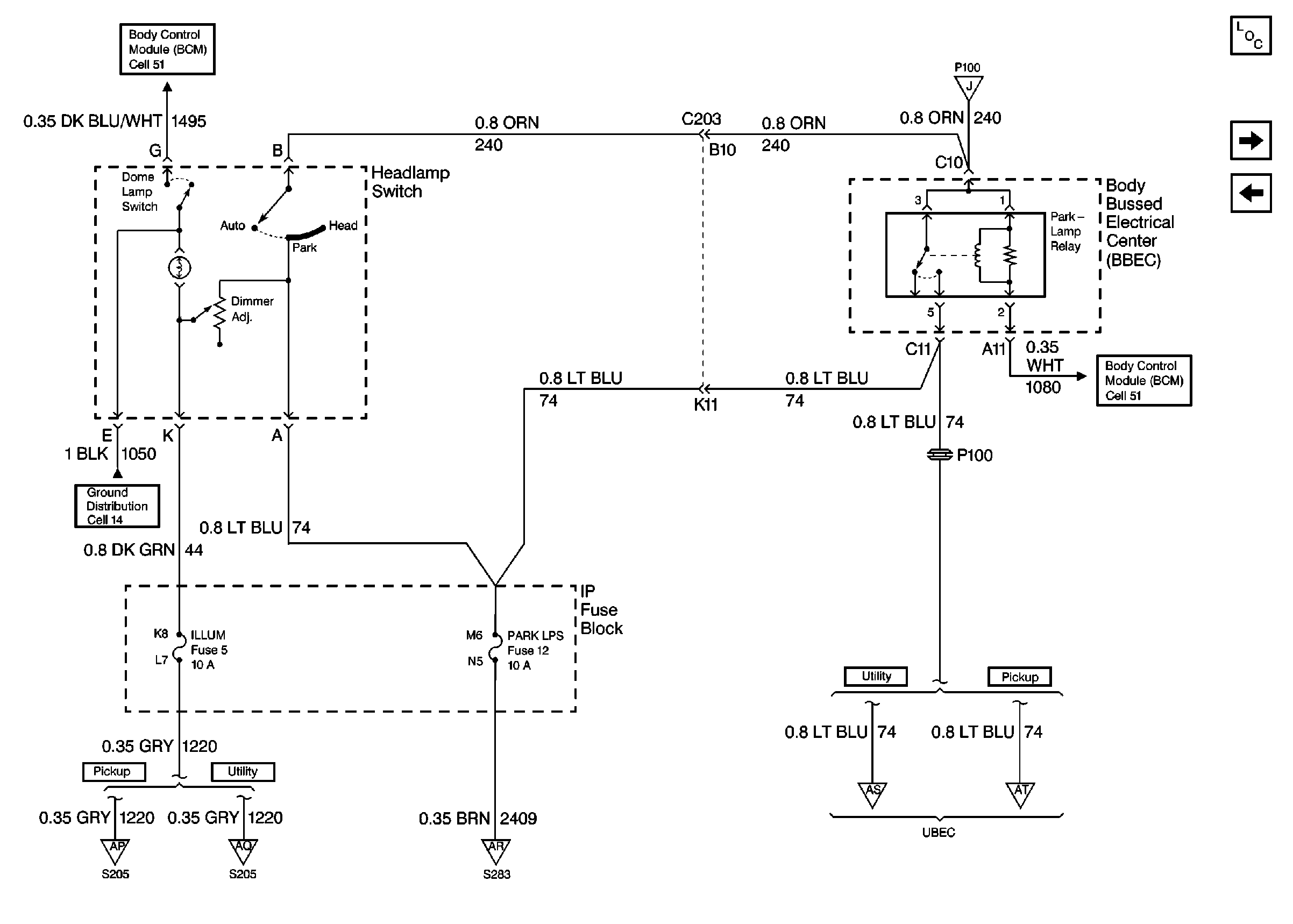
Cell 10: BBEC, Power Window Circuit Breaker
Cell 10: CLSTR Fuse
Cell 10: 175 A Mega® Fuse, Stud 2, INT BATT, IGN B, RAP, ABS, and IGN A MaxiFuses®
Cell 10: Ignition Switch
Cell 10: BBEC, Power Window Circuit Breaker
Handling ESD Sensitive Parts Notice
Cell 10: IP Fuse Block and S290
Handling ESD Sensitive Parts Notice
Figure 22:

Cell 10: BBEC, Power Window Circuit Breaker


Object Number: 355639  Size: FS
Power and Grounding Components
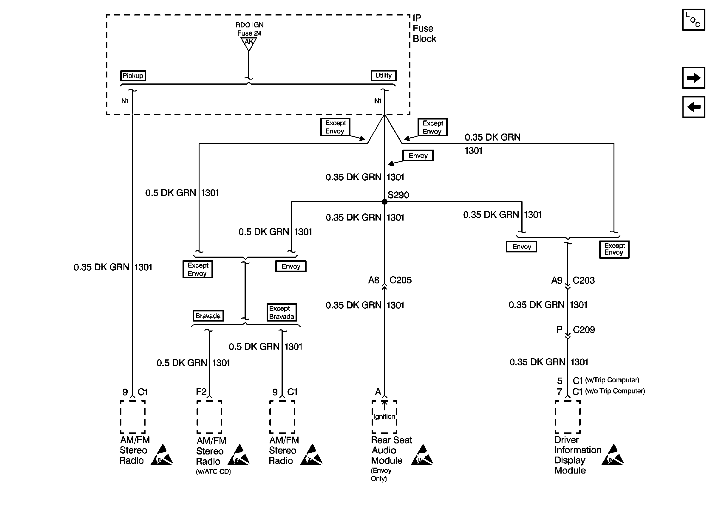
Cell 10: IP Fuse Block and S290
Cell 10: RDO IGN, RR WPR, and FRT WPR Fuses
Cell 10: RDO IGN, RR WPR, and FRT WPR Fuses
Handling ESD Sensitive Parts Notice
Handling ESD Sensitive Parts Notice
Figure 23:

Cell 10: IP Fuse Block and S290


Object Number: 355643  Size: FS
Power and Grounding Components
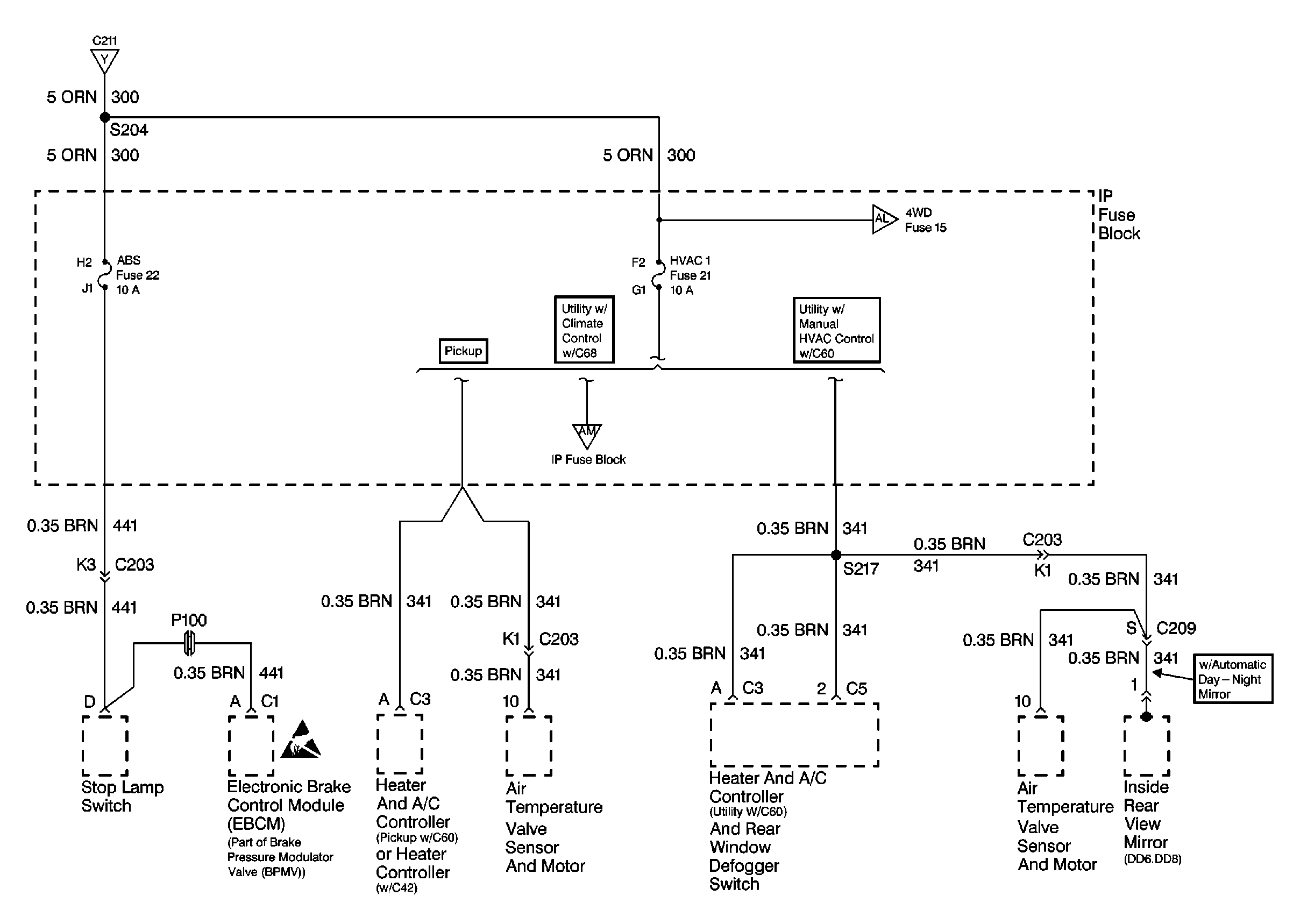
Cell 10: ABS and HVAC 1 Fuses
Cell 10: BBEC, Power Window Circuit Breaker
Cell 10: RDO IGN, RR WPR, and FRT WPR Fuses
Handling ESD Sensitive Parts Notice
Handling ESD Sensitive Parts Notice
Handling ESD Sensitive Parts Notice
Handling ESD Sensitive Parts Notice
Handling ESD Sensitive Parts Notice
Figure 24:

Cell 10: ABS and HVAC 1 Fuses


Object Number: 355663  Size: FS
Power and Grounding Components
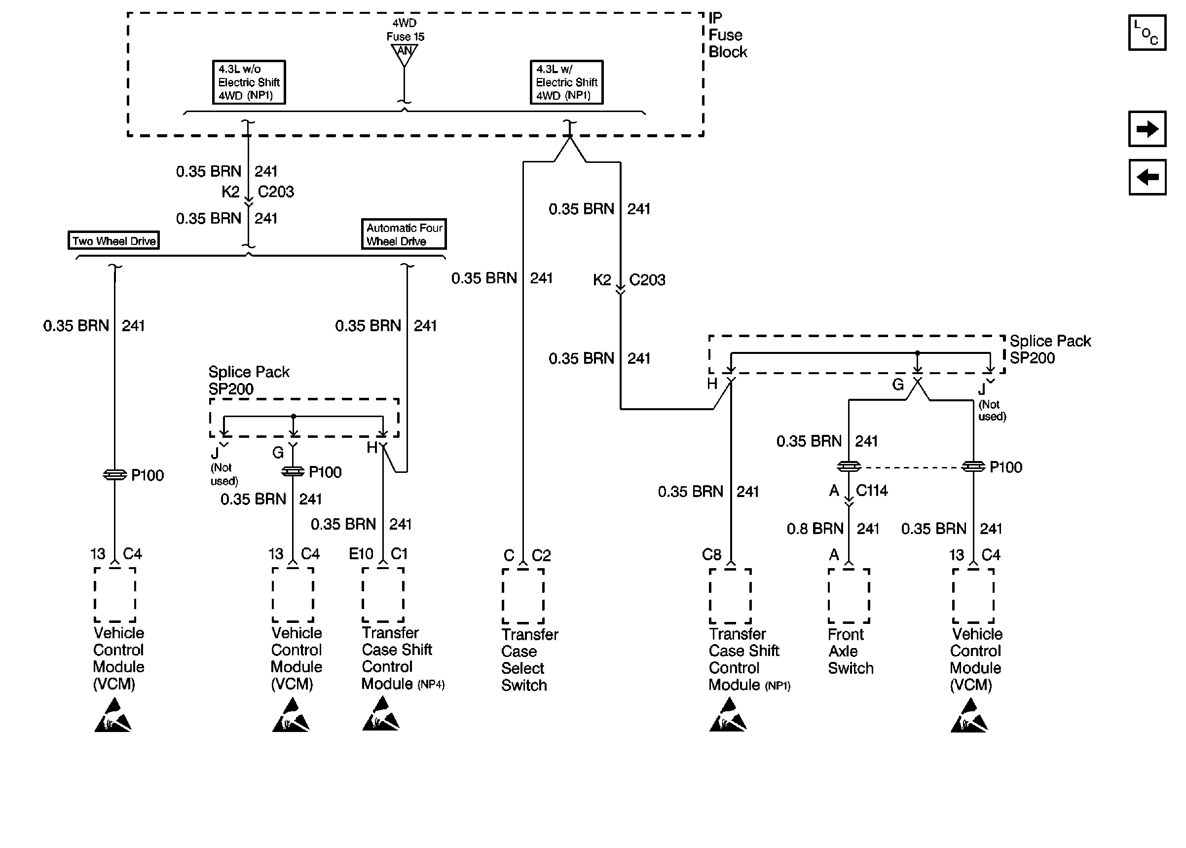
Cell 10: 4WD and HVAC Fuses
Cell 10: IP Fuse Block and S290
Cell 10: Ignition Switch
Cell 10: 4WD and HVAC Fuses
Cell 10: 4WD and HVAC Fuses
Handling ESD Sensitive Parts Notice
Figure 25:

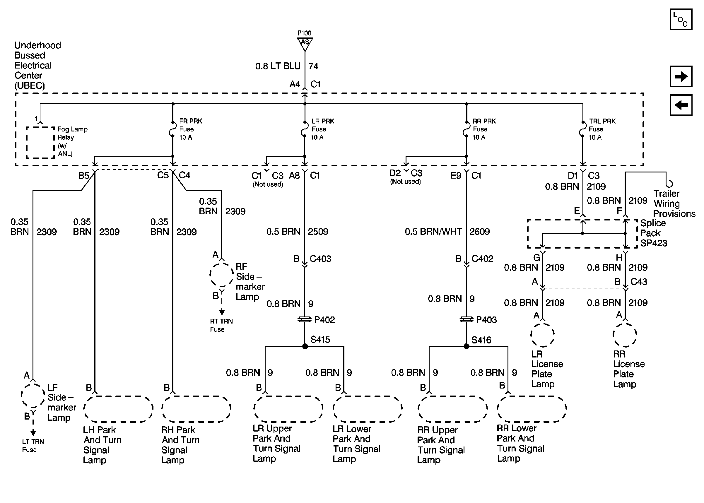
Cell 10: 4WD and HVAC Fuses


Object Number: 355842  Size: FS
Power and Grounding Components
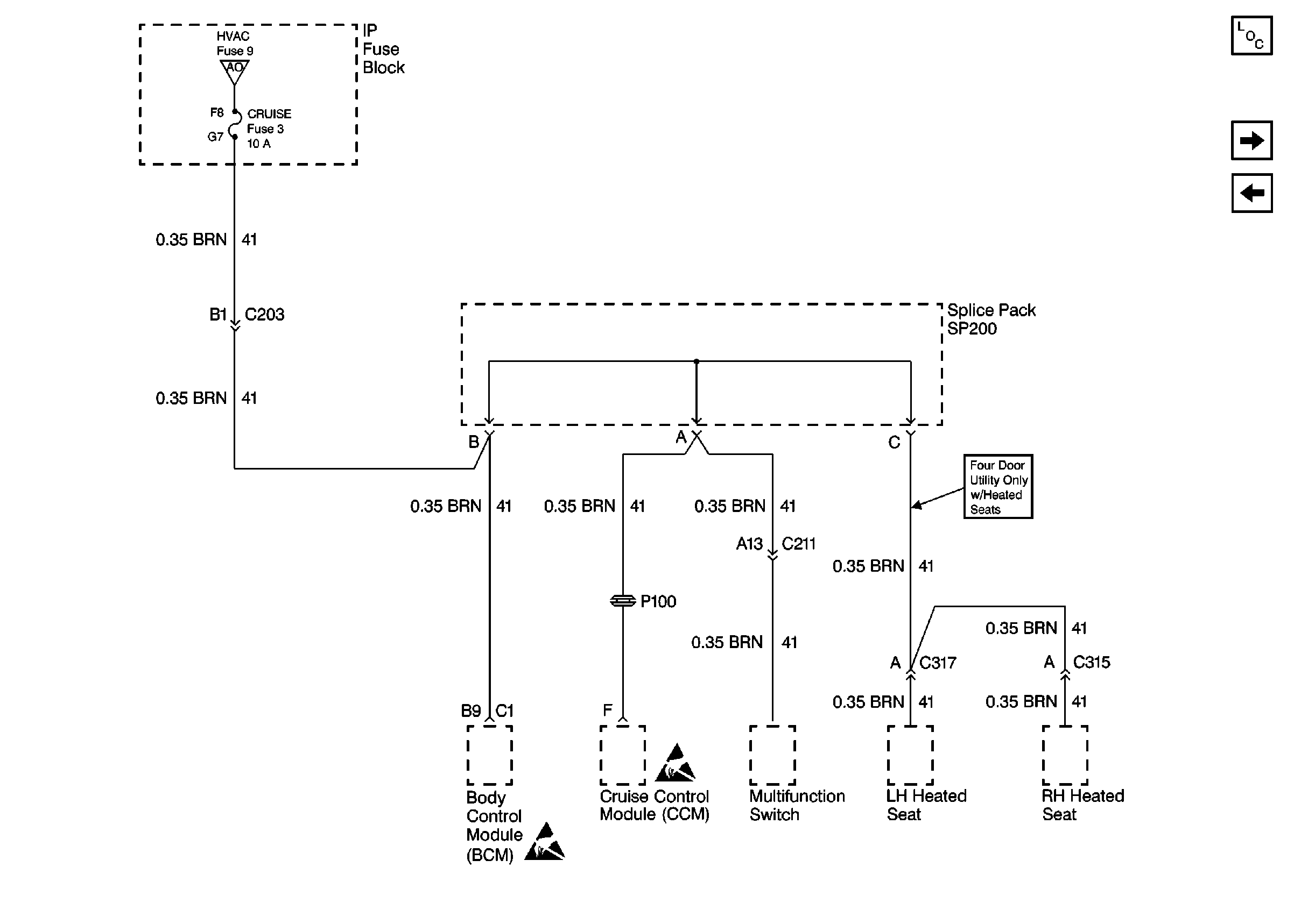
Cell 10: CRUISE Fuse
Cell 10: ABS and HVAC 1 Fuses
Cell 10: ABS and HVAC 1 Fuses
Cell 10: ABS and HVAC 1 Fuses
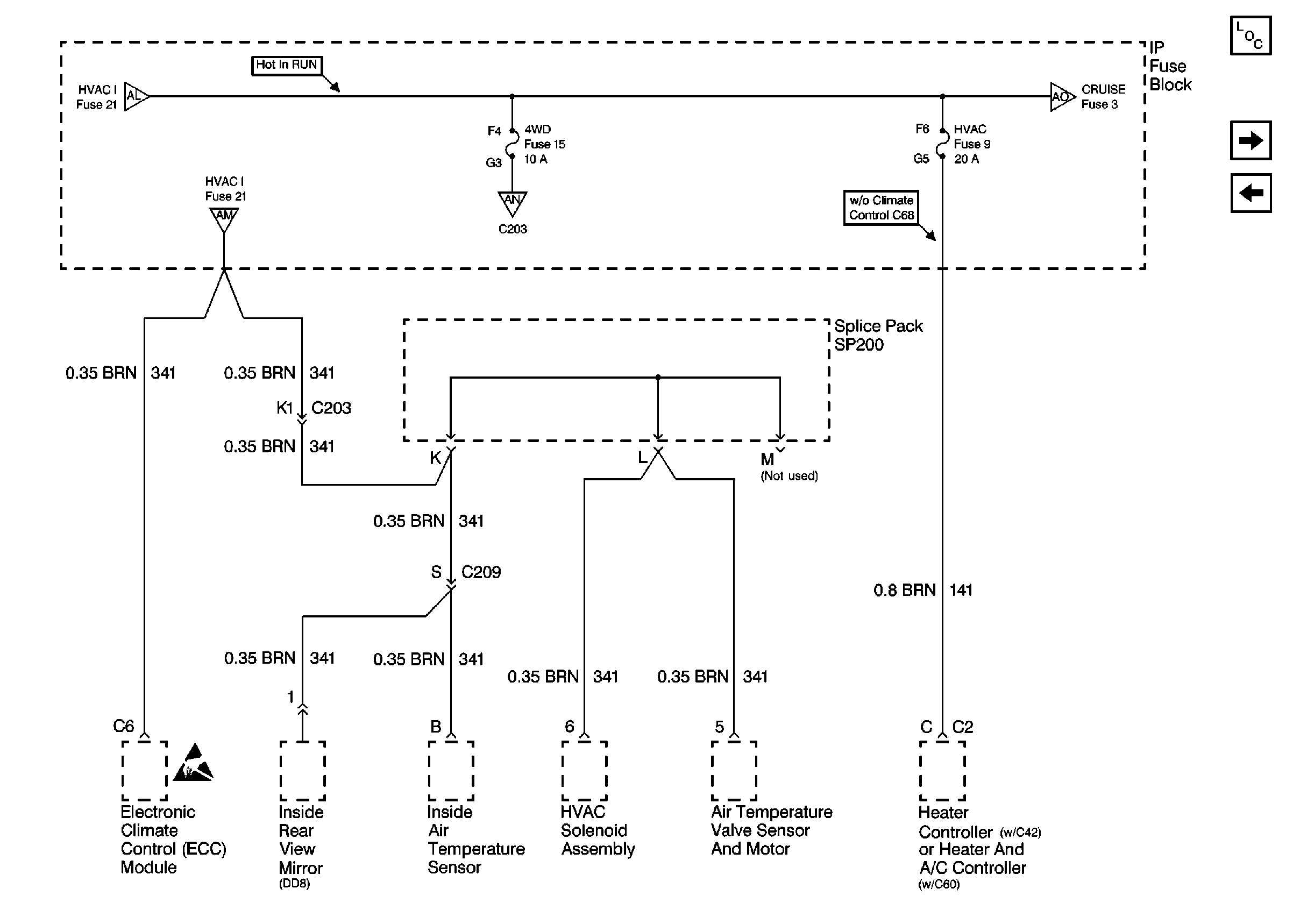
Cell 10: IP Fuse Block and Splice Pack SP200
Cell 10: CRUISE Fuse
Handling ESD Sensitive Parts Notice
Figure 26:

Cell 10: CRUISE Fuse


Object Number: 355849  Size: FS
Power and Grounding Components
Cell 10: IP Fuse Block and Splice Pack SP200
Cell 10: 4WD and HVAC Fuses
Cell 10: 4WD and HVAC Fuses
Handling ESD Sensitive Parts Notice
Handling ESD Sensitive Parts Notice
Figure 27:

Cell 10: IP Fuse Block and Splice Pack SP200


Object Number: 355853  Size: FS
Power and Grounding Components
Cell 10: ILLUM and PARK LPS Fuses
Cell 10: CRUISE Fuse
Cell 10: 4WD and HVAC Fuses
Handling ESD Sensitive Parts Notice
Handling ESD Sensitive Parts Notice
Handling ESD Sensitive Parts Notice
Handling ESD Sensitive Parts Notice
Handling ESD Sensitive Parts Notice
Figure 28:

Cell 10: ILLUM and PARK LPS Fuses


Object Number: 355856  Size: FS
Power and Grounding Components
Cell 10: S205 (Pickup)
Cell 10: IP Fuse Block and Splice Pack SP200
Body Control System Schematics
Cell 10: HVAC, PARK LP, HAZ LP, STOP LP, FOG LP, ECM B, and A/C Fuses
Ground Distribution Schematics
Body Control System Schematics
Cell 10: S205 (Pickup)
Cell 10: S205 (Utility)
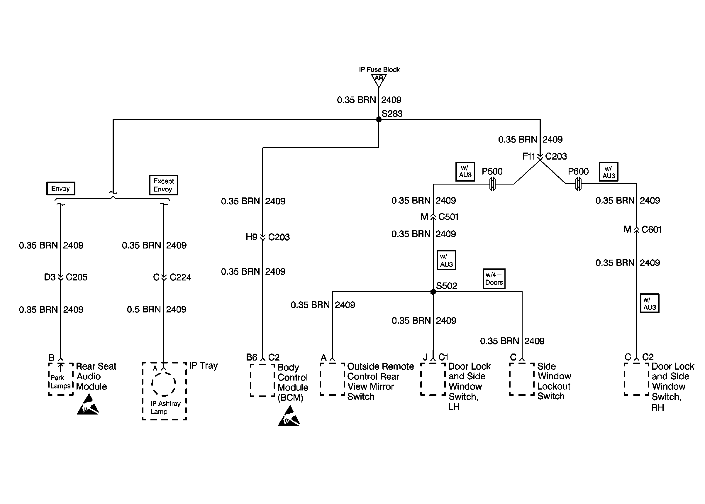
Cell 10: IP Fuse Block and S283
Cell 10: FR PRK, LR PRK, RR PRK, and TRL PRK Fuses (Utility)
Cell 10: FR PRK, LR PRK, and RR PRK Fuses (Pickup)
Figure 29:

Cell 10: S205 (Pickup)


Object Number: 355861  Size: FS
Power and Grounding Components
Cell 10: S205 (Utility)
Cell 10: ILLUM and PARK LPS Fuses
Cell 10: ILLUM and PARK LPS Fuses
Handling ESD Sensitive Parts Notice
SIR Handling Caution
Handling ESD Sensitive Parts Notice
Handling ESD Sensitive Parts Notice
Figure 30:

Cell 10: S205 (Utility)


Object Number: 355866  Size: FS
Power and Grounding Components
Cell 10: C203, C204, and C209 (Utility)
Cell 10: S205 (Pickup)
Cell 10: ILLUM and PARK LPS Fuses
Handling ESD Sensitive Parts Notice
Handling ESD Sensitive Parts Notice
Handling ESD Sensitive Parts Notice
Cell 10: C203, C204, and C209 (Utility)
Figure 31:

Cell 10: C203, C204, and C209 (Utility)


Object Number: 355869  Size: FS
Power and Grounding Components
Cell 10: IP Fuse Block and S283
Cell 10: S205 (Utility)
Cell 10: S205 (Utility)
Handling ESD Sensitive Parts Notice
Handling ESD Sensitive Parts Notice
Handling ESD Sensitive Parts Notice
Figure 32:

Cell 10: IP Fuse Block and S283


Object Number: 355871  Size: FS
Power and Grounding Components
Cell 10: FR PRK, LR PRK, RR PRK, and TRL PRK Fuses (Utility)
Cell 10: C203, C204, and C209 (Utility)
Cell 10: ILLUM and PARK LPS Fuses
Handling ESD Sensitive Parts Notice
Handling ESD Sensitive Parts Notice
Figure 33:

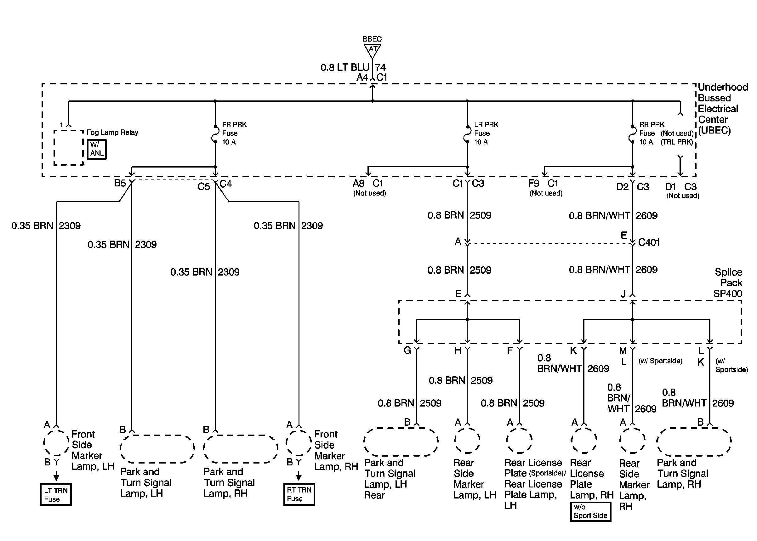
Cell 10: FR PRK, LR PRK, RR PRK, and TRL PRK Fuses (Utility)


Object Number: 355876  Size: FS
Power and Grounding Components
Cell 10: FR PRK, LR PRK, and RR PRK Fuses (Pickup)
Cell 10: IP Fuse Block and S283
Cell 10: ILLUM and PARK LPS Fuses
Figure 34:

Cell 10: FR PRK, LR PRK, and RR PRK Fuses (Pickup)


Object Number: 355882  Size: FS
Power and Grounding Components
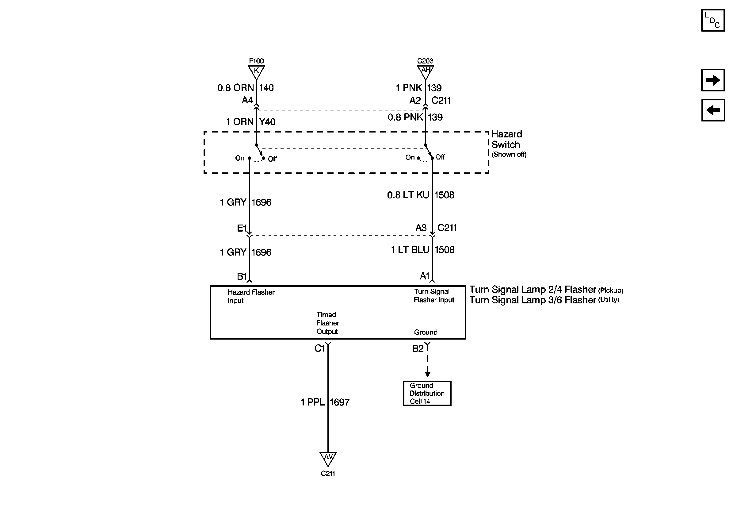
Cell 10: Hazard Switch and Turn Signal Lamp Flasher
Cell 10: FR PRK, LR PRK, RR PRK, and TRL PRK Fuses (Utility)
Cell 10: ILLUM and PARK LPS Fuses
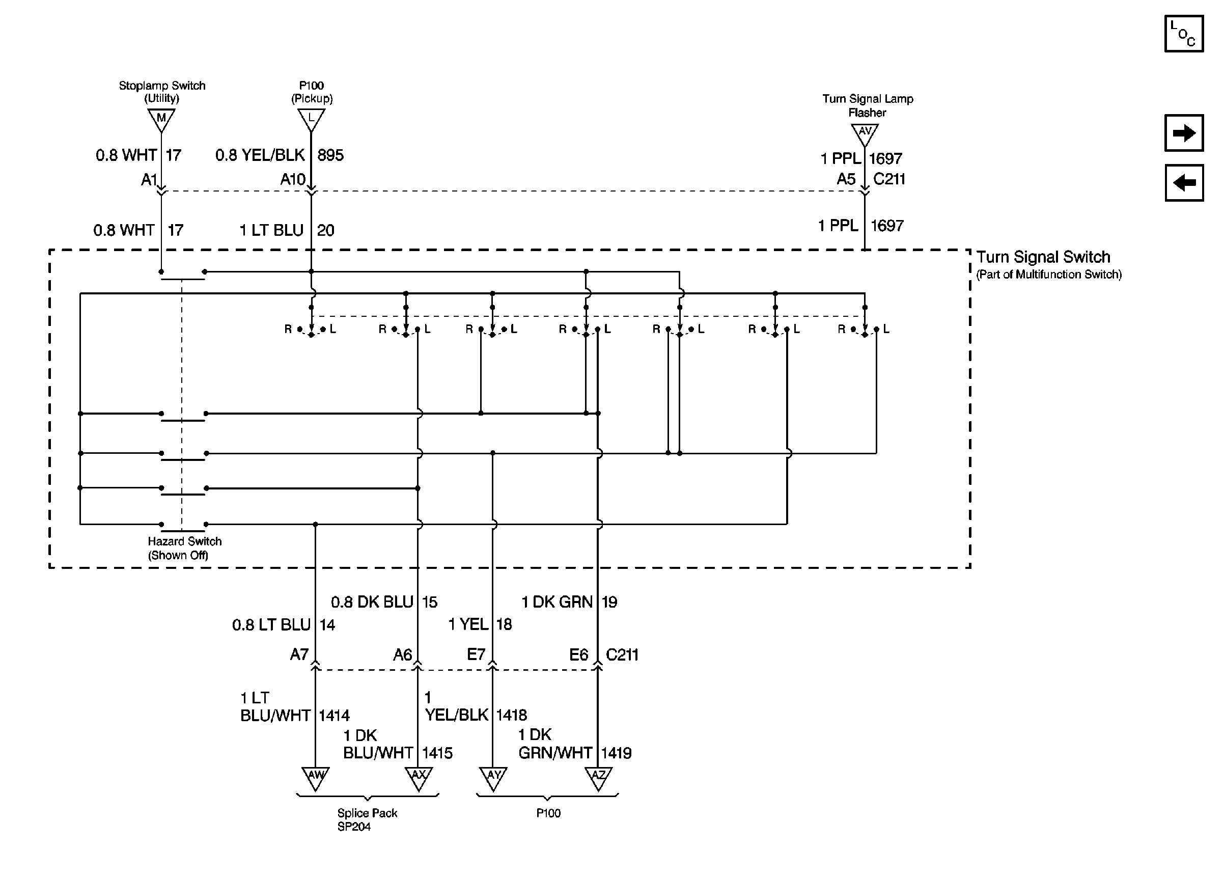
Figure 35:

Cell 10: Hazard Switch and Turn Signal Lamp Flasher


Object Number: 355884  Size: FS
Power and Grounding Components
Cell 10: Hazard Switch and Turn Signal Switch
Cell 10: FR PRK, LR PRK, and RR PRK Fuses (Pickup)
Cell 10: HVAC, PARK LP, HAZ LP, STOP LP, FOG LP, ECM B, and A/C Fuses
Cell 10: TURN, SIR and GAUGES Fuses
Cell 10: Hazard Switch and Turn Signal Switch
Ground Distribution Schematics
Figure 36:

Cell 10: Hazard Switch and Turn Signal Switch


Object Number: 355888  Size: FS
Power and Grounding Components
Cell 10: LT TURN and RT TURN Fuses
Cell 10: Hazard Switch and Turn Signal Lamp Flasher
Cell 10: HVAC, PARK LP, HAZ LP, STOP LP, FOG LP, ECM B, and A/C Fuses
Cell 10: HVAC, PARK LP, HAZ LP, STOP LP, FOG LP, ECM B, and A/C Fuses
Cell 10: Hazard Switch and Turn Signal Lamp Flasher
Cell 10: LT TURN and RT TURN Fuses
Cell 10: LT TURN and RT TURN Fuses
Cell 10: TRL TRN, LT TRN, RT TRN, and TRR TRN Fuses
Cell 10: TRL TRN, LT TRN, RT TRN, and TRR TRN Fuses
Figure 37:

Cell 10: LT TURN and RT TURN Fuses


Object Number: 355892  Size: FS
Power and Grounding Components
Cell 10: TRL TRN, LT TRN, RT TRN, and TRR TRN Fuses
Cell 10: Hazard Switch and Turn Signal Switch
Cell 10: Hazard Switch and Turn Signal Switch
Cell 10: Hazard Switch and Turn Signal Switch
Handling ESD Sensitive Parts Notice
Handling ESD Sensitive Parts Notice
Handling ESD Sensitive Parts Notice
Handling ESD Sensitive Parts Notice
Figure 38:

Cell 10: TRL TRN, LT TRN, RT TRN, and TRR TRN Fuses


Object Number: 355894  Size: FS
Power and Grounding Components
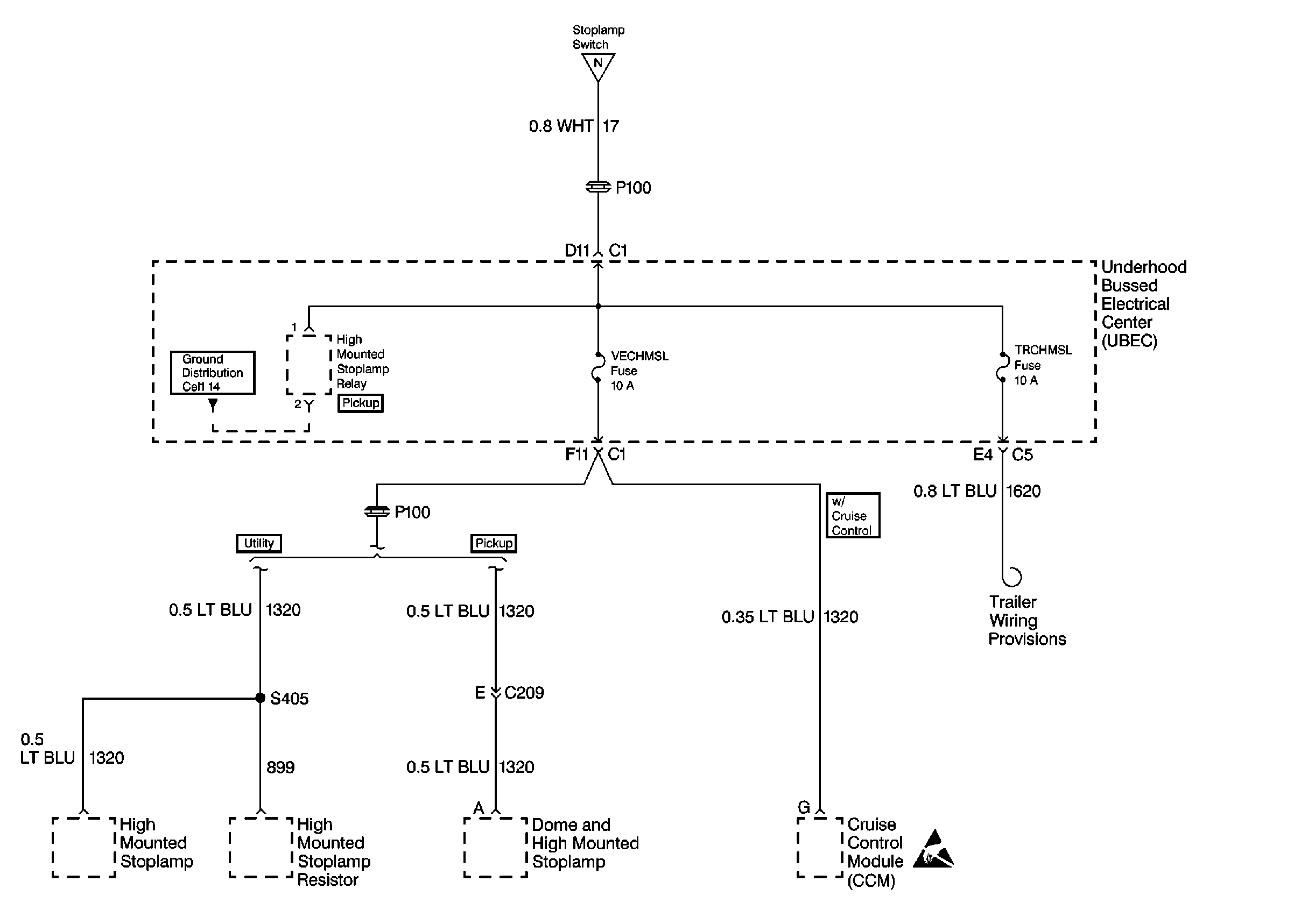
Cell 10: VECHMSL and TRCHMSL Fuses
Cell 10: LT TURN and RT TURN Fuses
Cell 10: Hazard Switch and Turn Signal Switch
Cell 10: Hazard Switch and Turn Signal Switch
Figure 39:

Cell 10: VECHMSL and TRCHMSL Fuses


Object Number: 355898  Size: FS
Power and Grounding Components
Cell 10: TRL TRN, LT TRN, RT TRN, and TRR TRN Fuses
Cell 10: HVAC, PARK LP, HAZ LP, STOP LP, FOG LP, ECM B, and A/C Fuses
Handling ESD Sensitive Parts Notice
Ground Distribution Schematics