GM Service Manual Online
For 1990-2009 cars only
Makes
🢒
Oldsmobile
🢒
1998
🢒
Bravada
🢒
Body and Accessories
🢒
Wiring Systems
🢒 Data Link Connector Schematics
Figure
1:
Cell 50: IP Fuse Block and DLC
Data Link Communications Components
Data Link Connector Circuit Description
Cell 50: Class 2 Communication (2.2L)
Cell 10: AUX PWR, RDO BATT, MIR/LKS, HDLP SW, AMPF, PWR LKS, CTSY LP, and CIGAR LTR Fuses
Cell 10: AUX PWR, RDO BATT, MIR/LKS, HDLP SW, AMPF, PWR LKS, CTSY LP, and CIGAR LTR Fuses
Cell 14: BBEC and UBEC (Pickup)
Cell 14: BBEC and UBEC (Pickup)
Cell 14: G103 and G105 (Pickup 2.2L)
Cell 14: G200 and G201 (Envoy)
Cell 68: HVAC Sensor, Solar Sensor, and Ambient Air Temperature Sensor
Cell 14: G200 and G201 (Pickup)
Cell 50: Class 2 Communication (2.2L)
Cell 50: Class 2 Communication (4.3L)
Handling ESD Sensitive Parts Notice
Handling ESD Sensitive Parts Notice
SIR Handling Caution
Handling ESD Sensitive Parts Notice
Figure
2:
Cell 50: Class 2 Communication (2.2L)
Data Link Communications Components
Data Link Connector Circuit Description
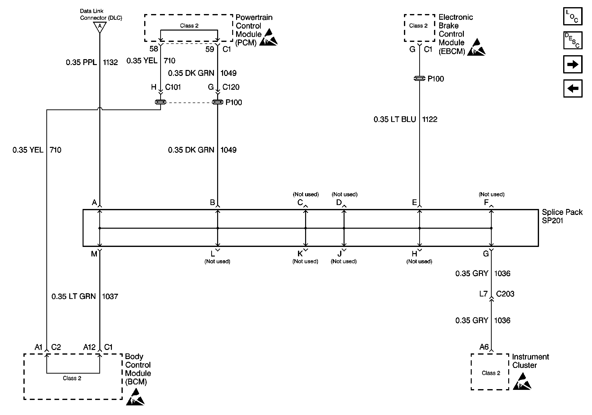
Cell 50: Class 2 Communication (4.3L)
Cell 50: IP Fuse Block and DLC
Cell 50: IP Fuse Block and DLC
Handling ESD Sensitive Parts Notice
Handling ESD Sensitive Parts Notice
Handling ESD Sensitive Parts Notice
Handling ESD Sensitive Parts Notice
Figure
3:
Cell 50: Class 2 Communication (4.3L)
Data Link Communications Components
Data Link Connector Circuit Description
Cell 50: Class 2 Communication (2.2L)
Cell 50: IP Fuse Block and DLC
Handling ESD Sensitive Parts Notice
Handling ESD Sensitive Parts Notice
Handling ESD Sensitive Parts Notice
Handling ESD Sensitive Parts Notice
Handling ESD Sensitive Parts Notice
Handling ESD Sensitive Parts Notice
Handling ESD Sensitive Parts Notice
Handling ESD Sensitive Parts Notice