GM Service Manual Online
For 1990-2009 cars only
Figure 1:

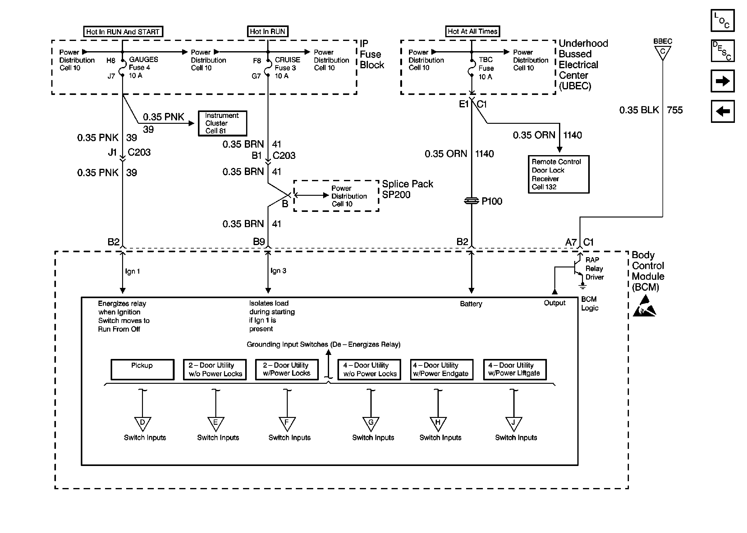
Cell 15: UBEC, BBEC, and Ignition Switch


Object Number: 355901  Size: FS
Retained Accessory Power (RAP) Component Views
Retained Accessory Power (RAP) Circuit Description
Cell 15: BBEC
Power Distribution Schematics
Power Distribution Schematics
Power Distribution Schematics
Cell 15: IP Fuse Block
Cell 15: BBEC
Cell 15: UBEC, IP Fuse Block, and Splice Pack SP200
Figure 2:

Cell 15: BBEC


Object Number: 355902  Size: FS
Retained Accessory Power (RAP) Component Views
Retained Accessory Power (RAP) Circuit Description
Cell 15: UBEC, IP Fuse Block, and Splice Pack SP200
Cell 15: UBEC, BBEC, and Ignition Switch
Handling ESD Sensitive Parts Notice
Handling ESD Sensitive Parts Notice
Cell 15: UBEC, BBEC, and Ignition Switch
Figure 3:

Cell 15: IP Fuse Block


Object Number: 355903  Size: FS
Retained Accessory Power (RAP) Component Views
Retained Accessory Power (RAP) Circuit Description
Cell 15: UBEC, IP Fuse Block, and Splice Pack SP200
Cell 15: BBEC
Cell 15: UBEC, BBEC, and Ignition Switch
Handling ESD Sensitive Parts Notice
Handling ESD Sensitive Parts Notice
Handling ESD Sensitive Parts Notice
Handling ESD Sensitive Parts Notice
Figure 4:

Cell 15: UBEC, IP Fuse Block, and Splice Pack SP200


Object Number: 355905  Size: FS
Retained Accessory Power (RAP) Component Views
Retained Accessory Power (RAP) Circuit Description
Cell 15: IP Fuse Block
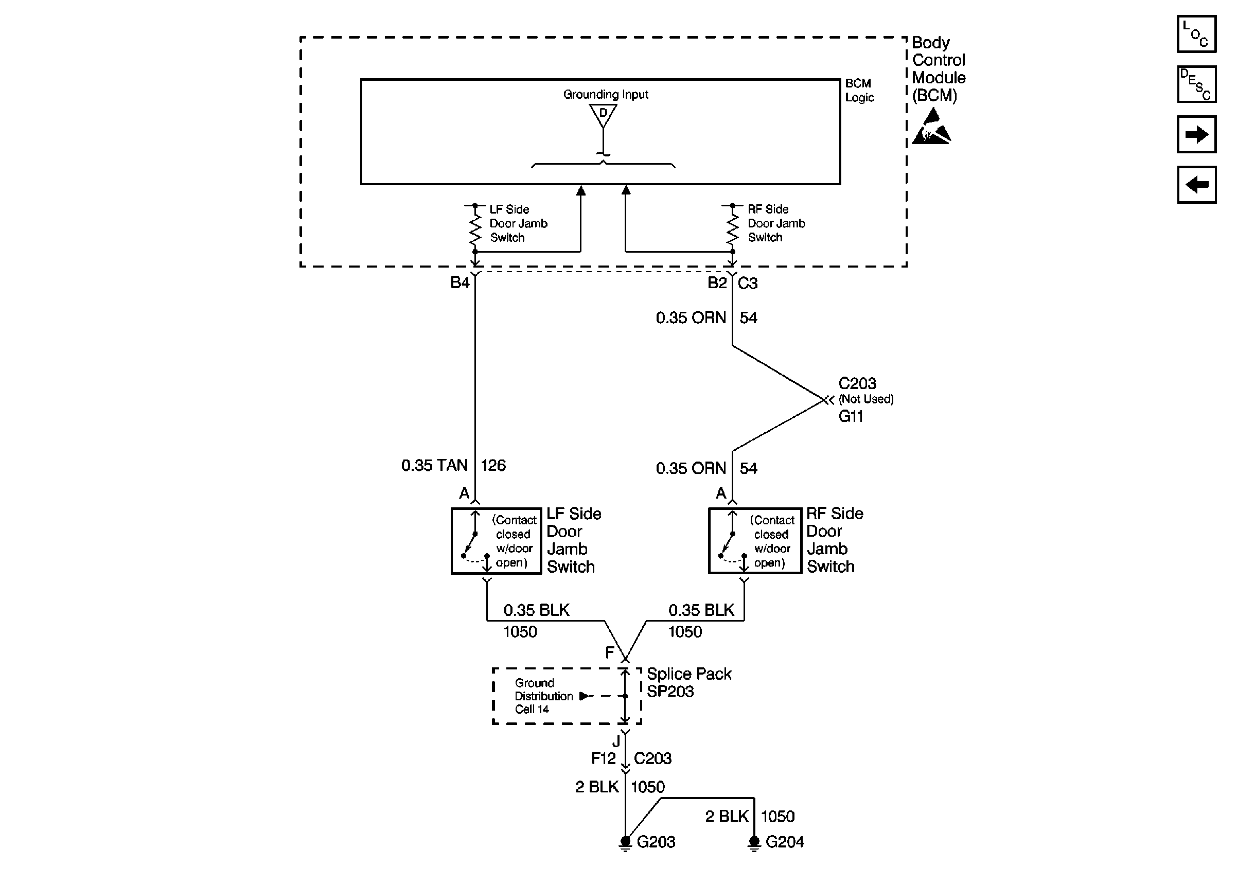
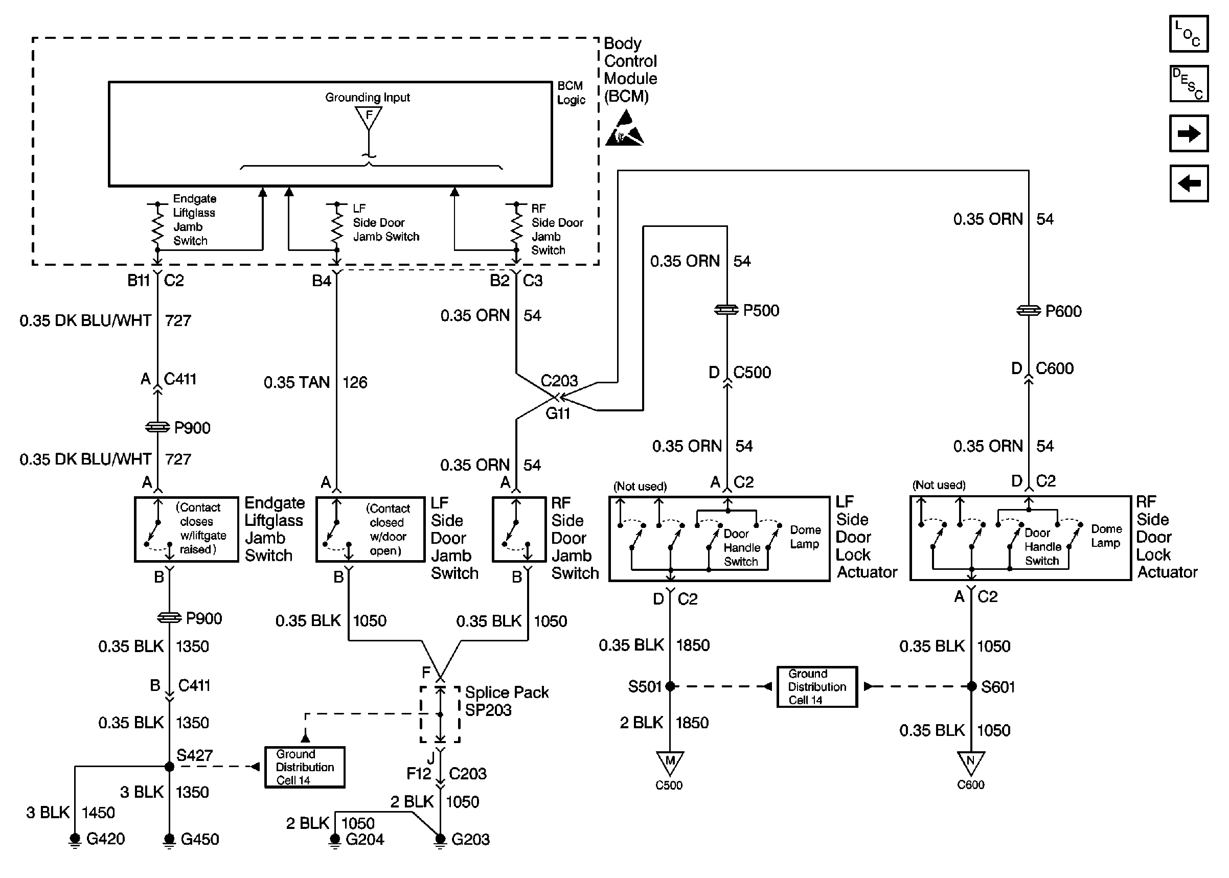
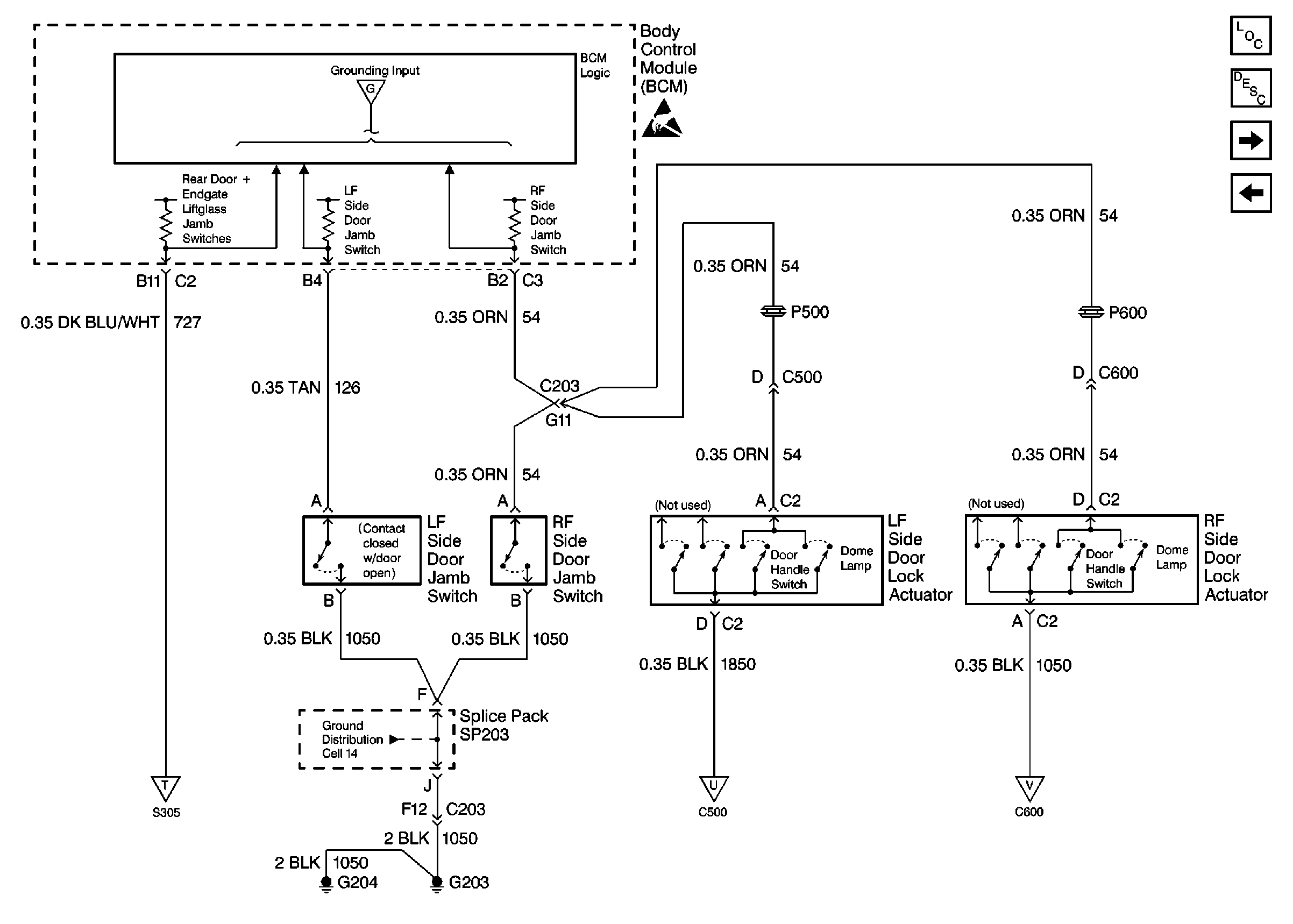
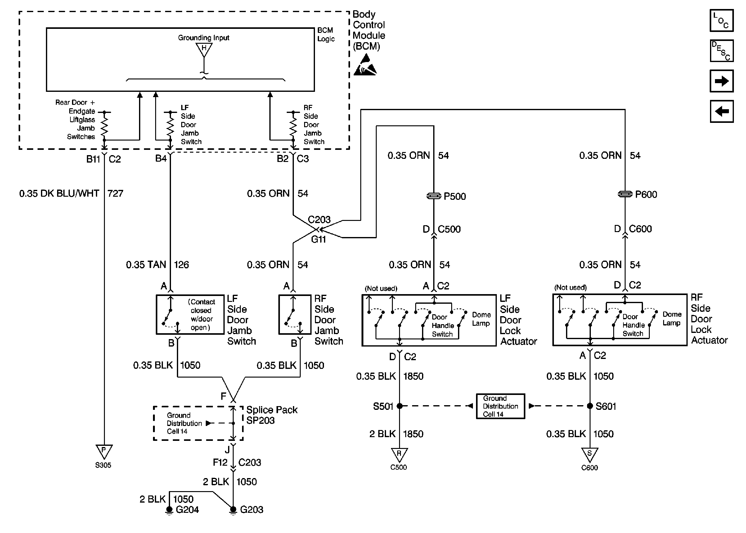
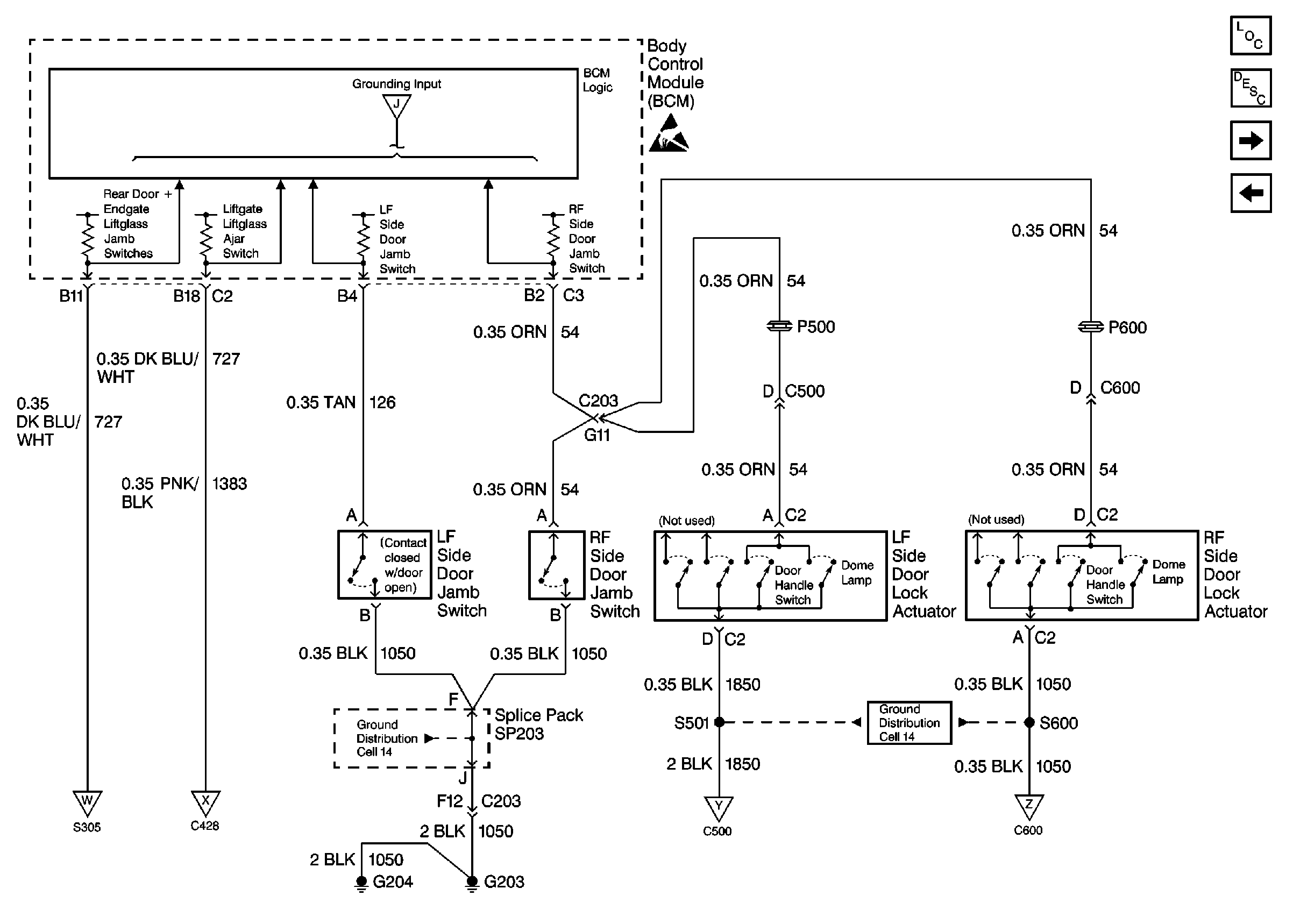
Cell 15: Front Door Jamb Switches
Cell 15: UBEC, BBEC, and Ignition Switch
Keyless Entry Schematics
Instrument Cluster: Analog Schematics
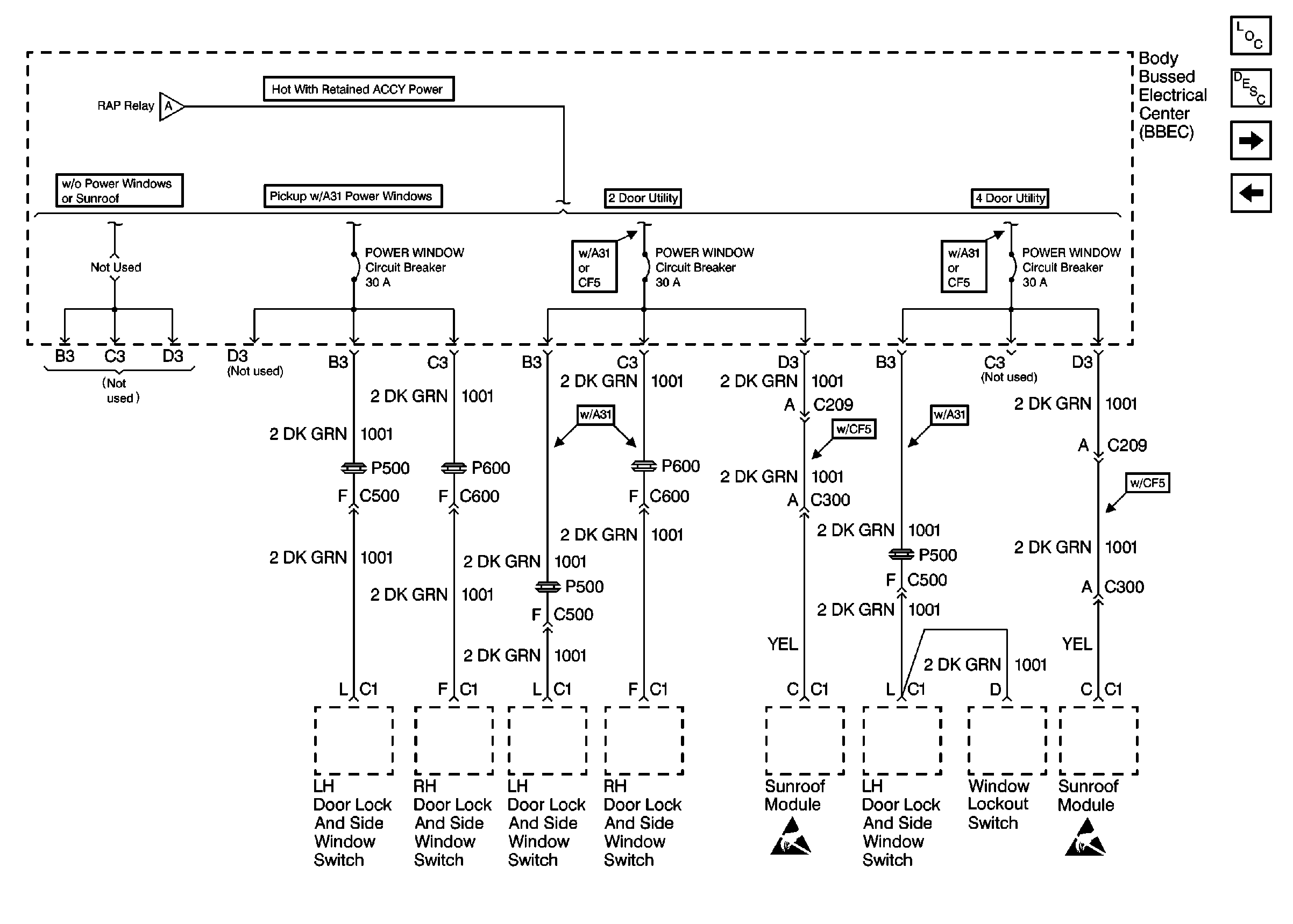
Power Distribution Schematics
Power Distribution Schematics
Power Distribution Schematics
Power Distribution Schematics
Power Distribution Schematics
Handling ESD Sensitive Parts Notice
Cell 15: Front Door Jamb Switches
Cell 15: Front Side Door Jamb Switches, Endgate Liftglass Jamb Switch, and Front Side Door Lock Actuators
Cell 15: Front Side Door Jamb Switches, Endgate Liftglass Jamb Switch, and Front Side Door Lock Actuators
Cell 15: Front Side Door Jamb Switches, Endgate Liftglass Jamb Switch, and Front Side Door Lock Actuators
Cell 15: Front Side Door Jamb Switches and Lock Actuators
Cell 15: Front Side Door Jamb Switches and Lock Actuators
Cell 15: Front Side Door Jamb Switches and Lock Actuators
Figure 5:

Cell 15: Front Door Jamb Switches


Object Number: 355906  Size: FS
Retained Accessory Power (RAP) Component Views
Retained Accessory Power (RAP) Circuit Description
Cell 15: Front Side Door Jamb Switches, Endgate Liftglass Jamb Switch, and Front Side Door Lock Actuators
Cell 15: UBEC, IP Fuse Block, and Splice Pack SP200
Cell 15: UBEC, IP Fuse Block, and Splice Pack SP200
Ground Distribution Schematics
Handling ESD Sensitive Parts Notice
Figure 6:

Cell 15: Front Side Door Jamb Switches, Endgate Liftglass Jamb Switch, and Front Side Door Lock Actuators


Object Number: 355907  Size: FS
Retained Accessory Power (RAP) Component Views
Retained Accessory Power (RAP) Circuit Description
Cell 15: Front Side Door Jamb Switches, Endgate Liftglass Jamb Switch, and Front Side Door Lock Actuators
Cell 15: Front Door Jamb Switches
Handling ESD Sensitive Parts Notice
Cell 15: UBEC, IP Fuse Block, and Splice Pack SP200
Ground Distribution Schematics
Ground Distribution Schematics
Cell 15: G202, G205, and G207
Cell 15: G202, G205, and G207
Figure 7:

Cell 15: Front Side Door Jamb Switches, Endgate Liftglass Jamb Switch, and Front Side Door Lock Actuators


Object Number: 355908  Size: FS
Retained Accessory Power (RAP) Component Views
Retained Accessory Power (RAP) Circuit Description
Cell 15: Front Side Door Jamb Switches and Lock Actuators
Cell 15: Front Side Door Jamb Switches, Endgate Liftglass Jamb Switch, and Front Side Door Lock Actuators
Ground Distribution Schematics
Ground Distribution Schematics
Handling ESD Sensitive Parts Notice
Cell 15: UBEC, IP Fuse Block, and Splice Pack SP200
Cell 15: G202, G205, and G207
Cell 15: G202, G205, and G207
Figure 8:

Cell 15: Front Side Door Jamb Switches and Lock Actuators


Object Number: 355909  Size: FS
Retained Accessory Power (RAP) Component Views
Retained Accessory Power (RAP) Circuit Description
Cell 15: Front Side Door Jamb Switches and Lock Actuators
Cell 15: Front Side Door Jamb Switches, Endgate Liftglass Jamb Switch, and Front Side Door Lock Actuators
Handling ESD Sensitive Parts Notice
Ground Distribution Schematics
Cell 15: UBEC, IP Fuse Block, and Splice Pack SP200
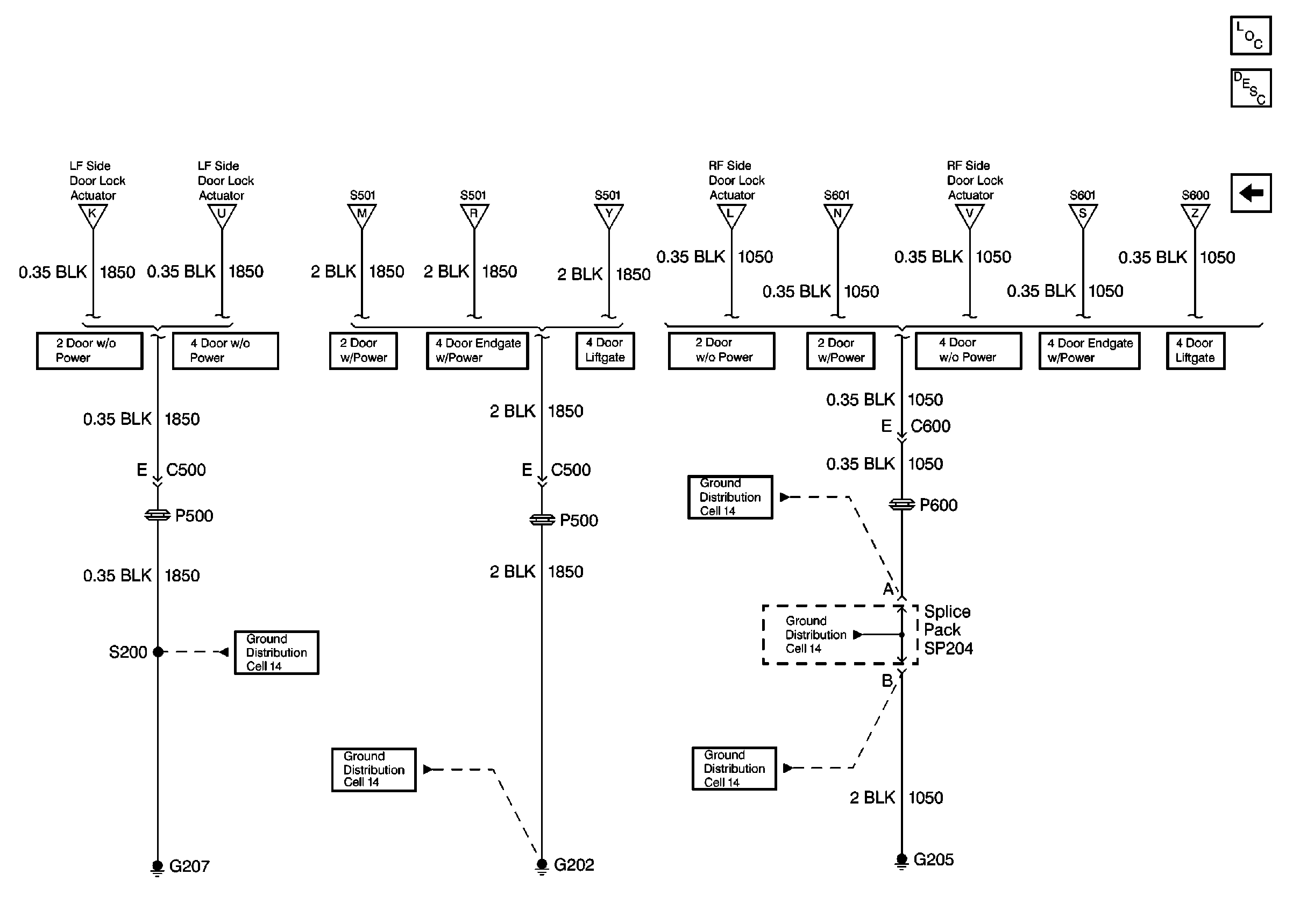
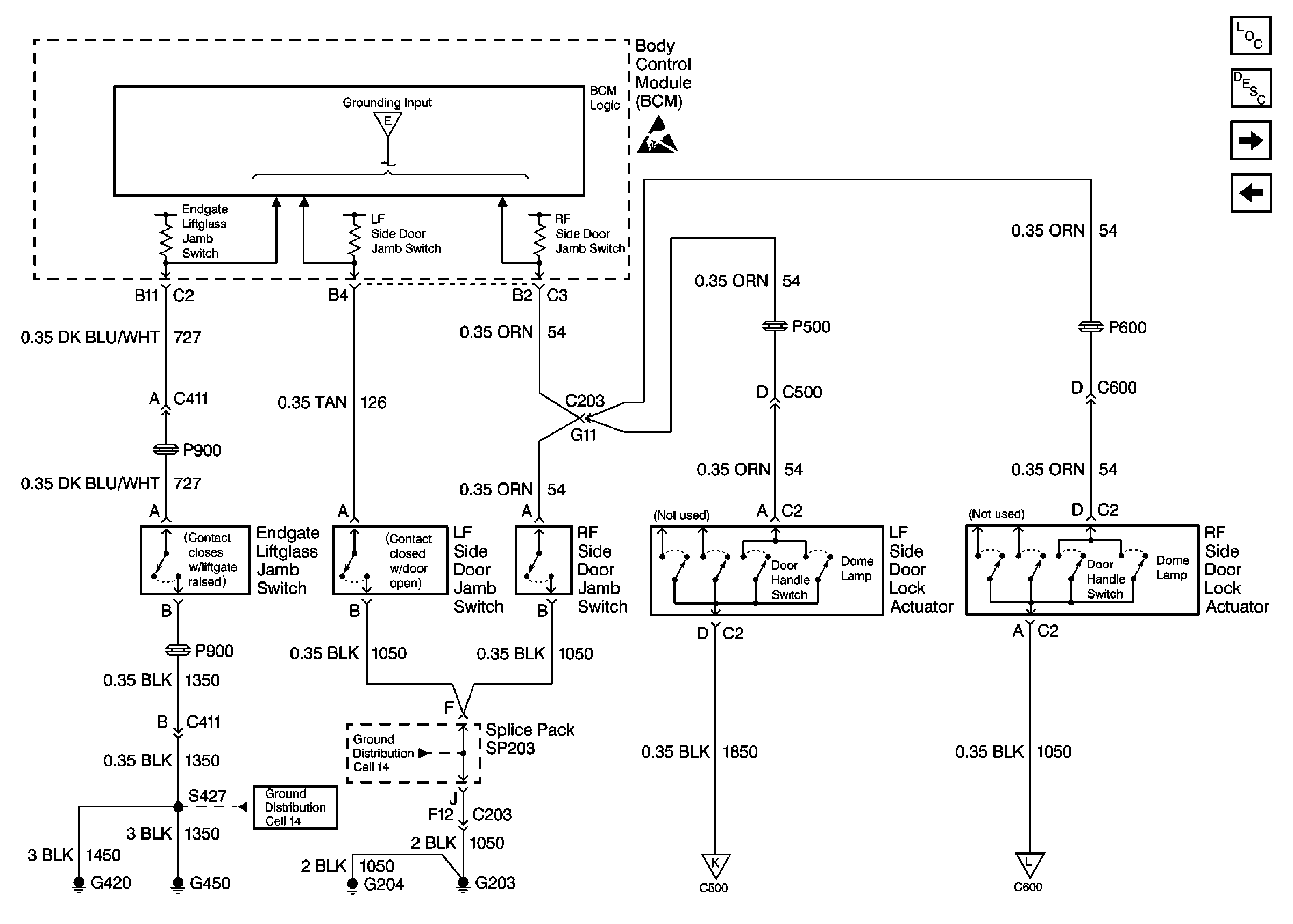
Cell 15: Rear Side Door and Endgate Liftglass Jamb Switches
Cell 15: G202, G205, and G207
Cell 15: G202, G205, and G207
Figure 9:

Cell 15: Front Side Door Jamb Switches and Lock Actuators


Object Number: 355912  Size: FS
Retained Accessory Power (RAP) Component Views
Retained Accessory Power (RAP) Circuit Description
Cell 15: Rear Side Door and Endgate Liftglass Jamb Switches
Cell 15: Front Side Door Jamb Switches and Lock Actuators
Cell 15: UBEC, IP Fuse Block, and Splice Pack SP200
Handling ESD Sensitive Parts Notice
Cell 15: Rear Side Door and Endgate Liftglass Jamb Switches
Figure 10:

Cell 15: Rear Side Door and Endgate Liftglass Jamb Switches


Object Number: 355914  Size: FS
Retained Accessory Power (RAP) Component Views
Retained Accessory Power (RAP) Circuit Description
Cell 15: Front Side Door Jamb Switches and Lock Actuators
Cell 15: Front Side Door Jamb Switches and Lock Actuators
Cell 15: Front Side Door Jamb Switches and Lock Actuators
Ground Distribution Schematics
Figure 11:

Cell 15: Front Side Door Jamb Switches and Lock Actuators


Object Number: 355917  Size: FS
Retained Accessory Power (RAP) Component Views
Retained Accessory Power (RAP) Circuit Description
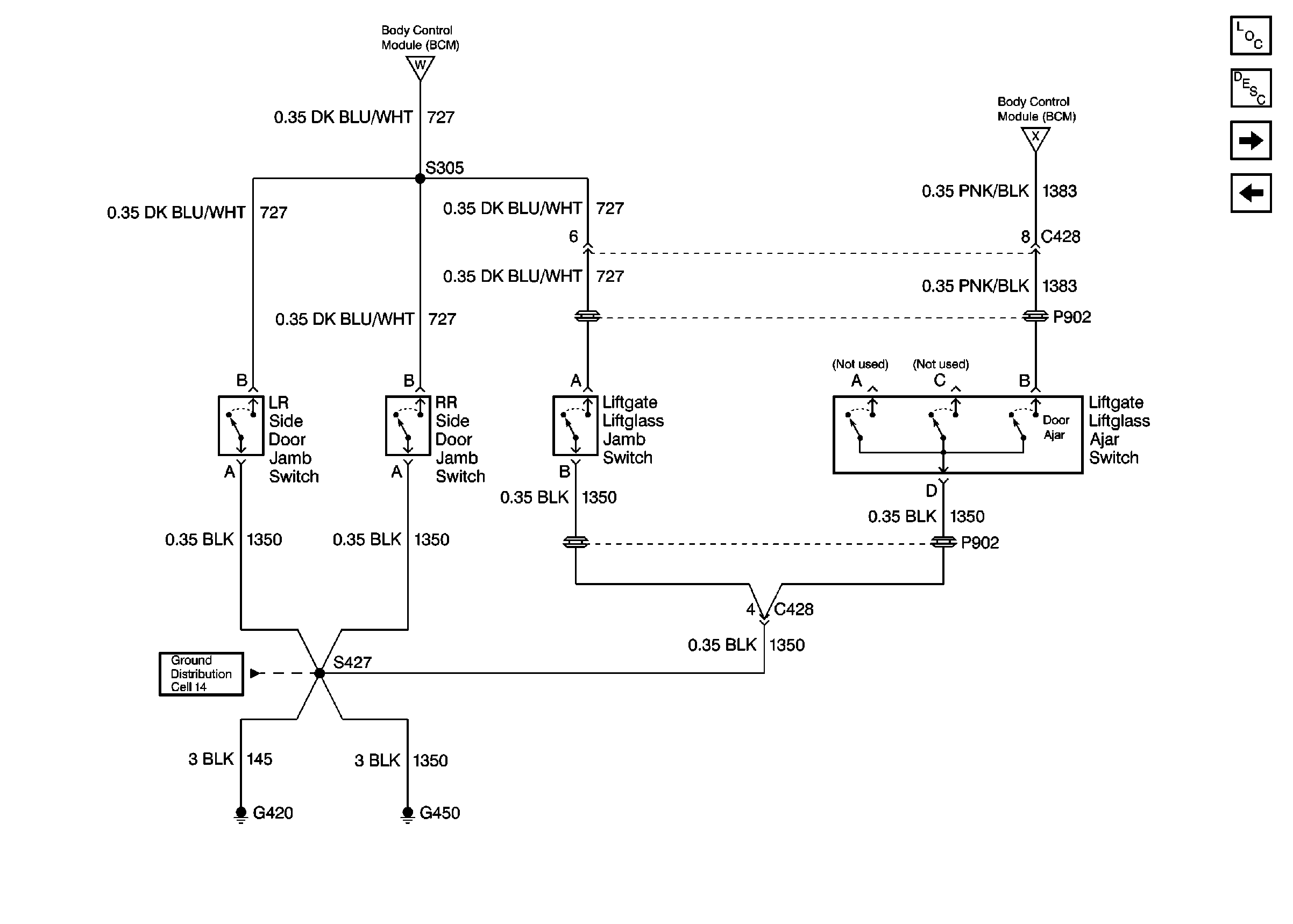
Cell 15: Rear Side Door Jamb Switches, Liftgate Liftglass Jamb Switch, and Liftgate Liftglass Ajar Switch
Cell 15: Rear Side Door and Endgate Liftglass Jamb Switches
Cell 15: UBEC, IP Fuse Block, and Splice Pack SP200
Handling ESD Sensitive Parts Notice
Ground Distribution Schematics
Ground Distribution Schematics
Cell 15: Rear Side Door Jamb Switches, Liftgate Liftglass Jamb Switch, and Liftgate Liftglass Ajar Switch
Cell 15: Rear Side Door Jamb Switches, Liftgate Liftglass Jamb Switch, and Liftgate Liftglass Ajar Switch
Cell 15: G202, G205, and G207
Cell 15: G202, G205, and G207
Figure 12:

Cell 15: Rear Side Door Jamb Switches, Liftgate Liftglass Jamb Switch, and Liftgate Liftglass Ajar Switch


Object Number: 355919  Size: FS
Retained Accessory Power (RAP) Component Views
Retained Accessory Power (RAP) Circuit Description
Cell 15: G202, G205, and G207
Cell 15: Front Side Door Jamb Switches and Lock Actuators
Ground Distribution Schematics
Cell 15: Front Side Door Jamb Switches and Lock Actuators
Cell 15: Front Side Door Jamb Switches and Lock Actuators
Figure 13:

Cell 15: G202, G205, and G207


Object Number: 355922  Size: FS
Retained Accessory Power (RAP) Component Views
Retained Accessory Power (RAP) Circuit Description
Cell 15: Rear Side Door Jamb Switches, Liftgate Liftglass Jamb Switch, and Liftgate Liftglass Ajar Switch
Ground Distribution Schematics
Ground Distribution Schematics
Ground Distribution Schematics
Ground Distribution Schematics
Ground Distribution Schematics
Cell 15: Front Side Door Jamb Switches, Endgate Liftglass Jamb Switch, and Front Side Door Lock Actuators
Cell 15: Front Side Door Jamb Switches and Lock Actuators
Cell 15: Front Side Door Jamb Switches, Endgate Liftglass Jamb Switch, and Front Side Door Lock Actuators
Cell 15: Front Side Door Jamb Switches and Lock Actuators
Cell 15: Front Side Door Jamb Switches, Endgate Liftglass Jamb Switch, and Front Side Door Lock Actuators
Cell 15: Front Side Door Jamb Switches, Endgate Liftglass Jamb Switch, and Front Side Door Lock Actuators
Cell 15: Front Side Door Jamb Switches and Lock Actuators
Cell 15: Front Side Door Jamb Switches and Lock Actuators
Cell 15: Rear Side Door Jamb Switches, Liftgate Liftglass Jamb Switch, and Liftgate Liftglass Ajar Switch
Cell 15: Front Side Door Jamb Switches and Lock Actuators