GM Service Manual Online
For 1990-2009 cars only
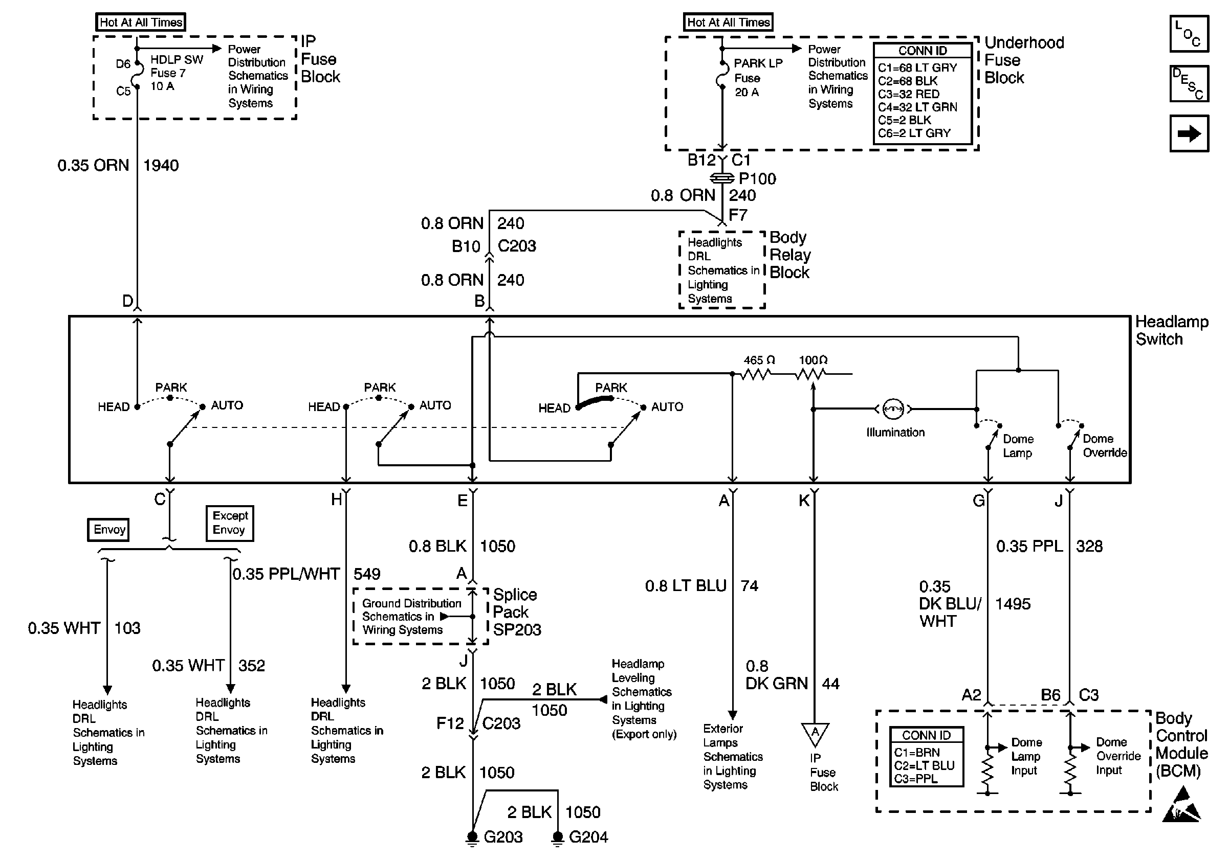
Figure 1:

Headlamp Switch


Object Number: 537776  Size: FS
Lighting Systems Components
Interior Lights Dimming Circuit Description
ILLUM Fuse 12
AUX PWR, RDO BATT and HDLP SW Fuses
B+ Bus Bar
Power and Grounding Connector End Views
Headlamp Grounding Relay and BCM
Headlamp Switch and BCM (Envoy/Diamond Edition 1SK)
Headlamp Switch, Ambient Light Sensor and BCM
Headlamp Switch, Ambient Light Sensor and BCM
G203 and G204 (Utility w/ Automatic A/C)
2000 S/T Headlight Leveling
Park Lamps and Marker Lamps, Front
ILLUM Fuse 12
Body Control System Connector End Views
Handling ESD Sensitive Parts Notice
Figure 2:

ILLUM Fuse 12


Object Number: 537779  Size: FS
Lighting Systems Components
Interior Lights Dimming Circuit Description
Steering Wheel Controls
Headlamp Switch
Headlamp Switch
Instrument Cluster and BCM
Steering Wheel Controls
Instrument Cluster and BCM
HVAC Connector End Views
HVAC Connector End Views
G203 and G204 (Envoy)
G203 and G204 (Utility w/ Manual A/C)
G203 and G204 (Utility w/ Manual A/C)
2000 S/T Headlight Leveling
Figure 3:

Steering Wheel Controls


Object Number: 537781  Size: FS
ILLUM Fuse 12
ILLUM Fuse 12
Lighting Systems Components
Interior Lights Dimming Circuit Description
Instrument Cluster and BCM
ILLUM Fuse 12
Entertainment Connector End Views
G200, G201 and G207 (Utility)
G200, G201 and G207 (Utility)
Entertainment Connector End Views
Figure 4:

Instrument Cluster and BCM


Object Number: 537784  Size: FS
Lighting Systems Components
Interior Lights Dimming Circuit Description
Steering Wheel Controls
ILLUM Fuse 12
ILLUM Fuse 12
ILLUM Fuse 12
ILLUM Fuse 12
G205 and G206 (Utility)
Body Control System Connector End Views
Handling ESD Sensitive Parts Notice
G203 and G204 (Utility w/ Manual A/C)
2000 S/T Headlight Leveling
Driver Information Systems Connector End Views
Automatic Transmission Preference Switch
G200, G201 and G207 (Utility)
G200, G201 and G207 (Utility)
G200, G201 and G207 (Envoy)