GM Service Manual Online
For 1990-2009 cars only
Makes
🢒
Oldsmobile
🢒
2000
🢒
Bravada
🢒 w/o Trip Computer
w/o Trip Computer
w/o Trip Computer
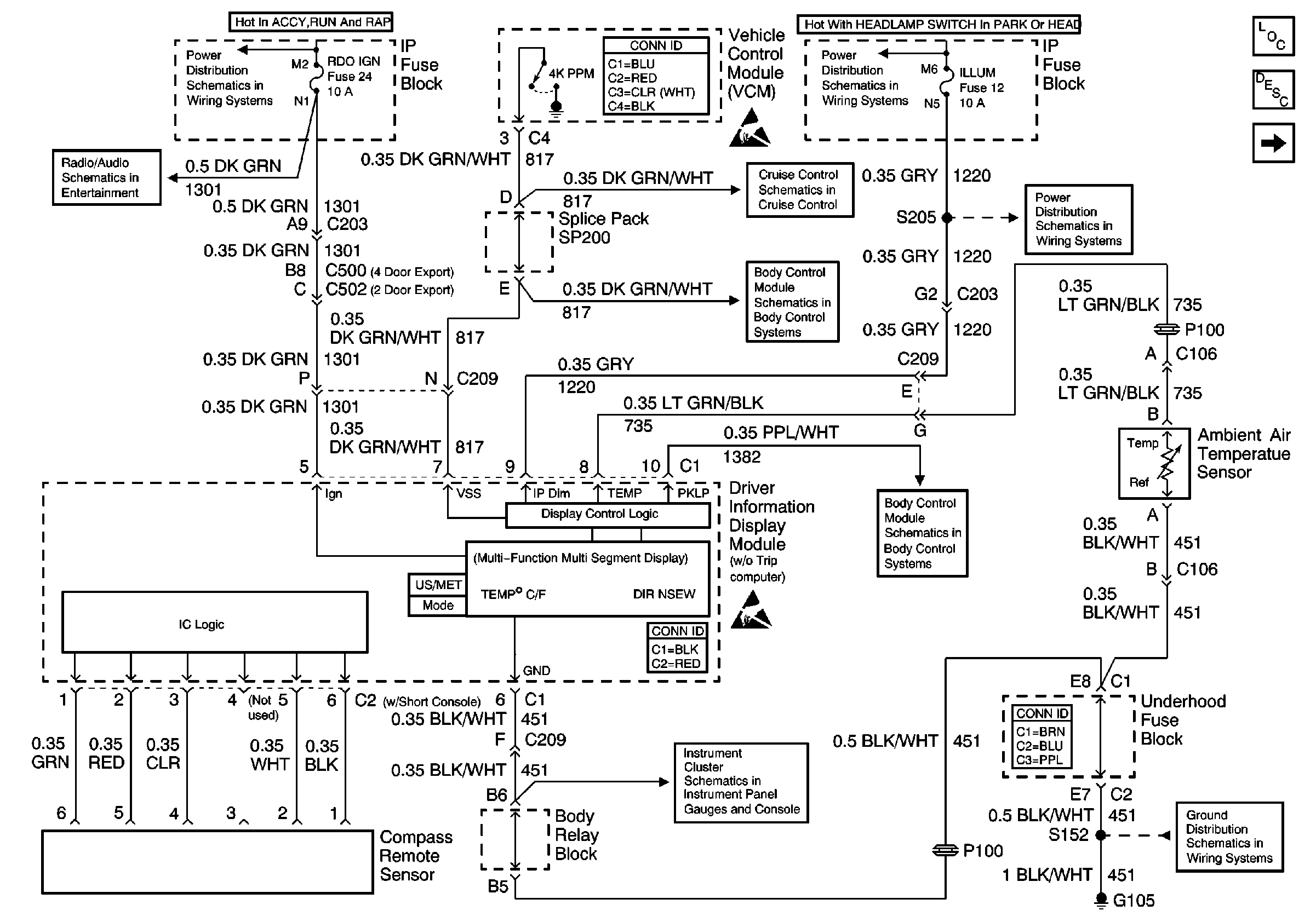
Driver Information System Components
Driver Information Center (DIC) or Message Center Circuit Description
Power and Ground (w/ Trip Computer)
RDO IGN and STR WHL RDO IGN Fuses
Power and Ground (Chevy/GMC)
VCM Connector End Views
Handling ESD Sensitive Parts Notice
ILLUM and PARK LP Fuses
Cruise Control Module and PCM/VCM
Seat Belt Switch, Headlamp Ambient Light Sensor and PCM/VCM
ILLUM Power (Pickup)
Driver Information Systems Connector End Views
Handling ESD Sensitive Parts Notice
G105 and PCM/VCM
Automatic Transmission Preference Switch
Power and Grounding Connector End Views
G103 and G105 (2.2L)