GM Service Manual Online
For 1990-2009 cars only
Figure 1:

B+ Bus - Underhood Fuse Block


Object Number: 884715  Size: FS
Master Electrical Component List
B+ Bus - Rear Fuse Block
Figure 2:

B+ Bus - Rear Fuse Block


Object Number: 884717  Size: FS
Master Electrical Component List
00wb 210/230 dtc b1062 temp sen circuit open
B+ Bus - Underhood Fuse Block
B+ Bus - Underhood Fuse Block
Figure 3:

ACCY/RUN/START, RUN, and START Bus Bars


Object Number: 884718  Size: FS
Master Electrical Component List
ACCY/RUN and RUN/START Bus Bars
B+ Bus - Rear Fuse Block
B+ Bus - Underhood Fuse Block
Figure 4:

ACCY/RUN, and RUN/START Bus Bars


Object Number: 884721  Size: FS
Master Electrical Component List
TRAILER, ABS, ATC, BLOWER, ELEK BRK, CIGAR, ST/LP, VEH CHMSL, and VEH STOP Fuses
ACCY/RUN/START, RUN, and START Bus Bars
B+ Bus - Underhood Fuse Block
Figure 5:

TRAILER, ABS, ATC, BLOWER, ELEK BRK, CIGAR, ST/LP, VEH CHMSL, and VEH STOP Fuses


Object Number: 884723  Size: FS
Master Electrical Component List
COILS, RIDE, ECAS, IPC/DIC, FLASH, TBC 1, and PCM B Fuses
ACCY/RUN and RUN/START Bus Bars
B+ Bus - Underhood Fuse Block
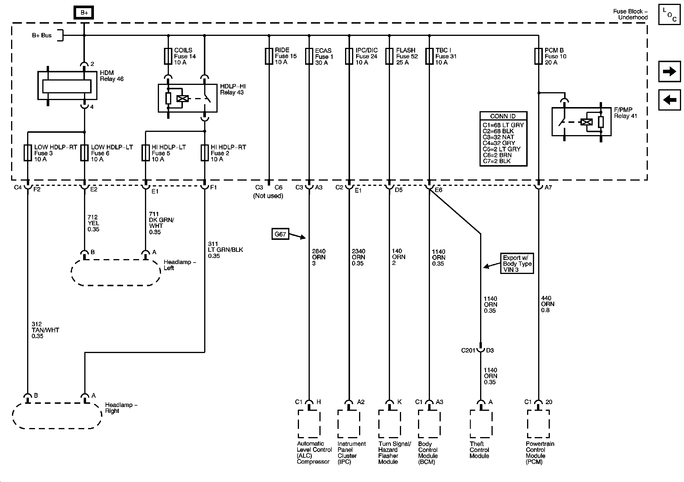
Figure 6:

COILS, RIDE, ECAS, IPC/DIC, FLASH, TBC 1, and PCM B Fuses


Object Number: 653707  Size: FS
Master Electrical Component List
LGM/DSM, OH BATT/ONSTAR, RADIO, and HVAC B Fuses
TRAILER, ABS, ATC, BLOWER, ELEK BRK, CIGAR, ST/LP, VEH CHMSL, and VEH STOP Fuses
B+ Bus - Underhood Fuse Block
Figure 7:

LGM/DSM, OH BATT/ONSTAR, RADIO, and HVAC B Fuses


Object Number: 653734  Size: FS
Master Electrical Component List
SUNROOF, AUX PWR 2, RR HVAC, AUX PWR 1, TBC 2, TBC 3, and TBC 4 Fuses
COILS, RIDE, ECAS, IPC/DIC, FLASH, TBC 1, and PCM B Fuses
B+ Bus - Rear Fuse Block
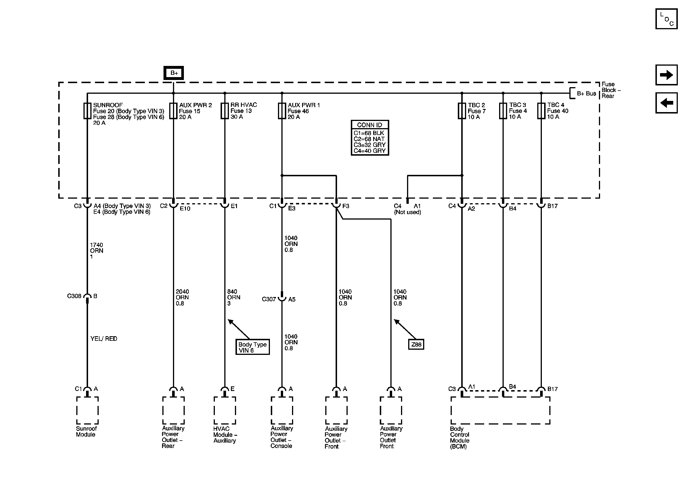
Figure 8:

SUNROOF, AUX PWR 2, RR HVAC, AUX PWR 1, TBC 2, TBC 3, and TBC 4 Fuses


Object Number: 653739  Size: FS
Master Electrical Component List
TBC 5, DDM, PDM, AMP Fuses, LT DOORS and RT DOORS Circuit Breakers
LGM/DSM, OH BATT/ONSTAR, RADIO, and HVAC B Fuses
B+ Bus - Rear Fuse Block
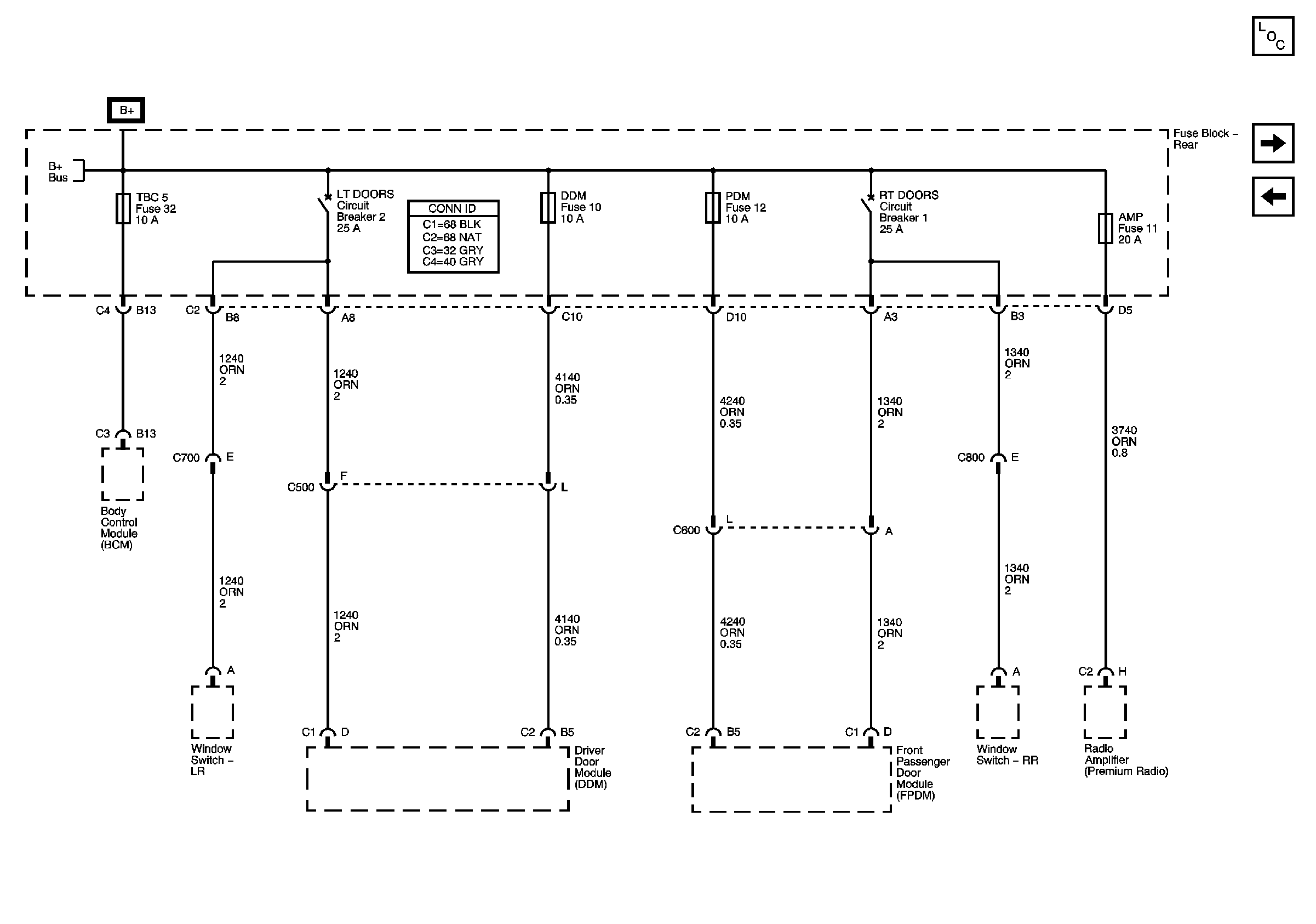
Figure 9:

TBC 5, DDM, PDM, AMP Fuses, LT DOORS and RT DOORS Circuit Breakers


Object Number: 653742  Size: FS
Master Electrical Component List
RR FOG, LR PARK, TR PARK, RR PARK, F PARK, LGM #2 Fuses, RR WIPER and SEATS Circuit Breakers
SUNROOF, AUX PWR 2, RR HVAC, AUX PWR 1, TBC 2, TBC 3, and TBC 4 Fuses
B+ Bus - Rear Fuse Block
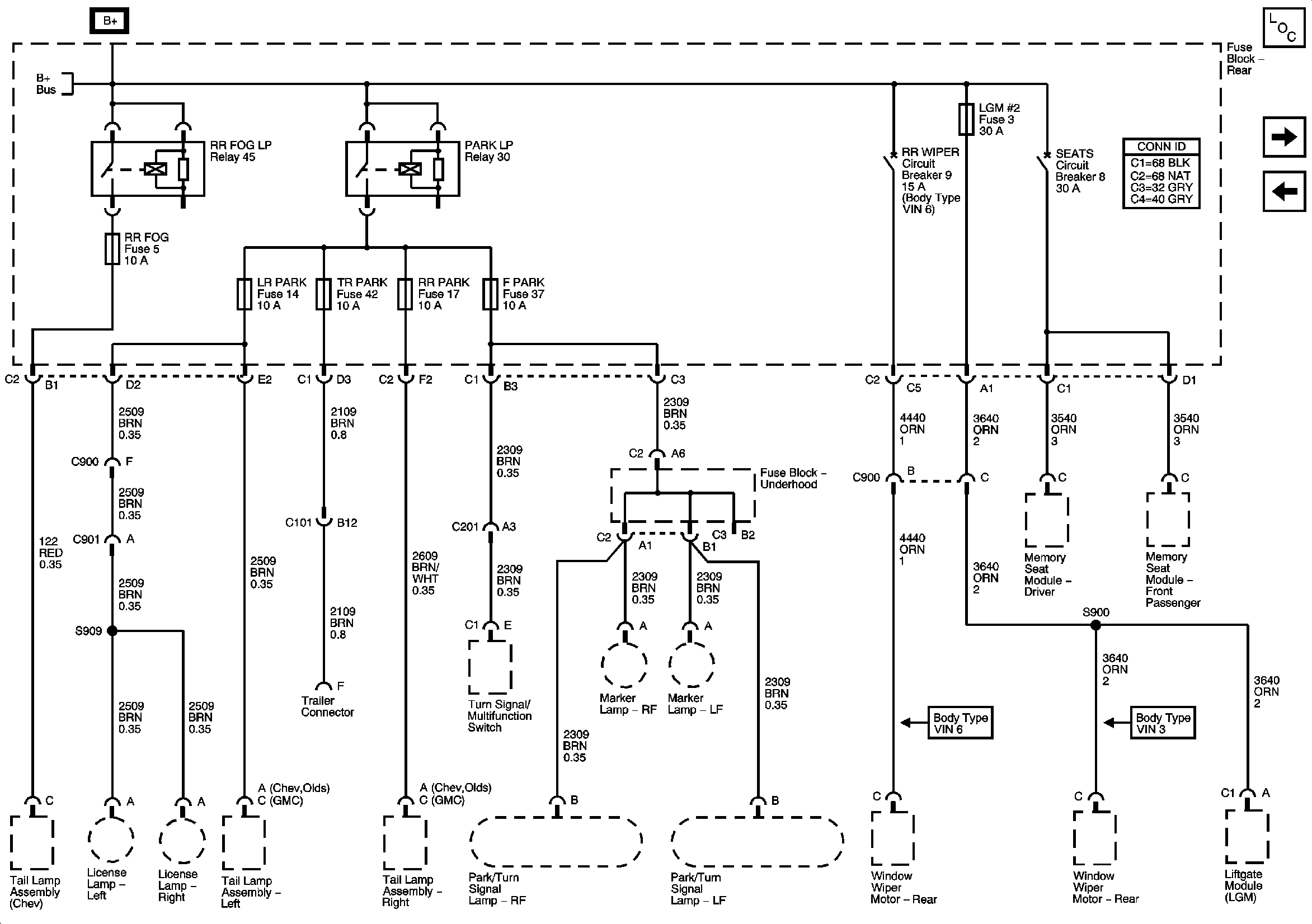
Figure 10:

RR FOG, LR PARK, TR PARK, RR PARK, F PARK, LGM #2 Fuses, RR WIPER, and SEATS Circuit Breakers


Object Number: 653746  Size: FS
Master Electrical Component List
TRL L TRN, TRL R TRN, LT TURN, and RT TURN Fuses
TBC 5, DDM, PDM, AMP Fuses, LT DOORS and RT DOORS Circuit Breakers
B+ Bus - Rear Fuse Block
Figure 11:

TRL L TRN, TRL R TRN, LT TURN, and RT TURN Fuses


Object Number: 884726  Size: FS
Master Electrical Component List
IGN 0, TBC IG, TBC ACC, FRT WPR, and RAIN Fuses
RR FOG, LR PARK, TR PARK, RR PARK, F PARK, LGM #2 Fuses, RR WIPER and SEATS Circuit Breakers
Figure 12:

IGN 0, TBC IG, TBC ACC, FRT WPR, and RAIN Fuses


Object Number: 884730  Size: FS
Master Electrical Component List
IGN E, TBC IGN1, BACK UP, BTSI, and TRLR B/U Fuses
TRL L TRN, TRL R TRN, LT TURN, and RT TURN Fuses
Figure 13:

IGN E, TBC IGN 1, BACK UP, BTSI, and TRLR B/U Fuses


Object Number: 884737  Size: FS
Master Electrical Component List
PCM I Fuse
IGN 0, TBC IG, TBC ACC, FRT WPR, and RAIN Fuses
ACCY/RUN and RUN/START Bus Bars
Figure 14:

PCM I Fuse


Object Number: 884742  Size: FS
Master Electrical Component List
O2, ETC, ENG I, SIR, HVAC, and 4WD Fuses
IGN E, TBC IGN1, BACK UP, BTSI, and TRLR B/U Fuses
ACCY/RUN and RUN/START Bus Bars
Figure 15:

O2, ETC, ENG I, SIR, HVAC, and 4WD Fuses


Object Number: 884743  Size: FS
Master Electrical Component List
HVAC I, BRAKE, and TBC RUN Fuses
PCM I Fuse
ACCY/RUN and RUN/START Bus Bars
ACCY/RUN/START, RUN, and START Bus Bars
Figure 16:

HVAC I, BRAKE, and TBC RUN Fuses


Object Number: 653731  Size: FS
Master Electrical Component List
O2, ETC, ENG I, SIR, HVAC, and 4WD Fuses
ACCY/RUN/START, RUN, and START Bus Bars